Запчасти Case IH KP-525 (06-04) - CENTER YOKE (12) - FRAME

Схема запчастей Case IH KP-525 - (06-04) - CENTER YOKE (12) - FRAME
2
8
10
12
11
5
6
15
4
14
12
3
15
11
14
14
4
10
13
10
13
9
12
3
7
14
2
13
4
4
13
10
9
7
6
12
1
FIT
1:1
100%

Артикул

Название

Примечание

Количество

47-3592

NO LONGER SERVICED

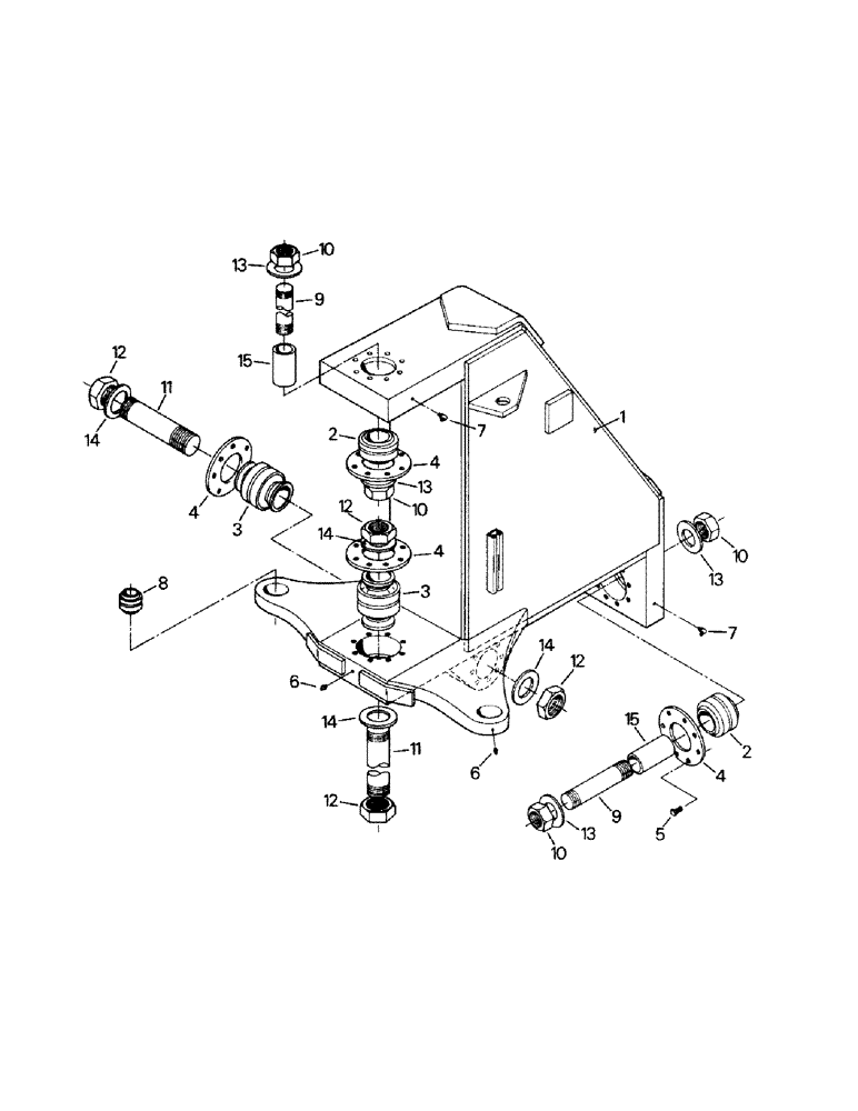
Center Yoke Assy, Includes: Ref. 1 - 8

1шт.

1

47-3026

LINKAGE YOKE

Center Yoke

1шт.

2

47-3486

BEARING

Self-Aligning Bushing

2шт.

3

1-3965

SPHERICAL BEARING,57.2mm ID x 111.13mm OD x 127mm W

Self-Aligning Bushing

2шт.

4

47-3017

OIL SEAL

Retaining Ring

4шт.

5

19-17

BOLT,Hex, 3/8" - 16 x 1", Gr 5, Full Thd

Capscrew

32шт.

6

80710

LUBE NIPPLE,1/8” – 27 Dryseal PTF

NIPPLE, LUBE, 1/8"-27 x .66 lg

4шт.

7

31-93

FITTING

Grease Fitting

2шт.

8

15-44

SPHERICAL BEARING

Self-Aligning Bushing

2шт.

9

52-42

PIN,44.45mm OD x 292.1mm L

King Pin

2шт.

10

2-17

NUT

King Pin Nut

4шт.

11

1-3967

PIN

King Pin

2шт.

12

1-3968

NUT

Jam Nut

4шт.

13

1-4088

WASHER,45mm ID x 69.9mm OD x 6.35mm Thk

4шт.

14

1-3966

SPACER

Washer

4шт.

15

47-3016

SPACER

2шт.

Выбрано товаров: 16