Запчасти Case IH KP-525 (10-04) - HYDRAULIC MOTOR KIT Options & Miscellaneous

Схема запчастей Case IH KP-525 - (10-04) - HYDRAULIC MOTOR KIT Options & Miscellaneous
13
3
23
1
26
6
10
21
20
2
24
11
25
17
22
9
19
5
12
11
18
8
16
9
14
4
19
27
15
26
13
7
FIT
1:1
100%

Артикул

Название

Примечание

Количество

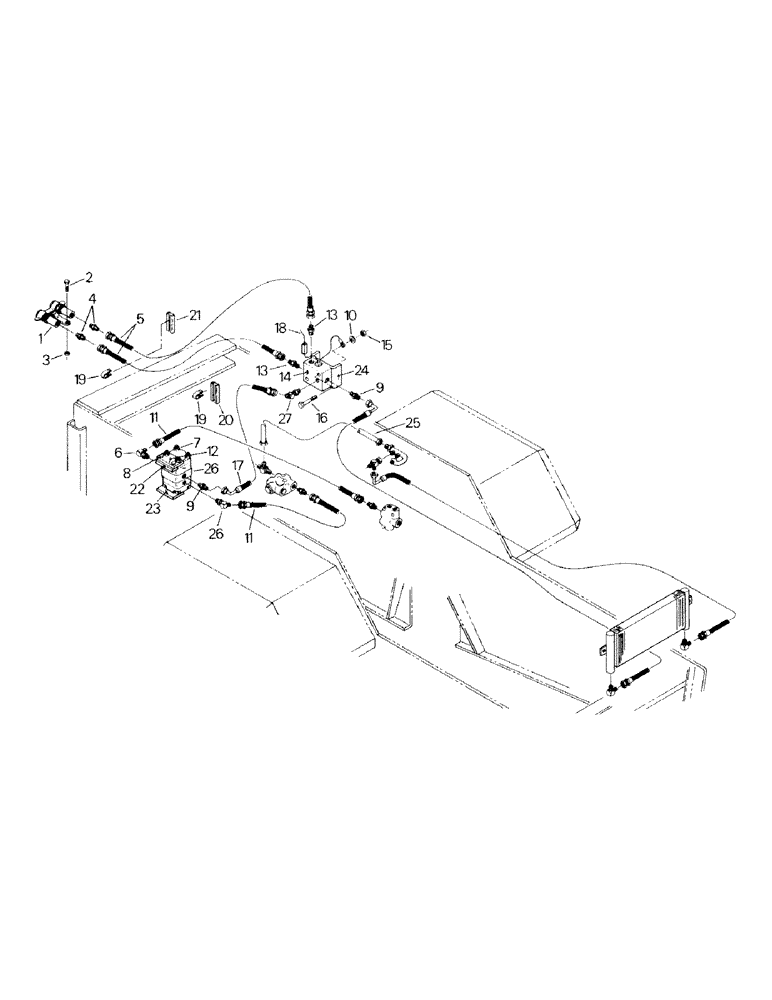
35-1357T93

MOTOR

Hydraulic Motor Kit, Includes: Ref. 1 - 27

1шт.

1

1-7135

COUPLING

Hydraulic Coupler

1шт.

MALE PLUG 1-7141

1шт.

2

19-269

BOLT,Hex, 1/2" - 13 x 1 3/4", Gr 5

Capscrew

1шт.

3

19-82

LOCK NUT

Lock Nut

1шт.

4

18-570

HYD CONNECTOR,7/8"-14, 37 Degree x 7/8"-14, O-Ring

Fitting (10)

2шт.

5

31-1639

HOSE

2шт.

6

31-479

ELBOW,90 Degree, 1 5/16"-12, 37 Degree x 1 5/16"-12, O-Ring

(16) (1/3 & 2/3 Flow)

1шт.

31-368

ELBOW,90 Degree, 1 5/16"-12, 37 Degree x 1 1/16"-12, O-Ring

(12) (1/2 & 1/2 Flow)

1шт.

7

19-83

NUT,5/8"-11, G5

4шт.

8

19-7

BOLT,Hex, 5/16" - 18 x 1", Gr 5

Capscrew

2шт.

9

18-783

HYD CONNECTOR,1 1/16"-12, 37 Degree x 1 1/16"-12, O-Ring

Fitting (12)

2шт.

10

19-107

WASHER

2шт.

11

31-1641

HOSE

2шт.

12

50-1233T1

PLATE

1шт.

13

18-623

HYD CONNECTOR,7/8"-14, 37 Degree x 1 1/16"-12, O-Ring

Fitting (12)

2шт.

14

Solenoid Valve Assy (see fig.10-4)

1шт.

15

19-78

SPECIAL NUT,3/8"-16, G5

2шт.

16

19-25

BOLT,3/8" - 16 x 3 1/2", Gr 5

Capscrew

2шт.

17

31-2319

HOSE ASSY.

Hose

1шт.

18

20-1262T1

ELECTRICAL WIRE

Wire

1шт.

19

31-1187

CLAMP

Assy

4шт.

20

1-4936

HANGER

Clamp Hanger

1шт.

21

31-1280

CHANNEL

Anchor Channel

1шт.

22

50-1234T1

PLATE

1шт.

23

50-1235T1

PLATE

1шт.

24

50-1511T1

BRACKET

1шт.

25

47-4477

HYD TUBE

Tube

1шт.

26

Flow Divider Assy (see fig. 10-6)

1шт.

The flow divider is not incl in the hydraulic motor kits and must be purchased separately as follows: 35-1378T91-Flow Divider Kit (1/3 & 2/3 Flow) 35-1377T91-Flow Divider Kit (1/2 & 1/2 Flow)

1шт.

27

31-418

ELBOW,45 Degree, 1 5/16"-12 x 1 5/16"-12, O-Ring

(16)

1шт.

Выбрано товаров: 31