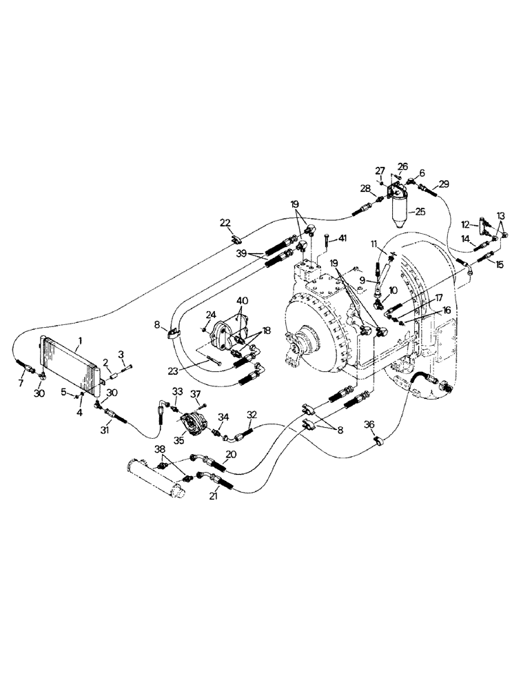
Запчасти Case IH KP-525 (04-15) - TRANSMISSION & TRANSFER CASE LUBE SYSTEM (04) - Drive Train

Схема запчастей Case IH KP-525 - (04-15) - TRANSMISSION & TRANSFER CASE LUBE SYSTEM (04) - Drive Train
7
41
5
11
19
27
6
28
26
13
8
37
36
14
29
22
19
15
35
21
38
31
39
30
17
4
9
24
32
25
16
20
10
3
23
34
8
40
12
18
4
30
2
33
FIT
1:1
100%

Артикул

Название

Примечание

Количество

1

10-39

COOLER

Oil Cooler

1шт.

2

2-1981T1

SPACER

2шт.

3

19-133

BOLT,Hex, 3/8" - 16 x 4", Gr 5

Capscrew

2шт.

4

19-107

WASHER

2шт.

5

19-78

SPECIAL NUT,3/8"-16, G5

2шт.

6

31-325

ELBOW,90 Degree, 3/4"-16, 37 Degree x 3/4"-16, NPTF

1шт.

7

31-1885

HOSE ASSY.

Hose

1шт.

8

31-1151

CLAMP

Assy

6шт.

9

90-4072T1

TUBE ASSY.,1.5" OD

Tube

1шт.

10

31-2236

ELBOW

1шт.

11

90-2245T1

PLUG

1шт.

12

90-4073T1

GAUGE

Sight Gauge

1шт.

13

31-2237

ELBOW,90 Degree, 7/16"-20, 37 Degree x 1/8"-27, Fem NPTF

2шт.

14

31-2285

HOSE

1шт.

15

31-1554

HOSE

1шт.

16

31-73

BUSHING

Reducer

1шт.

17

19-1101

HYD CONNECTOR,7/16" - 20, 37 Degree x 3/8" - 18, NPTF

Fitting

1шт.

18

31-585

HYD CONNECTOR,1 5/8"-12, 37 Degree x 1 1/4"-11 1/2, NPTF

Fitting

2шт.

19

31-1222

ELBOW

4шт.

20

31-2284

HOSE

1шт.

21

31-2283

HOSE

1шт.

22

31-1187

CLAMP

Assy

3шт.

23

19-737

Clapscrew

3шт.

24

19-79

NUT,7/16"-14, G5

3шт.

25

1-9669

FILTER

Assy

1шт.

2-2038

ELEMENT

1шт.

26

19-19

BOLT,Hex, 3/8" - 16 x 1 1/2", Gr 5

Capscrew

4шт.

27

19-341

LOCK NUT,3/8" - 16, GB

4шт.

28

31-411

HYD CONNECTOR,7/8"-14, 37 Degree x 3/4"-14, NPTF

Fitting

1шт.

29

31-2374

HOSE

1шт.

30

31-340

ELBOW,90 Degree, 7/8"-14, 37 Degree x 1/2"-14, NPTF

2шт.

31

31-2329

HOSE ASSY.

Hose

1шт.

32

31-2395

HOSE ASSY.

Hose

1шт.

33

31-464

HYD CONNECTOR,1 5/16"-12, 37 Degree x 1 1/16"-12, O-Ring

Fitting (12)

1шт.

34

18-570

HYD CONNECTOR,7/8"-14, 37 Degree x 7/8"-14, O-Ring

Fitting (10)

1шт.

35

Lube Pump Assy (see FIG. 4-16)

1шт.

NO GASKET USED.

1шт.

36

19-887

CLAMP,1 1/4", Insul, 1/2" Bolt

2шт.

37

19-18

BOLT,Hex, 3/8" - 16 x 1 1/4", Gr 5

Capscrew

2шт.

38

31-2240

Fitting

2шт.

39

31-2238

HOSE ASSY.

Hose

2шт.

40

NAP

Trans Filter Assy (incl with Trans)

1шт.

SOME LATER MODELS HAD ONLY ONE FILTER HERE.90-6723T1 ELEMENT 90-6724T1 O/RING.

1шт.

1-3984T1

FILTER

Element

2шт.

41

19-734

BOLT,Hex, 7/16" - 14 x 3 1/2", Gr 5

Capscrew

5шт.

Выбрано товаров: 45