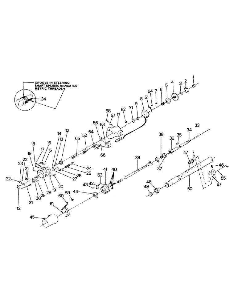
Запчасти Case IH KP-525 (01-07) - STEERING COLUMN ASSEMBLY (10) - CAB

Схема запчастей Case IH KP-525 - (01-07) - STEERING COLUMN ASSEMBLY (10) - CAB
16
48
51
67
46
7
54
8
15
55
58
53
12
57
25
36
65
49
50
30
13
43
41
10
56
20
39
1
62
27
59
37
11
17
52
32
6
38
14
3
33
64
47
35
31
60
19
34
28
5
45
2
40
23
18
63
24
66
34
19
21
42
9
22
29
26
4
12
44
61
FIT
1:1
100%

Артикул

Название

Примечание

Количество

1-7630

STEERING COLUMN

Assy, consists of Ref. nos. 1-68

1шт.

1

1-1320

BUMPER

Retracted Steering Shaft

1шт.

2

1-1329

RETAINER

Carrier Snap Ring Retainer

1шт.

3

1-1331

RETAINER

Shaft Lock Retainer

1шт.

4

1-1325

ARRESTER

Steering Shaft Lock

1шт.

5

1-1215

SUPPORT

Carrier Assy

1шт.

6

1-4507

SPRING

Upper Bearing Spring

1шт.

7

1-1333

SCREW

3шт.

8

1-4497

SWITCH

Turn Signal Switch Assy

1шт.

9

1-1336

SEAT

Inner Race Seat

1шт.

10

1-1328

SPRING KIT

Inner Race

1шт.

11

2-1454

HOUSING

Lock Housing Cover

1шт.

12

1-1217

KIT

Bearing Assy

2шт.

13

19-5460

LOCK BOLT

1шт.

14

1-1228

SPRING

Lock Bolt Spring

1шт.

15

1-1227

BRAKE SHOE

Steering Wheel Lock Shoe

1шт.

16

1-1226

BRAKE SHOE

Steering Wheel Lock Shoe

1шт.

17

1-1225

DRIVE SHAFT

1шт.

18

1-1220

SPLIT PIN/SAFETY PIN

Dowel Pin

1шт.

19

1-4509

PIVOT PIN

PIN, PIVOT

2шт.

20

1-4478

KIT

Switch Actuator Sector

1шт.

21

1-1301

SPRING

Shoe Spring

2шт.

22

1-1230

SPRING

Release Lever Spring

1шт.

23

1-1221

PIN

- release lever

1шт.

24

1-1330

RETAINER

Spring Retainer

1шт.

25

1-4508

SPRING

Tilt Wheel Spring

1шт.

26

1-1323

GUIDE

Spring Guide

1шт.

27

1-1223

SCREW

1шт.

28

1-4474

HOUSING ASSY.

Housing Assy (incl Refs. 12-18, 20-23, 27, 29, 30 & 32)

1шт.

29

1-1229

SPRING

Rack Preload Spring

1шт.

30

1-4477

KIT

Switch Actuator Rack

1шт.

31

1-4465

ACTUATOR

Switch Actuator Assy

1шт.

32

1-4476

CONTROL LEVER

Shoe Release Lever

1шт.

2-1463

SHAFT

Steering Shaft Assy, consists of Ref. Nos. 33-39

1шт.

33

1-4488

STEM

Telescope Locking Rod

1шт.

34

2-1467

SHAFT

Upper Steering Shaft

1шт.

35

1-1312

WEDGE

Locking Wedge

1шт.

36

1-4487

YOKE

Race & Steering Shaft Yoke Assy

1шт.

37

1-1310

KIT

Centering Sphere

2шт.

38

1-1311

KIT

Joint Preload Spring

1шт.

39

1-4486

STEERING SHAFT

Yoke & Steering Shaft Assy

1шт.

40

1-1334

SCREW

Support Assy (incl Refs. 42, 43, 63)

1шт.

42

1-4494

FIXING BRACKET

Shroud Retaining Plate

1шт.

43

19-5459

SCREW

2шт.

44

1-1326

LARGE PLATE

Lock Plate

1шт.

45

1-4504

SHROUD

Steering Column Housing Shroud

1шт.

46

1-1335

SCREW

1шт.

47

1-4496

IGNITION SWITCH

Assy

1шт.

48

1-4468

ADAPTER

Lower Bearing Adapter

1шт.

49

1-4467

BEARING ASSY

1шт.

50

2-1461

COLUMN JACKET

Jacket Assy

1шт.

51

1-4466

ARM ASSY.

Signal Switch Arm Assy

1шт.

52

1-4498

ACTUATOR

Dimmer Switch Rod Actuator

1шт.

53

1-4469

COVER

Column Housing End Cover Cap

1шт.

54

2-1452

IGNITION SWITCH

Pivot Switch Assy

1шт.

55

2-1462

THREADED ROD

Dimmer Switch Rod Assy

1шт.

56

1-4470

SHIELD

Tilt Lever Opening Shield

1шт.

57

1-4500

BUTTON

Hazard Warning Knob

1шт.

58

19-5456

SCREW,Oval Hd, M3.5

1шт.

59

1-4499

PAD

Relief Lever Finger Pad

1шт.

60

1-4501

LEVER

Key Release Lever

1шт.

61

1-4506

SPRING

Key Release Spring

1шт.

62

1-6926

SCREW,Cross Oval Hd

3шт.

63

1-6925

DOWEL

Pin

1шт.

64

1-6924

SCREW

1шт.

65

2-1455

PIVOT PIN

Switch Activating Pivot Pin

1шт.

66

1-6927

SPRING

1шт.

67

1-7739

SWITCH

Dimmer Switch Assy

1шт.

68

2-1481

STUD

Dimmer Switch Stud (not shown)

1шт.

Выбрано товаров: 0