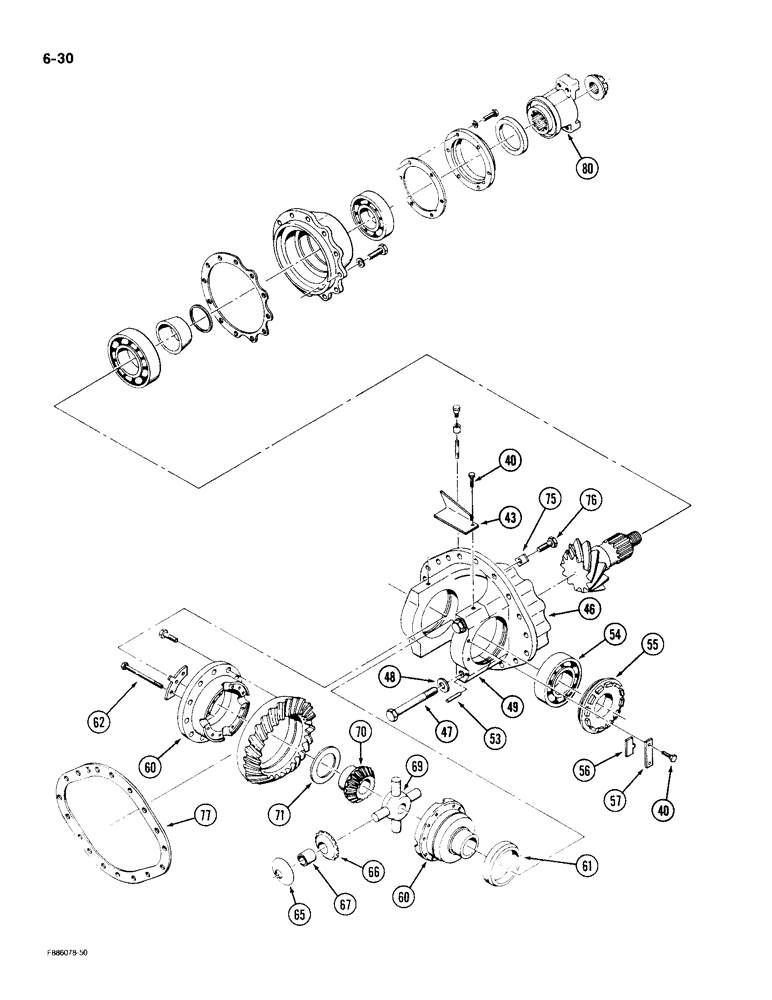
Запчасти Case IH KP-525 (6-30) - AXLE ASSEMBLY, DIFFERENTIAL AND CARRIER, K594.20/30 (CONTD) (06) - POWER TRAIN

Схема запчастей Case IH KP-525 - (6-30) - AXLE ASSEMBLY, DIFFERENTIAL AND CARRIER, K594.20/30 (CONTD) (06) - POWER TRAIN
71
70
69
53
75
55
62
76
77
40
60
47
66
60
49
40
43
57
46
54
67
65
48
80
61
56
FIT
1:1
100%

Артикул

Название

Примечание

Количество

40

16-1517

HUB

BOLT - hex, 8 x 15 mm, Grade 10.9

6шт.

43

90-3695T1

BAFFLE

PLATE - oil baffle

2шт.

46

90-2520T91

HOUSING

ASSEMBLY - differential carrier, Includes: Ref. 47 - 53

1шт.

47

16-1528

BOLT,Hex, M24 x 2 x 117mm, Cl 10.9

BOLT - hex

2шт.

48

16-1529

WASHER

- flat

2шт.

49

NSS

NOT SOLD SEPARAT

CAP - bearing retainer

1шт.

53

16-1514

DOWEL

PIN - dowel, 10 x 25 mm

1шт.

54

90-2518T1

TAPERED BEARING

- tapper roller, 85 x 150 x 38.5 mm

1шт.

54

90-2519T1

BEARING

- tapper roller, 90 x 150 x 45 mm

1шт.

55

16-1522

SLOTTED NUT

NUT - bearing retainer

2шт.

56

16-1525

LARGE PLATE

PLATE - locking tab, bearing nut

1шт.

56

16-1526

LARGE PLATE

PLATE - locking tab, bearing nut

1шт.

56

16-1527

LARGE PLATE

PLATE - locking tab, bearing nut

1шт.

57

16-1524

LARGE PLATE

PLATE - locking

2шт.

90-2570T91

DIFFERENTIAL

ASSEMBLY - axle, Includes: Ref. 60 - 71

1шт.

90-2482T91

CASE ASSY.

CASE ASSEMBLY - differential halves, Includes: Ref. 60 - 62

1шт.

60

NSS

NOT SOLD SEPARAT

CASE - differential

1шт.

61

16-1564

BAFFLE

Oil

1шт.

62

40-1168

CAPSCREW,Hex, M12 x 1.5 x 100mm, Gr 10.9

BOLT - hex, 12 mm - 1.5 x 100 mm, Grade 10.9

12шт.

65

90-2511T1

SPACER

- cone, wear

4шт.

66

16-1561

PINION

GEAR - pinion, Includes: Ref. 67

4шт.

67

16-1562

BUSHING

Gear

4шт.

69

16-1560

DIFF. SPIDER

SPIDER - pinion gear

1шт.

70

16-1559

PINION

GEAR - side

2шт.

71

16-1551

SPACER

- gear, 4.6 mm thick

2шт.

71

16-1552

SPACER

- gear, 4.7 mm thick

2шт.

71

16-1553

SPACER

- gear, 4.8 mm thick

2шт.

71

16-1554

SPACER

- gear, 4.9 mm thick

2шт.

71

16-1555

SPACER

- gear, 5.0 mm thick

2шт.

71

16-1556

SPACER

- gear, 5.1 mm thick

2шт.

71

16-1557

SPACER

- gear, 5.2 mm thick

2шт.

71

16-1558

SPACER

- gear, 5.3 mm thick

2шт.

75

16-1520

WASHER

- lock

12шт.

75

16-1521

WASHER

PLATE - locking

6шт.

76

40-1102

SCREW,Hex, M12 x 1.75 x 40mm, Gr 10.9

BOLT - hex, 12 x 38 mm, Grade 10.9

18шт.

77

16-1531

GASKET

- differential (Order 1-1055, RTV sealant)

1шт.

80

90-2508T1

YOKE

- front or rear

1шт.

Выбрано товаров: 37