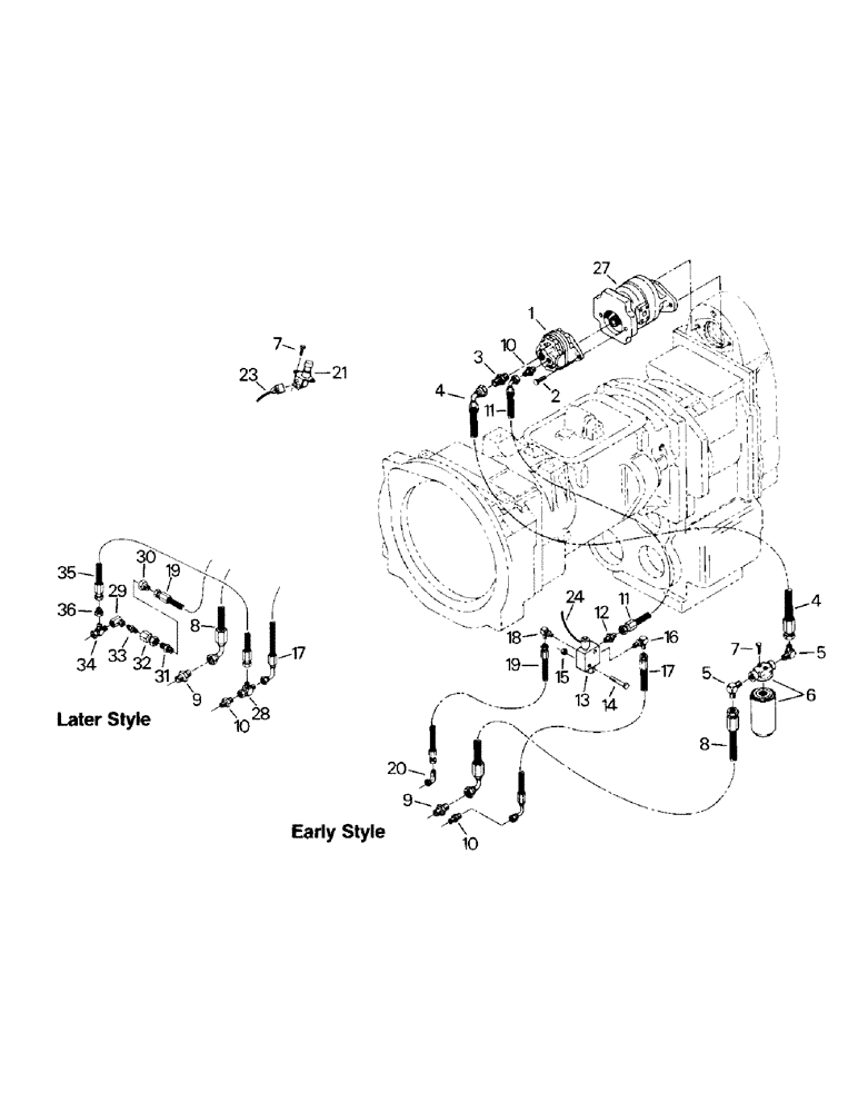
Запчасти Case IH KR-1280 (10-23) - DIFFERENTIAL LOCK CONTROLS AND PLUMBING, ADJUSTABLE BAR AXLE Options & Miscellaneous

Схема запчастей Case IH KR-1280 - (10-23) - DIFFERENTIAL LOCK CONTROLS AND PLUMBING, ADJUSTABLE BAR AXLE Options & Miscellaneous
19
5
16
12
10
5
35
24
17
21
8
8
4
20
27
34
2
23
32
9
1
7
17
13
19
7
18
9
10
4
31
15
14
36
10
29
3
30
11
11
33
28
6
FIT
1:1
100%

Артикул

Название

Примечание

Количество

1

Gear Pump Assy (see Fig. 10-24)

1шт.

2

19-18

BOLT,Hex, 3/8" - 16 x 1 1/4", Gr 5

Capscrew

2шт.

3

31-464

HYD CONNECTOR,1 5/16"-12, 37 Degree x 1 1/16"-12, O-Ring

Fitting (12)

1шт.

4

31-2449

HOSE ASSY.

Hose

1шт.

5

31-431

ELBOW,90 Degree, 1 5/16"-12, 37 Degree x 1"-11 1/2, NPTF

2шт.

6

12-1665

FILTER

Assy

1шт.

18-502

FILTER CARTRIDGE

Filter Element

1шт.

7

19-417

BOLT,Hex, 1/4" - 20 x 0.50", Gr 5, Full Thd

Capscrew

4шт.

8

31-1874

HOSE ASSY.

Hose

1шт.

9

31-369

HYD CONNECTOR,1 5/16"-12, 37 Degree x 1 5/16"-12, O-Ring

Fitting (16)

1шт.

10

31-330

HYD CONNECTOR,3/4"-16, 37 Degree x 7/8"-14, O-Ring

Fitting (10)

2шт.

11

31-2492

HOSE ASSY.

Hose

1шт.

12

31-432

HYD CONNECTOR,3/4"-16, 37 Degree x 9/16"-18, O-Ring

Fitting (6)

1шт.

13

Diff Lock Valve Assy (see Fig. 10-25)

1шт.

14

19-274

HEX SOC SCREW,Fl Hd, Csk, 5/8" - 11 x 2 1/4"

Capscrew, 5/8-UNC x 2-1/4 FSTHD G

2шт.

15

19-77

NUT,5/16"-18, G5

2шт.

16

31-2200

ELBOW,90 Degree, 3/4"-16, 37 Degree x 9/16"-18, O-Ring

(6)

1шт.

17

31-1533

HOSE

1шт.

18

31-1753

ELBOW,90 Degree, 9/16"-18, 37 Degree x 7/16"-20, O-Ring

(4)

1шт.

19

1-3015

HOSE

1шт.

20

9410280

ELBOW,90 Degree, 9/16"-18, 37 Degree x 9/16"-18, 37 Degree Fem Sw

1шт.

21

20-1988T1

IGNITION SWITCH

Dimmer Switch

1шт.

22

1-7877

RELAY

(not shown)

1шт.

23

20-2027T1

HARNESS

Diff Lock Switch Wire Harness

1шт.

24

20-2026T1

HARNESS

Diff Lock Valve Wire Harness

1шт.

25

22-824

CABLE TIE,3/16" x 7 1/4"

STRAP, CABLE, , Not shown 3/16" x 7 1/4"

4шт.

26

22-738

DIODE

(not shown)

1шт.

27

Charge Pump Assy (with Diff Lock) (see Fig. 8-12)

1шт.

Charge Pump Assy (w/o Diff Lock) (see Fig. 8-11)

1шт.

28

31-1355

TEE,37 Degree, 3/4"-16 x 3/4"-16, Fem Sw Run

1шт.

These Refs. are later production parts; however, they may be retrofitted into early models.

1шт.

29

31-2341

ADAPTER

Elbow

1шт.

These Refs. are later production parts; however, they may be retrofitted into early models.

1шт.

30

31-1754

REDUCER,37 Degree, 3/4"-16, Fem x 9/16"-18 Male

1шт.

These Refs. are later production parts; however, they may be retrofitted into early models.

1шт.

31

90-4669T1

VALVE

Check Valve

1шт.

These Refs. are later production parts; however, they may be retrofitted into early models.

1шт.

32

31-337

ADAPTER,37 Degree, Sw, 3/4"-16 x 1/2"-14 NPTF

1шт.

These Refs. are later production parts; however, they may be retrofitted into early models.

1шт.

33

31-345

FITTING

1шт.

These Refs. are later production parts; however, they may be retrofitted into early models.

1шт.

34

31-1757

TEE,37 Degree, 9/16"-18, x 9/16"-18, Fem Sw Run

1шт.

These Refs. are later production parts; however, they may be retrofitted into early models.

1шт.

35

31-2684

HOSE ASSY.

Hose

1шт.

These Refs. are later production parts; however, they may be retrofitted into early models.

1шт.

36

31-2685

FITTING

Orifice Reducer

1шт.

These Refs. are later production parts; however, they may be retrofitted into early models.

1шт.

Выбрано товаров: 47