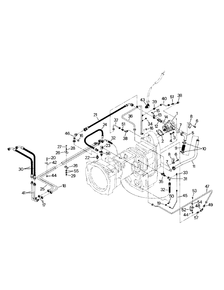
Запчасти Case IH KR-1280 (04-36) - TRANSMISSION LUBE SYSTEM, WITH OUT PTO (04) - Drive Train

Схема запчастей Case IH KR-1280 - (04-36) - TRANSMISSION LUBE SYSTEM, WITH OUT PTO (04) - Drive Train
11
44
43
17
9
36
32
1
16
29
18
35
19
16
56
31
20
52
33
30
26
12
44
24
6
22
40
8
13
26
10
38
34
47
28
51
53
23
49
54
55
7
27
2
4
42
45
25
38
50
48
37
6
39
15
3
21
5
57
41
14
46
32
8
7
51
FIT
1:1
100%

Артикул

Название

Примечание

Количество

1

Trans Lube Pump Assy (see Fig. 4-40)

1шт.

2

18-1176

GASKET

1шт.

3

19-821

BOLT,Hex, 1/2" - 13 x 1 1/4", Gr 8, Full Thd

Capscrew

2шт.

4

19-5603

WASHER,17/32" x 1 1/16" x .095", HDN

2шт.

5

31-2034

ADAPTER

Elbow

1шт.

6

19-45

BOLT,1/2" - 13 x 1 1/2", Gr 5

Capscrew

8шт.

7

31-1328

O-RING,0.139" Thk x 1.859" ID, -225, Cl 6, 90 Duro

2шт.

8

31-1911

FLANGE

Split Flange

4шт.

9

1-4571

HOSE

1шт.

10

31-1283

MOUNTING CLIP

Clamp

2шт.

11

90-5877T1

TUBE,1.5" OD

1шт.

12

31-2486

ADAPTER

1шт.

13

1-3526

COUPLING FLANGE

Split Flange

2шт.

14

31-1097

O-RING,0.139" Thk x 1.296" ID, -219, Cl 6, 90 Duro

1шт.

15

19-18

BOLT,Hex, 3/8" - 16 x 1 1/4", Gr 5

Capscrew

4шт.

16

9403372

CAP,37 Degree, 3/4"-16

Nut

2шт.

17

31-2375

BHD LOCK NUT,Blkhd, 1 1/16"-12

Nut

2шт.

18

90-5969T1

TUBE,.75" OD

1шт.

19

31-661

ELBOW,90 Degree, 7/16"-20, 37 Degree x 1/8"-27, NPTF

1шт.

20

19-20

BOLT,Hex, 3/8" - 16 x 1 3/4", Gr 5

Capscrew

1шт.

21

31-2508

HOSE ASSY.

Hose

1шт.

22

18-608

HYD CONNECTOR,1 1/16"-12, 37 Degree x 7/8"-14, O-Ring

Fitting (10)

1шт.

23

31-2601

ELBOW,90 Degree, 3/4"-16, 37 Degree x 7/8"-14, 37 Degree Fem Sw

1шт.

24

31-2587

HOSE ASSY.

Hose

1шт.

25

90-5970T1

TUBE,.75" OD

1шт.

26

50-2551T1

CLAMP

Half Clamp

2шт.

27

19-1007

BOLT,Hex, 5/16" - 18 x 3", Gr 5

Capscrew

1шт.

28

19-106

WASHER,5/16", SAE

1шт.

29

19-77

NUT,5/16"-18, G5

1шт.

30

31-2473

HOSE ASSY.

Hose

2шт.

31

31-1001

FITTING

Elbow

1шт.

32

31-2530

HOSE

1шт.

33

31-2445

ADAPTER

Tee

1шт.

34

9403369

CAP,37 Degree, 7/16"-20

Nut

1шт.

35

31-2512

ADAPTER

Orifice Tee (10)

1шт.

36

90-5886T1

TUBE ASSY.,.625" OD

Tube

1шт.

37

90-5887T1

TUBE ASSY.,0.375" OD x 6", 4.25" L

Tube

1шт.

38

9410976

ELBOW,90 Degree, 9/16"-18, 37 Degree x 9/16"-18, O-Ring

(6) 90º, 9/16"-18, 37º x 9/16"-18, O-Ring

2шт.

39

31-1754

REDUCER,37 Degree, 3/4"-16, Fem x 9/16"-18 Male

1шт.

40

90-5889T1

TUBE ASSY.,.375" OD

Tube

1шт.

41

90-5968T1

TUBE,0.75" OD x 15.45", 3.71" L

2шт.

42

90-5971T1

CLAMP

1шт.

43

31-479

ELBOW,90 Degree, 1 5/16"-12, 37 Degree x 1 5/16"-12, O-Ring

(16)

1шт.

44

19-78

SPECIAL NUT,3/8"-16, G5

2шт.

45

90-6096T1

TUBE,.25" OD

1шт.

46

90-6016T1

TUBE,0.75" OD x 5", 2.75" L

1шт.

47

90-6268T2

TUBE,5 mm OD x 39.31, 17.09 mm L

1шт.

48

31-619

ELBOW

1шт.

49

31-2602

ADAPTER

Orifice Reducer

1шт.

50

31-2536

ADAPTER

Orifice Reducer

1шт.

51

31-2581

ADAPTER

Orifice Reducer

2шт.

52

90-6378T1

BRACKET

(90-6270T1)

1шт.

Old part can be used on all tractors. New part should be used when stock is depleted.

1шт.

53

19-889

BOLT,Hex, 3/8" - 16 x 1/2", Gr 5

Capscrew

1шт.

54

31-1775

CLAMP

1шт.

55

19-109

WASHER,1/2"

2шт.

56

18-586

TEE,7/8"-14, 37 Degree x 7/8"-14, O-Ring Run

(10)

1шт.

57

18-1084

ADAPTER,3/4"-16, 37 Degree x 3/8"-18, NPTF

Fitting

1шт.

Выбрано товаров: 58