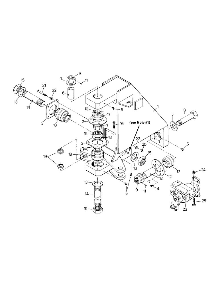
Запчасти Case IH KS-280 (06-03) - CENTER YOKE (12) - FRAME

Схема запчастей Case IH KS-280 - (06-03) - CENTER YOKE (12) - FRAME
3
18
15
4
18
21
23
17
5
22
13
5
13
8
9
2
11
12
3
17
15
7
15
14
4
13
5
13
2
6
5
16
19
10
7
15
14
9
7
11
20
7
1
22
FIT
1:1
100%

Артикул

Название

Примечание

Количество

1

70-2623T91

Center Yoke (Includes: Ref. No. 19)

1шт.

2

42-3

RETAINER

Retaining Ring

2шт.

3

1-3868T1

CAP

Retaining Ring

2шт.

4

19-17

BOLT,Hex, 3/8" - 16 x 1", Gr 5, Full Thd

Capscrew

12шт.

5

31-93

FITTING

Lube Fitting

5шт.

6

1-4163

SPACER

1шт.

7

1-4088

WASHER,45mm ID x 69.9mm OD x 6.35mm Thk

4шт.

8

1-4087

PIN

King Pin

1шт.

9

2-17

NUT

2шт.

10

52-70

PIN

King Pin

1шт.

11

483-1256

SET SCREW,Hex Soc, 1/4"-20 x 3/8"

2шт.

12

1-3435

SPACER

1шт.

13

1-3966

SPACER

Washer

4шт.

14

1-3967

PIN

King Pin

2шт.

15

1-3968

NUT

4шт.

16

19-941

BOLT,Hex, 1/2" - 13 x 1 3/4", Gr 8

Capscrew

4шт.

17

15-40

BUSHING

Uniball

2шт.

18

1-3965

SPHERICAL BEARING,57.2mm ID x 111.13mm OD x 127mm W

Bushing

4шт.

19

52-130

BUSHING,38.2mm ID x 69.85mm OD x 26.42mm L

4шт.

20

19-826

NUT,1/2"-13, G8

4шт.

21

186659

BOLT,Hex, 1/2" - 13 x 3 3/4", Gr 8

Capscrew

4шт.

22

19-5603

WASHER,17/32" x 1 1/16" x .095", HDN

8шт.

23

Hanger Bearing (Fig. 4-18)

1шт.

24

9419145

NUT,5/8"-11, G5

4шт.

25

9419163

BOLT,Hex, 5/8" - 11 x 2 3/4", Gr 5

Capscrew

4шт.

Выбрано товаров: 25