Запчасти Case IH KS-280 (04-01) - ENGINE & ATTACHING PARTS, CUMMINS 855 ENGINE (04) - Drive Train

Схема запчастей Case IH KS-280 - (04-01) - ENGINE & ATTACHING PARTS, CUMMINS 855 ENGINE (04) - Drive Train
26
14
12
7
12
16
27
29
11
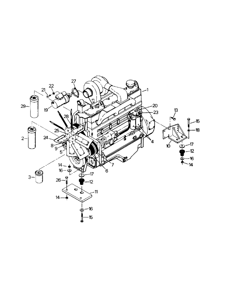
1
22
14
8
4
5
13
6
24
16
19
9
28
2
23
16
10
18
14
15
17
20
3
17
2
15
21
FIT
1:1
100%

Артикул

Название

Примечание

Количество

1

90-3902T1

Engine (NT 855 - 280 HP)

1шт.

90-4662T1

Engine (NTA 855 - 325 HP)

1шт.

90-4663T1

Engine (NTA 855 - 360 HP)

1шт.

2

1-2187

ENGINE OIL FILTER

Oil Filter

1шт.

3

28-31

FILTER

Water Filter (see Note)

1шт.

1-7834

FILTER

Water Filter (Precharged)

1шт.

4

28-35

FUEL FILTER

2шт.

5

90-1375T1

SET OF BELTS,0.53" W x 45.92" L

V-Belt, Alternator (Set of 2) 0.53" W x 45.92" L

1шт.

6

2-4432T1

SET OF BELTS

2, Fan

1шт.

7

90-2383T1

BELT,43.60" L, 6 Ribs

Water Pump 43.60" L, 6 Ribs

1шт.

8

Alt (Fig. 2-7)

1шт.

9

22-741

PULLEY

Alt Pulley

1шт.

10

90-1447T1

ANCHOR

Engine/Trans Mount (Left)

1шт.

90-1448T1

ANCHOR

Engine/Trans Mount (Right)

1шт.

11

2-3247T1

MOUNTING PARTS

Engine Mount

1шт.

12

24-231

RUBBER MOUNTING

Rubber Mount

6шт.

13

19-59

BOLT,Hex, 5/8" - 11 x 1 1/2", Gr 5

Capscrew

8шт.

14

19-222

LOCK NUT,5/8" - 11, GB

8шт.

15

19-256

BOLT,Hex, 5/8" - 11 x 4", Gr 5

Capscrew

6шт.

16

19-408

WASHER

8шт.

17

51-128

WASHER

8шт.

18

19-111

WASHER,5/8"

4шт.

19

Starter (Fig. 2-5)

1шт.

20

19-17

BOLT,Hex, 3/8" - 16 x 1", Gr 5, Full Thd

Capscrew

4шт.

21

19-907

12 PT SCREW,Flg, 5/8" - 11 x 2", Gr 8

Capscrew

3шт.

22

19-912

WASHER

3шт.

23

NAP

Fuel Filter Bracket (Cummins part)

1шт.

24

6-1597

FAN

(280 & 325 HP)

1шт.

90-4238T1

FAN

(360 HP)

1шт.

25

9421419

BOLT,1/2" - 13 x 5", Gr 8

Capscrew

6шт.

26

19-760

BOLT,Hex, 5/8" - 11 x 2 3/4", Gr 5

Capscrew

2шт.

27

22-654

GASKET

1шт.

28

90-3571T1

SPACER

Fan Spacer

1шт.

29

90-1158T1

ENGINE OIL FILTER

Lube Filter

1шт.

Выбрано товаров: 34