Запчасти Case IH KS-360 (01-10) - SEAT ASSEMBLY, LOWER SUSPENSION (10) - CAB

Схема запчастей Case IH KS-360 - (01-10) - SEAT ASSEMBLY, LOWER SUSPENSION (10) - CAB
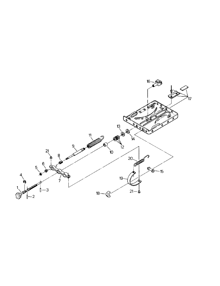
21
11
7
1
16
17
5
15
8
10
19
12
13
9
6
18
3
2
14
21
20
4
FIT
1:1
100%

Артикул

Название

Примечание

Количество

1

60-3202T91

SPINDLE

Assy (Includes: Refs. Nos. 2-4)

1шт.

2

40-1180

PIN

Spring Pin

1шт.

3

40-1179

PIN

Spring Pin

1шт.

4

40-1178

RING

Snap Ring

1шт.

5

43362

NUT,M8 x 1.25, Cl 10

M8, Cl 10

2шт.

6

60-1629T1

NUT

Weld Nut

2шт.

7

60-1583T1

SPRING

Yoke

1шт.

8

60-1630T1

SLEEVE

Threaded Sleeve

2шт.

9

60-1581T1

SHOCK ABSORBER

2шт.

10

60-1631T1

TUBE

Tubing

1шт.

11

60-1595T1

SPRING

2шт.

12

60-1586T1

BEARING ASSY

Thrust Bearing Assy

1шт.

13

60-1587T1

WASHER

1шт.

14

60-1579T1

RUBBER WASHER

Rubber Washer

1шт.

15

60-1580T1

ROLLER

1шт.

16

60-3184T1

BEARING ASSY

& Bracket Assy

1шт.

17

60-1614T1

PLATE

Lower Suspension Plate

1шт.

18

60-1584T1

LENS

Magnifer Lens

1шт.

19

60-1594T1

BAND

Indicator Band

1шт.

20

60-1596T1

SPRING

1шт.

21

60-1585T1

FASTENER

Snap Fastener

2шт.

Выбрано товаров: 21