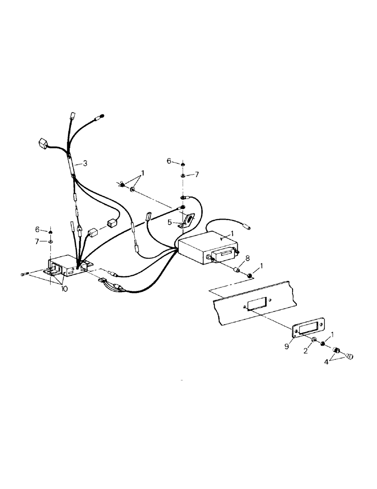
Запчасти Case IH KS-360 (01-19) - RADIO & MOUNTING, FUJITSU ELECTRONIC CASSETTE RADIO (10) - CAB

Схема запчастей Case IH KS-360 - (01-19) - RADIO & MOUNTING, FUJITSU ELECTRONIC CASSETTE RADIO (10) - CAB
5
9
1
3
8
6
7
2
1
10
4
7
6
1
1
FIT
1:1
100%

Артикул

Название

Примечание

Количество

1

60-1752T1

Electronic Cassette Radio

1шт.

2

19-5409

WASHER

Trim Washer

2шт.

3

20-1821T1

HARNESS

Adapter Wire Harness

1шт.

4

1-4357

KNOB

Set (replaces 60-1755T1 outer knob & 60-1754T1 inner knob which may no longer be purchased separately)

1шт.

5

60-1708T1

BRACKET

1шт.

6

19-567

NUT,#10-24

5шт.

7

19-467

LOCK WASHER,Ext Tooth, 1/4"

5шт.

8

5-306

SPACER

2шт.

9

60-1710T91

DECAL

/Bezel Assy

1шт.

60-1707T1

DECAL

1шт.

10

60-1499T1

Amplifier

1шт.

Выбрано товаров: 11