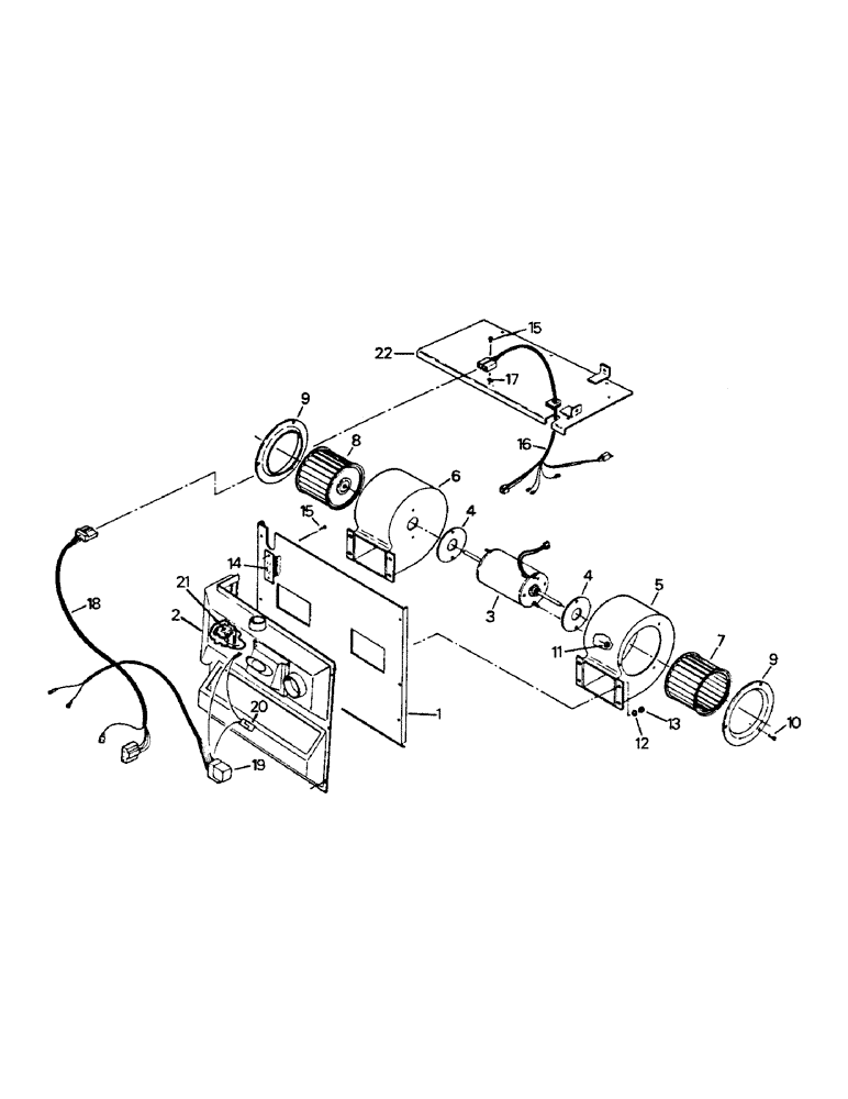
Запчасти Case IH PT225 (03-02) - A/C & HEATER BLOWER MOTOR KIT (03) - Climate Control

Схема запчастей Case IH PT225 - (03-02) - A/C & HEATER BLOWER MOTOR KIT (03) - Climate Control
10
9
3
18
11
9
17
16
12
5
21
15
14
4
6
15
22
4
19
13
1
7
8
20
2
FIT
1:1
100%

Артикул

Название

Примечание

Количество

35-1614T91

MOTOR

A/C & HEATER BLOWER MOTOR KIT, consists of 1-23

1шт.

1

60-4874T2

FRONT PANEL

1шт.

2

60-4311T1

TRANSMISSION

TRANSISTION ASSY

1шт.

60-2641T91

BLOWER

ASSY, consists of 3-11

1шт.

3

60-2564T2

BLOWER

MOTOR

1шт.

4

60-2565T1

GASKET

MOTOR GASKET

2шт.

5

60-2568T1

HOUSING

BLOWER HOUSING (right)

1шт.

6

60-2569T1

HOUSING

BLOWER HOUSING (left)

1шт.

7

60-2566T2

BLOWER

WHEEL (right)

1шт.

8

60-2629T2

BLOWER

WHEEL (left)

1шт.

9

60-2567T1

FLANGE

INLET FLANGE

2шт.

10

9426646

SELF-TAP SCREW,Hex Wash Hd, #6 x 1/4"

TAPPING SCREW

6шт.

11

231-24109

LOCK NUT,#10-32, GB

4шт.

12

19-105

WASHER,1/4", SAE

8шт.

13

19-5381

NUT

8шт.

14

60-4313T1

RESISTOR

1шт.

15

19-1027

SELF-TAP SCREW,Cross Truss Hd, #8 x 1/2"

TAPPING SCREW

3шт.

16

60-4312T1

HARNESS

WIRE HARNESS

1шт.

17

31-1291

CLAMP

1шт.

18

20-2315T1

HARNESS

ADPATER WIRE HARNESS

1шт.

19

1-7877

RELAY

1шт.

20

22-738

DIODE

1шт.

21

25-1039

THERMOSTAT

1шт.

22

NSS

NOT SOLD SEPARAT

TOP COVER

1шт.

23

R02-7303

INSTALLATION DRAWING

1шт.

Выбрано товаров: 0