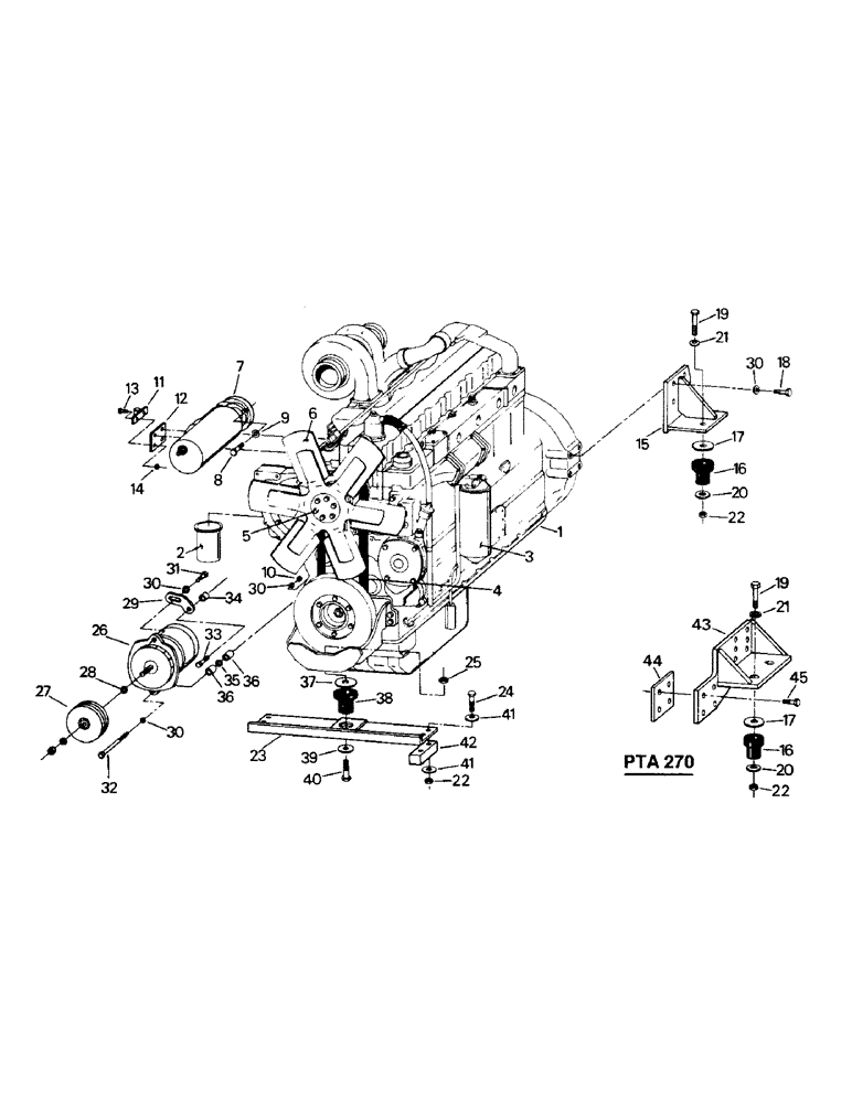
Запчасти Case IH PT225 (04-02) - ENGINE & ATTACHING PARTS, CAT 3306 ENGINE, LATER STYLE (04) - Drive Train

Схема запчастей Case IH PT225 - (04-02) - ENGINE & ATTACHING PARTS, CAT 3306 ENGINE, LATER STYLE (04) - Drive Train
41
10
11
34
29
28
30
22
40
23
33
25
17
8
30
16
7
21
37
6
19
30
9
41
13
36
16
14
20
5
20
17
3
45
30
39
43
36
22
44
19
2
15
27
31
1
38
26
4
32
21
35
42
18
22
12
24
FIT
1:1
100%

Артикул

Название

Примечание

Количество

1

1-8774

ENGINE, 3306 T (PT 225)

1шт.

90-2408T1

ENGINE, 3306 DIT (PT 225)

1шт.

1-8656

ENGINE, 3306 T (PT 250)

1шт.

90-2712T1

ENGINE, 3306 DITA (PT 250)

1шт.

1-8655

ENGINE, 3306 TA (PT 270)

1шт.

90-2409T1

ENGINE, 3306 DITA (PT 270)

1шт.

90-1409T1

ENGINE, 3306 TA (PTA 270 only)

1шт.

2

28-25

ELEMENT

FUEL FILTER

1шт.

3

28-36

FILTER

OIL FILTER

1шт.

4

6-135

SET OF BELTS,0.33" W x 63.50" L

V-Belt (3), Alternator & Fan (26" fan) (PT models) 0.33" W x 63.50" L

1шт.

90-1502T1

V-BELT,0.53" W x 69.00" L

Alternator & fan (Set of 3) (30" fan) (PT models) 0.53" W x 69.00" L

1шт.

6-96

SET OF BELTS,0.53" W x 62.50" L

(3), Alternator & Fan, PTA 270 Only 0.53" W x 62.50" L

1шт.

5

19-657

BOLT,Hex, 3/8" - 16 x 1", Gr 8

CAPSCREW (PT models)

6шт.

19-821

BOLT,Hex, 1/2" - 13 x 1 1/4", Gr 8, Full Thd

CAPSCREW (PTA 270 only)

1шт.

6

56-11

BLADE

FAN (26") (PT models)

1шт.

90-2338T1

FAN

(30") (PT models)

1шт.

2-1767T1

FAN (PT models with the DIT & DITA engines only)

1шт.

90-3824T1

FAN

(32") (PTA 270 only) (06-1597)

1шт.

7

STARTER (see fig. 2-10)

1шт.

8

19-907

12 PT SCREW,Flg, 5/8" - 11 x 2", Gr 8

CAPSCREW

3шт.

9

19-912

WASHER

3шт.

10

19-826

NUT,1/2"-13, G8

1шт.

11

20-1608T1

SOLENOID

(06-1496)

1шт.

12

55-185

BRACKET

1шт.

13

19-1

BOLT,Hex, 1/4" - 20 x 3/4", Gr 5

CAPSCREW

2шт.

14

19-76

NUT,1/4"-20, G5

ENGINE MOUNT (PT models only)

2шт.

15

1-3500

ENGINE MOUNT (PT models only)

2шт.

16

24-231

RUBBER MOUNTING

RUBBER, mount

4шт.

17

51-128

WASHER

rubber mount

4шт.

18

19-543

BOLT,Hex, 1/2" - 13 x 1 1/2", Gr 8

CAPSCREW

8шт.

19

19-256

BOLT,Hex, 5/8" - 11 x 4", Gr 5

CAPSCREW

4шт.

20

19-408

WASHER

4шт.

21

19-111

WASHER,5/8"

4шт.

22

19-222

LOCK NUT,5/8" - 11, GB

LOCK NUT

8шт.

23

1-8392

CROSS MEMBER (D)

1шт.

24

19-760

BOLT,Hex, 5/8" - 11 x 2 3/4", Gr 5

CAPSCREW (PT models)

4шт.

19-278

BOLT,Hex, 5/8" - 11 x 3 1/2", Gr 5

CAPSCREW (PTA 270 only)

1шт.

25

19-85

LOCK NUT

LOCK NUT

1шт.

26

ALTERNATOR (see fig. 2-14 or 2-15)

1шт.

27

22-746

PULLEY

1шт.

28

19-944

WASHER

1шт.

29

6-1483

STRAP

adjusting

1шт.

30

19-109

WASHER,1/2"

11шт.

31

19-821

BOLT,Hex, 1/2" - 13 x 1 1/4", Gr 8, Full Thd

CAPSCREW

1шт.

32

19-942

BOLT,Hex, 1/2" - 13 x 6 1/2", Gr 8

CAPSCREW

1шт.

33

19-909

BOLT,Hex, 1/2" - 13 x 2", Gr 8

CAPSCREW

1шт.

34

1-7146

SPACER

1шт.

35

1-7144

SPACER

1шт.

36

1-7145

SPACER

2шт.

37

19-5518

WASHER

1шт.

38

47-4172

SHOCK ABSORBER

RUBBER MT

1шт.

39

19-112

WASHER,3/4"

1шт.

40

19-556

BOLT,5/8" - 11 x 4 1/2", Gr 5

CAPSCREW (PT models)

1шт.

19-769

BOLT,Hex, 3/4" - 10 x 4", Gr 5

CAPSCREW (PTA 270 only)

1шт.

41

19-711

WASHER,5/8", SAE

(PT models)

8шт.

19-111

WASHER,5/8"

(PTA 270 only) m

4шт.

42

1-8393

SPACER (PT models)

2шт.

70-1783T1

SPACER (PTA 270 only)

1шт.

43

70-1787T1

ENGINE/TRANS MT (LH)

1шт.

70-1786T1

ENGINE/TRANS MT (RH)

1шт.

44

90-1537T1

SPACER

2шт.

45

19-839

BOLT,Hex, 5/8" - 11 x 1 3/4", Gr 8

CAPSCREW

8шт.

Выбрано товаров: 62