Запчасти Case IH PT225 (04-07) - ENGINE & ATTACHING PARTS, CUMMINS 903 ENGINE (04) - Drive Train

Схема запчастей Case IH PT225 - (04-07) - ENGINE & ATTACHING PARTS, CUMMINS 903 ENGINE (04) - Drive Train
24
6
19
24
17
14
28
23
26
12
3
10
8
7
18
21
18
29
16
24
30
31
9
18
15
1
19
23
21
25
20
4
13
11
2
20
17
22
27
18
5
FIT
1:1
100%

Артикул

Название

Примечание

Количество

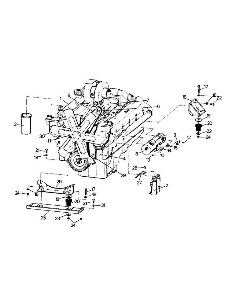
1

1-8213

ENGINE, V 903 (PTA 296)

1шт.

1-8829

ENGINE, VT 903 (PTA 297)

1шт.

1-3657

ENGINE, VT 903 (PT 350)

1шт.

2

28-35

FUEL FILTER

FUEL FITLTER

1шт.

3

1-2187

ENGINE OIL FILTER

OIL FILTER

1шт.

4

28-31

FILTER

WATER FILTER

1шт.

1-7834

FILTER

WATER FILTER (pre-charged) 28-1000 (H)

1шт.

5

1-4985

SET OF BELTS,0.53" W x 42.50" L

(2), V-Belt, Alternator (Early style) (D) 0.53" W x 42.50" L

1шт.

6-97

SET OF BELTS,0.53" W x 39.25" L

(2), Alternator, Later Style (D) 0.53" W x 39.25" L

1шт.

6

22-819

PULLEY

1шт.

7

ALTERNATOR (see fig. 2-14)

1шт.

8

STARTER (B) (see fig. 2-10)

1шт.

STARTER (B) (see fig. 2-10)

1шт.

9

20-1608T1

SOLENOID

(06-1496)

1шт.

10

55-185

BRACKET

1шт.

11

442734

CAPSCREW,1/2" - 13 x 4", Gr 8

6шт.

12

19-1

BOLT,Hex, 1/4" - 20 x 3/4", Gr 5

CAPSCREW

2шт.

13

19-76

NUT,1/4"-20, G5

2шт.

14

19-907

12 PT SCREW,Flg, 5/8" - 11 x 2", Gr 8

CAPSCREW

3шт.

15

19-912

WASHER

CAPSCREW

3шт.

16

1-3127

ENGINE MOUNT (PT 350)

2шт.

2-1523

ENGINE MOUNT (PTA 296 & PTA 297)

1шт.

17

19-256

BOLT,Hex, 5/8" - 11 x 4", Gr 5

CAPSCREW

6шт.

18

19-111

WASHER,5/8"

18шт.

19

51-128

WASHER

rubber mount

6шт.

20

24-231

RUBBER MOUNTING

RUBBER MOUNT

6шт.

21

19-57

BOLT,5/8" - 11 x 1 3/4", Gr 5

CAPSCREW

6шт.

22

19-822

BOLT,Hex, 5/8" - 11 x 1 1/2", Gr 8, Full Thd

CAPSCREW

8шт.

23

19-408

WASHER

6шт.

24

19-222

LOCK NUT,5/8" - 11, GB

12шт.

25

1-3402

CROSS MEMBER

1шт.

26

51-470

ENGINE MOUNT, front

1шт.

27

45-264

BRACKET, fuel filter

1шт.

28

19-17

BOLT,Hex, 3/8" - 16 x 1", Gr 5, Full Thd

CAPSCREW

4шт.

29

1-3850

SET OF BELTS,0.53" W x 70.50" L

(3), V-Belt, Fan 0.53" W x 70.50" L

1шт.

30

90-3824T1

FAN

(06-1597)

1шт.

31

19-711

WASHER,5/8", SAE

4шт.

1-5631

BRACKET, tube (not shown)

1шт.

Выбрано товаров: 38