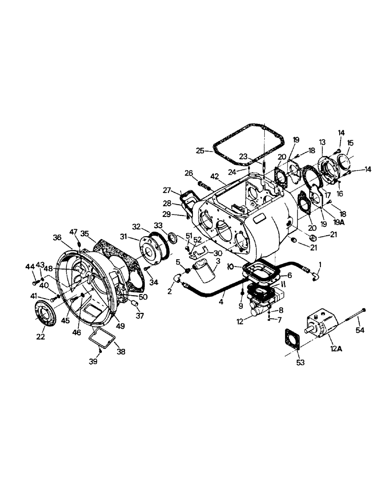
Запчасти Case IH PT225 (04-49) - PT TRANSMISSION CASE, BEARING CAPS & RELATED PARTS (04) - Drive Train

Схема запчастей Case IH PT225 - (04-49) - PT TRANSMISSION CASE, BEARING CAPS & RELATED PARTS (04) - Drive Train
21
35
30
23
34
24
5
31
19a
37
20
11
20
7
10
18
19
19
25
8
49
42
39
26
53
38
2
14
36
12a
47
46
43
13
45
1
9
54
40
51
16
21
48
32
41
6
28
15
22
14
17
3
52
50
29
12
33
44
18
4
27
FIT
1:1
100%

Артикул

Название

Примечание

Количество

1

31-466

PIPE

ELBOW

1шт.

2

31-21

ELBOW

1шт.

3

12-1665

FILTER

ASSEMBLY

1шт.

18-502

FILTER CARTRIDGE

ELEMENT

1шт.

4

12-1663

HOSE,SAE 100R1

SAE 100R1

1шт.

5

31-12

REDUCER

1шт.

6

12-1749

PLATE, adapter

1шт.

7

19-24

BOLT,3/8" - 16 x 2 1/4", Gr 5

CAPSCREW, 3/8 x 2-1/4 UNC

5шт.

19-279

BOLT,Hex, 3/8" - 16 x 3", Gr 5

CAPSCREW, 3/8 x 3 UNC

1шт.

8

12-2015

GASKET

copper

6шт.

9

12-1751

KIT

STUD KIT (includes the following 3 items)

1шт.

19-32

BOLT,Hex, 7/16" - 14 x 1", Gr 5, Full Thd

CAPSCREW, 7/16 x 1 UNC

7шт.

12-2011

PIN

DOWEL PIN

1шт.

12-2013

BOLT,Flat Hd, 7/16" - 14 x 1"

SCREW, flat head socket

2шт.

10

12-1748

GASKET

(.020)

2шт.

12-1994

GASKET

(.010)

1шт.

11

12-1747

GASKET

(.020)

1шт.

12

12-2055

PUMP

ASSEMBLY (bottom mount) (see fig. 4-50)

1шт.

12a

90-2369T91

PUMP

ASSEMBLY (rear mount) (after Aug. 80) (serviced as complete pump assy only)

1шт.

13

12-2050

CAP

BEARING CAP & SEAL ASSEMBLY (includes ref. 15)

1шт.

14

19-45

BOLT,1/2" - 13 x 1 1/2", Gr 5

CAPSCREW, 1/2 x 1-1/2 UNC

4шт.

19-47

BOLT,1/2" - 13 x 2 1/2", Gr 5

CAPSCREW, 1/2 x 2-1/2 UNC

2шт.

15

12-1500

OIL SEAL

M/S rear

1шт.

16

12-1505

PLUG

speedometer hole

1шт.

17

12-1501

GASKET

bearing cap

1шт.

18

19-17

BOLT,Hex, 3/8" - 16 x 1", Gr 5, Full Thd

CAPSCREW, 3/8 x 1 UNC

10шт.

19

12-1508

CAP

BEARING CAP, C/S rear (qty. 1 with rear mounted pump)

2шт.

19a

90-2286T1

CAP

FLANGE (for rear mounted pump)

1шт.

20

90-1715T1

GASKET

(p/n 12-1509 can be used on R.H. slide or on trans. with bottom mounted pump)

2шт.

21

12-1488

PLUG

DRAIN PLUG

2шт.

22

13-178

BRAKE

CLUTCH BRAKE (1-3/4")

1шт.

13-194

DISC

CLUTCH BRAKE (2")

1шт.

23

12-1515

STUD

2шт.

24

12-1519

PIN

DOWEL PIN

2шт.

25

12-1514

GASKET

shifter housing

1шт.

26

12-1489

PLUG

1шт.

27

2-2769

GASKET

(replaces p/n 12-1705 - code B)

1шт.

28

1-4858

PLUG, DRAIN

COVER

1шт.

29

12-1492

CAPSCREW

6шт.

30

12-1664

BRACKET

filter

1шт.

31

12-1480

CAP

& SEAL (includes ref. 33)

1шт.

32

12-1483

GASKET

bearing cap

1шт.

33

12-1482

OIL SEAL

bearing cap

1шт.

34

19-18

BOLT,Hex, 3/8" - 16 x 1 1/4", Gr 5

CAPSCREW, 3/8 x 1-1/4 UNC

4шт.

35

12-1475

GASKET

clutch housing

1шт.

36

12-1470

HOUSING

CLUTCH HOUSING (includes ref. 37-40)

1шт.

37

12-1471

BUSHING

(upper holes)

2шт.

38

12-1472

COVER

clutch housing

1шт.

39

12-1473

SCREW,Hex, 5/16" - 18 x 1", Gr 5

CAPSCREW

2шт.

40

19-711

WASHER,5/8", SAE

4шт.

41

19-675

BOLT,Hex, 5/8" - 11 x 1 1/4", Gr 5

CAPSCREW, 5/8 x 1-1/2 UNC

10шт.

42

12-2053

CASE

(includes ref. 21 & 26)

1шт.

43

19-118

LOCK WASHER,7/16"

7/16"

2шт.

44

65-59

BOLT,Hex, M10 x 60mm

CAPSCREW, 7/16 x 1-3/16 UNC

2шт.

45

19-44

BOLT,Hex, 1/2" - 13 x 1 1/4", Gr 5

CAPSCREW, 1/2 x 1-1/4 UNC

2шт.

46

19-463

WASHER,1/2", SAE

1/2

4шт.

47

13-129

WASHER

1шт.

48

13-130

SHAFT

short

1шт.

49

13-79

YOKE

release

1шт.

50

13-204

SHAFT

long

1шт.

51

19-1

BOLT,Hex, 1/4" - 20 x 3/4", Gr 5

CAPSCREW, 1/4 x 3/4 UNC

2шт.

52

19-115

LOCK WASHER,1/4"

1/4"

2шт.

53

90-2288T1

GASKET

pump

1шт.

54

186650

SCREW

CAPSCREW, 5/16 x 4-3/4 UNC

4шт.

Выбрано товаров: 64