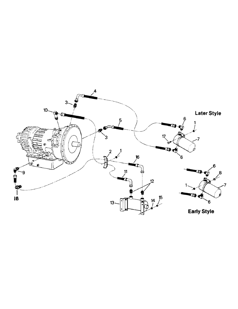
Запчасти Case IH PT225 (04-59) - PTA 251, PTA 280, PTA 310 & PTA 325 TRANSMISSION FILTER & COOLER (04) - Drive Train

Схема запчастей Case IH PT225 - (04-59) - PTA 251, PTA 280, PTA 310 & PTA 325 TRANSMISSION FILTER & COOLER (04) - Drive Train
5
6
15
17
2
1
6
12
18
1
3
1
16
14
8
10
3
4
6
7
9
13
7
11
6
FIT
1:1
100%

Артикул

Название

Примечание

Количество

1

19-341

LOCK NUT,3/8" - 16, GB

3/8 UNC

5шт.

2

51-243

HOLDER

CLAMP

1шт.

3

31-369

HYD CONNECTOR,1 5/16"-12, 37 Degree x 1 5/16"-12, O-Ring

FITTING (16)

2шт.

4

31-1399

HOSE ASSY.

HOSE ASSEMBLY

1шт.

5

31-1402

HOSE

ASSEMBLY

1шт.

6

31-1473

ELBOW,90 Degree, 1 5/16"-12, 37 Degree x 3/4"-14, NPTF

1шт.

7

1-9669

FILTER

ASSEMBLY

1шт.

2-2038

ELEMENT

1шт.

8

19-111

WASHER,5/8"

5/8 (see note)

2шт.

9

31-418

ELBOW,45 Degree, 1 5/16"-12 x 1 5/16"-12, O-Ring

(16)

1шт.

10

31-1403

ADAPTER

(16)

1шт.

11

31-1401

HOSE ASSY.

HOSE ASSEMBLY

1шт.

12

31-382

HYD CONNECTOR,1 5/16"-12, 37 Degree x 1"-11 1/2, NPTF

FITTING

2шт.

13

1-8250

COOLER

OIL COOLER

1шт.

14

19-105

WASHER,1/4", SAE

1/4

4шт.

15

19-1081

LOCK NUT

LOCK NUT, 1/2 UNC

4шт.

16

31-1595

HOSE

ASSEMBLY

1шт.

17

19-19

BOLT,Hex, 3/8" - 16 x 1 1/2", Gr 5

CAPSCREW, 3/8 x 1-1/2 UNC (see note)

4шт.

The early style filter mounting arrangement (see insert) was only on a limited number of early production models.

1шт.

18

31-1150

CLAMP

1шт.

Выбрано товаров: 20