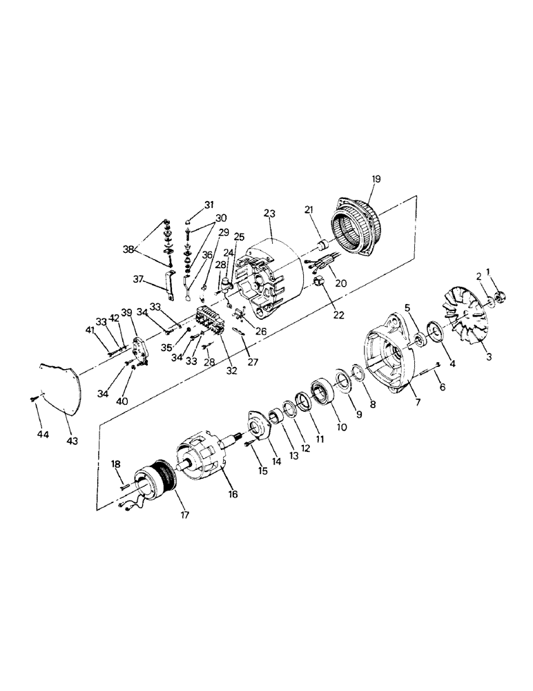
Запчасти Case IH PT225 (02-15) - ALTERNATOR, 3306 ENGINES AFTER 10-1-82 (SN2501) (06) - ELECTRICAL

Схема запчастей Case IH PT225 - (02-15) - ALTERNATOR, 3306 ENGINES AFTER 10-1-82 (SN2501) (06) - ELECTRICAL
5
33
18
26
33
22
37
34
23
43
29
28
39
10
8
11
31
15
6
34
12
1
4
32
9
20
19
33
17
14
28
42
13
24
27
34
3
16
36
7
21
44
38
35
30
40
41
25
2
FIT
1:1
100%

Артикул

Название

Примечание

Количество

20-1610T91

ALTERNATOR

ALTERNATOR (Delco 1117160)

1шт.

104258A1R

REMAN-ALTERNATOR

40A 24V

1шт.

104258A1C

CORE-ALTERNATOR

Return Number

1шт.

1

22-1024

NUT

NUT, shaft

1шт.

2

22-1144

WASHER

WASHER, shaft

1шт.

3

22-1108

FAN

FAN

1шт.

4

20-1680T1

SHIELD

SHIELD, bearing

1шт.

5

20-1681T1

COLLAR

COLLAR, outside

1шт.

6

20-1705T1

SPARE PART BOLT

1шт.

7

20-1682T1

FRAME

FRAME

1шт.

8

20-1683T1

WASHER

WASHER, felt

1шт.

9

20-1684T1

RETAINER

RETAINER PLATE

1шт.

10

20-1685T1

BEARING ASSY,25 mm ID x 62 mm OD x 17 mm

BEARING

1шт.

11

20-1686T1

SPARE PART CUP, retainer

1шт.

12

20-1687T1

WASHER

WASHER, felt

1шт.

13

20-1688T1

SPARE PART COLLAR, felt

1шт.

14

20-1689T1

LARGE PLATE

PLATE, LARGE RETAINER PLATE

1шт.

15

20-1707T1

SPARE PART SCREW

3шт.

16

20-1690T1

SPARE PART ROTOR

1шт.

17

20-1691T1

SPARE PART FIELD COIL

1шт.

18

22-1039

SCREW

SCREW

4шт.

19

20-1692T1

SPARE PART STATOR

1шт.

20

20-1693T1

SPARE PART GROMMET

1шт.

21

20-1694T1

BEARING

BEARING

1шт.

22

20-1695T1

BUSHING

SPARE PART BUSHING

1шт.

23

NSS

NOT SOLD SEPARAT

HOUSING

1шт.

24

20-1696T1

CAPACITOR

CAPACITOR

1шт.

25

20-1697T1

BRACKET

BRACKET, capacitor

1шт.

26

20-1698T1

DIODE

DIODE, trio

1шт.

27

22-1019

INSULATOR

INSULATOR

1шт.

28

22-1038

SELF-TAP SCREW

SCREW

2шт.

29

20-1699T1

SPARE PART CONNECTOR

1шт.

30

20-1700T1

PACKAGE

TERMINAL PACKAGE

1шт.

31

22-1013

CAP

CAP, relay terminal

1шт.

32

2-1317

RECTIFIER

RECTIFIER BRIDGE ASSY

1шт.

33

2-1323

WASHER

WASHER, insulated

4шт.

34

20-1708T1

SPARE PART SCREW

3шт.

35

20-1709T1

SPARE PART NUT, terminal stud

3шт.

36

20-1701T1

SPARE PART CONNECTOR

1шт.

37

20-1702T1

SPARE PART CONNECTOR, output

1шт.

38

20-1703T1

PACKAGE

TERMINAL PACKAGE

1шт.

39

20-1704T1

VALVE

REGULATOR

1шт.

40

22-1022

NUT

NUT

1шт.

41

22-1050

SCREW

SCREW

2шт.

42

22-1003

SPARE PART WASHER

2шт.

43

20-1705T1

SPARE PART COVER

1шт.

44

20-1710T1

SPARE PART SCREW

5шт.

Выбрано товаров: 47