Запчасти Case IH PT225 (08-04) - PT HYDRAULIC OIL COOLING SYSTEM (07) - HYDRAULICS

Схема запчастей Case IH PT225 - (08-04) - PT HYDRAULIC OIL COOLING SYSTEM (07) - HYDRAULICS
21
16
14
17
10
7
9
19
20
21
13
20
9
14
8
2
20
1
15
12
14
4
22
24
11
14
5
3
10
23
17
6
25
18
FIT
1:1
100%

Артикул

Название

Примечание

Количество

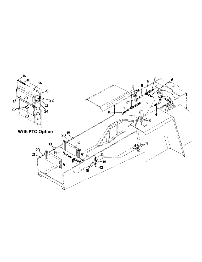
1

18-609

TEE,37 Degree, 1 1/16"-12 x 1 1/16"-12, Fem Sw Br

1шт.

2

31-503

ELBOW,90 Degree, 1 1/16"-12, 37 Degree x 1 1/16"-12, 37 Degree Fem Sw

1шт.

3

31-1477

ELBOW

1шт.

4

31-1696

HOSE

ASSEMBLY

1шт.

5

50-1023T1

VALVE

CHECK VALVE

1шт.

6

31-1693

TEE,1 1/16"-12, 37 Degree x 3/4"-14, NPTF Run

1шт.

7

31-1695

HOSE ASSEMBLY

1шт.

8

32-343

MOUNTING CLIP

CLAMP

1шт.

9

31-1698

HOSE ASSEMBLY (with PTO option)

1шт.

31-1694

HOSE

ASSEMBLY (without PTO option)

1шт.

10

31-1697

HOSE ASSEMBLY (with PTO option)

1шт.

31-1694

HOSE

ASSEMBLY (without PTO option)

1шт.

11

31-1187

CLAMP

ASSEMBLY (without PTO option only)

2шт.

12

19-9

BOLT,5/16" - 18 x 2", Gr 5

CAPSCREW, 5/16 x 2 UNC

1шт.

13

19-77

NUT,5/16"-18, G5

5/16 UNC

1шт.

14

31-340

ELBOW,90 Degree, 7/8"-14, 37 Degree x 1/2"-14, NPTF

2шт.

15

19-700

WASHER,5/16"

5/16

2шт.

16

31-1411

CLAMP

1шт.

17

10-39

COOLER

OIL COOLER

1шт.

New Part - additional P/N or P/NS is/are used after the S/N break.

1шт.

18

19-133

BOLT,Hex, 3/8" - 16 x 4", Gr 5

CAPSCREW, 3/8 x 4 UNC

2шт.

19

2-1981T1

SPACER

2шт.

20

19-107

WASHER

3/8 (qty. 2 with PTO option)

4шт.

21

19-78

SPECIAL NUT,3/8"-16, G5

3/8 UNC

2шт.

22

19-567

NUT,#10-24

#10 UNC

4шт.

23

463-41012

SCREW,Slot Hex Wash Hd, #10-24 x 3/4"

MACHINE SCREW, #10 x 3/4 UNC

4шт.

24

50-1232T1

BRACKET

2шт.

25

19-17

BOLT,Hex, 3/8" - 16 x 1", Gr 5, Full Thd

CAPSCREW, 3/8 x 1 UNC

2шт.

19-135

CABLE TIE

TY RAP (not shown)

6шт.

Выбрано товаров: 29