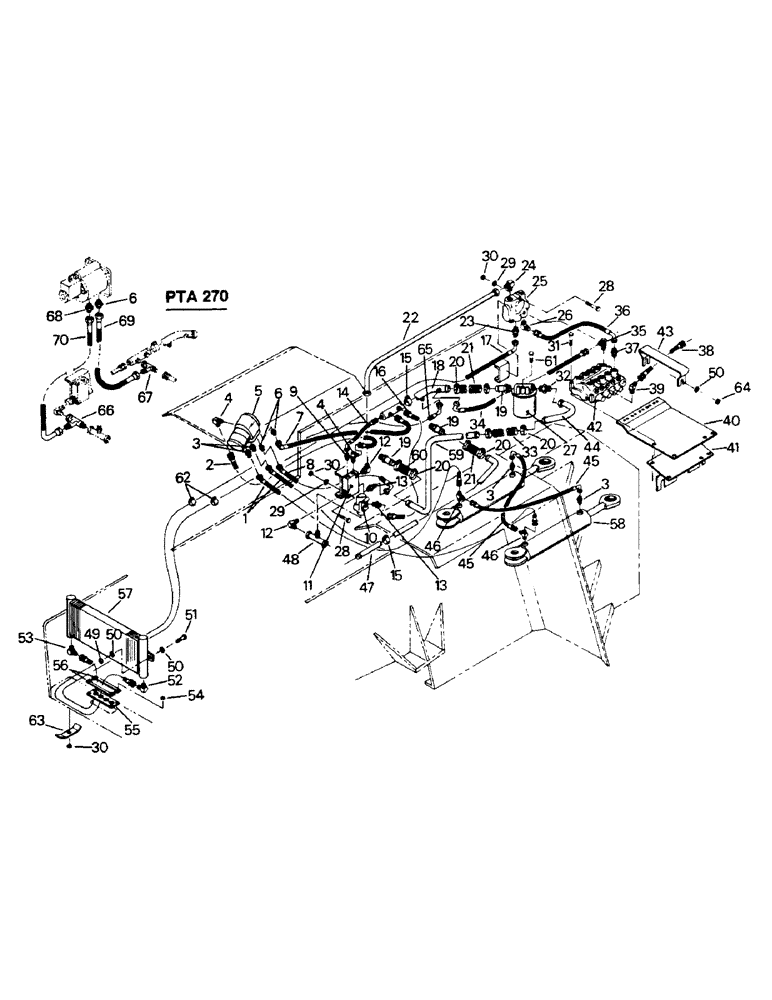
Запчасти Case IH PT225 (08-05) - PTA HYDRAULIC SYSTEM, LESS PUMP & MOUNTING (07) - HYDRAULICS

Схема запчастей Case IH PT225 - (08-05) - PTA HYDRAULIC SYSTEM, LESS PUMP & MOUNTING (07) - HYDRAULICS
13
2
19
22
62
11
27
13
16
33
35
29
30
20
23
15
41
1
45
19
50
4
63
57
46
39
49
43
20
17
58
28
21
3
40
38
26
19
3
64
28
30
53
7
34
12
3
60
36
67
55
21
32
31
6
6
5
30
50
37
56
70
29
47
50
44
52
18
20
20
65
14
48
54
69
59
12
8
15
61
24
51
25
66
10
68
42
9
45
4
46
FIT
1:1
100%

Артикул

Название

Примечание

Количество

1

31-1047

HOSE ASSY.

HOSE ASSEMBLY

2шт.

2

18-1536

HOSE

ASSEMBLY

1шт.

3

31-329

HYD CONNECTOR,3/4"-16, 37 Degree x 3/4"-16, O-Ring

FITTING (8)

4шт.

4

19-1538

ELBOW (4)

2шт.

5

18-1503

VALVE

steering control (early style)

1шт.

1-9556

VALVE, CONTROL

VALVE, steering control (later style) (shown above) (see figures 8-26 & 8-27)

1шт.

6

31-462

HYD CONNECTOR,7/8"-14, 37 Degree x 3/4"-16, O-Ring

FITTING (8) (qty. 3 on PTA 270)

2шт.

7

31-1046

HOSE

ASSEMBLY

1шт.

8

31-1044

HOSE

ASSEMBLY

1шт.

9

18-1539

HYD CONNECTOR,7/16"-20, 37 Degree x 7/16"-20, O-Ring

FITTING (4)

1шт.

10

18-1542

VALVE, PRESSURE RELI

RELIEF VALVE (early style)

1шт.

50-1209T91

VALVE, PRESSURE RELI

RELIEF VALVE (later style) (shown above ) (see figures 8-23 & 8-24)

1шт.

11

1-2391T91

VALVE

PRIORITY VALVE (see figure 8-25)

1шт.

12

31-368

ELBOW,90 Degree, 1 5/16"-12, 37 Degree x 1 1/16"-12, O-Ring

(12)

2шт.

13

18-570

HYD CONNECTOR,7/8"-14, 37 Degree x 7/8"-14, O-Ring

FITTING (10)

2шт.

14

31-1040

HOSE ASSY.

HOSE ASSEMBLY

1шт.

15

31-1151

CLAMP

ASSEMBLY

2шт.

16

31-1048

HOSE

ASSEMBLY

1шт.

17

31-1485

HOSE ASSEMBLY (PTA 296 & PTA 297)

1шт.

31-1525

HOSE

ASSEMBLY (other PTA models)

1шт.

18

1-4783

TUBE, return 1.5" OD, 31.5" Length

1шт.

19

18-1529

FITTING

3шт.

20

1-1348

CLAMP,#32, 1.87"-2.18", T-Bolt

8шт.

21

1-4571

HOSE

2шт.

22

1-4781

TUBE,1" OD, 45.5, 6" Length

ASSEMBLY

1шт.

23

31-610

HYD CONNECTOR,1 1/16"-12, 37 Degree x 1 5/16"-12, O-Ring

FITTING (16)

1шт.

24

31-479

ELBOW,90 Degree, 1 5/16"-12, 37 Degree x 1 5/16"-12, O-Ring

(16)

1шт.

25

18-1505T91

DIVIDER

FLOW DIVIDER (ssee figure 8-25)

1шт.

26

31-394

ELBOW,90 Degree, 1 1/16"-12, 37 Degree x 1 5/16"-12, O-Ring

(16)

1шт.

27

18-497

FILTER

ASSEMBLY

1шт.

18-498

FILTER, ENGINE OIL

ELEMENT

1шт.

18-669

O-RING

(used with filter element)

1шт.

28

19-1007

BOLT,Hex, 5/16" - 18 x 3", Gr 5

CAPSCREW, 5/16 x 3 UNC

4шт.

29

19-700

WASHER,5/16"

5/16

4шт.

30

19-508

LOCK NUT

LOCK NUT, 5/16 UNC

5шт.

31

19-535

BOLT,5/16" - 18 x 2 3/4", Gr 5

CAPSCREW, 5/16 x 2-3/4 UNC

3шт.

32

31-1051

HYD CONNECTOR,1 7/8"-12, 37 Degree x 1 1/4"-11 1/2, NPTF

FITTING

1шт.

33

1-5651

HOSE,1.45" ID, 1.55" ID x 8.00"

1шт.

34

31-1077

HOSE

ASSEMBLY

1шт.

35

31-326

ELBOW,90 Degree, 1 1/16"-12, 37 Degree x 1 1/16"-12, O-Ring

(12)

1шт.

36

31-1041

HOSE,19.05mm ID x 838mm L

ASSEMBLY

1шт.

37

18-783

HYD CONNECTOR,1 1/16"-12, 37 Degree x 1 1/16"-12, O-Ring

FITTING (12)

1шт.

38

31-1308

HOSE ASSY.

HOSE ASSEMBLY

8шт.

Quantity will vary depending on control valve. Quantities shown are for the 4-spool control valve

1шт.

39

31-323

ELBOW,45 Degree, 3/4"-16, 37 Degree x 3/4"-16, O-Ring

(8)

8шт.

Quantity will vary depending on control valve. Quantities shown are for the 4-spool control valve

1шт.

40

1-4169T1

LARGE PLATE

PLATE

1шт.

41

1-4396T1

ANCHOR

VALVE MOUNT

1шт.

42

CONTROL VALVE (see page 8-30 to 8-32 for the various control valves)

1шт.

43

1-4910

BRACKET, hose (qty. 2 on some early models)

1шт.

44

1-4824

TUBE,1.5 mm OD, 5.8 mm Length

return

1шт.

45

32-176

HOSE

ASSEMBLY

2шт.

46

31-507

TEE,3/4"-16, 37 Degree x 3/4"-18, O-Ring Run

(8) (later models used elbow (31-619) between tee (ref 46) and hose assy (ref 1)

2шт.

47

1-4780

TUBE,1.5" OD, 17.48, 23.5" Length

suction

1шт.

48

31-1086

FITTING

TEE (10) (PTA 296 & PTA 297)

1шт.

18-1541T91

TEE

(10) (other PTA models)

1шт.

49

19-341

LOCK NUT,3/8" - 16, GB

3/8 UNC

2шт.

50

19-107

WASHER

3/8

6шт.

51

19-133

BOLT,Hex, 3/8" - 16 x 4", Gr 5

CAPSCREW, 3/8 x 4 UNC (PTA 296 & PTA 297)

2шт.

19-18

BOLT,Hex, 3/8" - 16 x 1 1/4", Gr 5

CAPSCREW, 3/8 x 1-1/4 UNC (other PTA models)

1шт.

52

31-1475

ELBOW,90 Degree, 1 1/16"-12, 37 Degree x 1/2"-14, NPTF

(all models)

1шт.

53

31-666

HYD CONNECTOR,1 1/16"-12, 37 Degree x 1/2"-14, NPTF

FITTING (PTA 296 & PTA 297)

1шт.

31-1475

ELBOW,90 Degree, 1 1/16"-12, 37 Degree x 1/2"-14, NPTF

(other PTA models) (shown above)

1шт.

54

19-76

NUT,1/4"-20, G5

1/4 UNC

4шт.

55

1-4627

CAP

DUST CAP

1шт.

56

1-4628

COVER

2шт.

57

10-39

COOLER

OIL COOLER

1шт.

58

1-3752

CYLINDER

STEERING CYLINDER (early style)

2шт.

1-7774T91

CYLINDER

STEERING CYLINDER (later style) (see figures 8-28 & 8-29)

1шт.

59

1-4825

TUBE

return

1шт.

60

1-6220

HOSE,1.45" ID, 1.55" ID x 6.00"

1шт.

61

19-288

BOLT,Hex, 5/16" - 18 x 5/8", Gr 5, Full Thd

CAPSCREW, 5/16 x 5/8 UNC

2шт.

62

31-1187

CLAMP

ASSEMBLY (qty. 2 on PTA 296 & PTA 297)

4шт.

63

51-243

HOLDER

CLAMP, hose

1шт.

64

19-78

SPECIAL NUT,3/8"-16, G5

3/8 UNC

2шт.

65

31-1486

HOSE

ASSEMBLY (PTA 296 & PTA 297)

1шт.

31-1525

HOSE

ASSEMBLY (other PTA models)

1шт.

66

31-1689

TEE,37 Degree, 1 5/16"-12 x 1 5/16"-12, Fem Sw Run

(PTA 270 only)

1шт.

67

31-495

TEE,37 Degree, 7/8"-14 x 7/8"-14, Fem Sw Run

(PTA 270 only)

1шт.

68

31-1415

HYD CONNECTOR,1 1/16"-12, 37 Degree x 3/4"-16, O-Ring

FITTING (8) (PTA 270 only)

1шт.

69

31-1682

HOSE

ASSEMBLY (PTA 270 only)

1шт.

70

31-1681

HOSE ASSEMBLY (PTA 270 only)

1шт.

35-1288T91

NO LONGER SERVICED

LINE LOCK KIT, available to stop hydraulic flow to or from one hydraulic coupler to set hydraulic cylinders at a certain deoth or prevent fluid bleed down

1шт.

Выбрано товаров: 83