Запчасти Case IH PT225 (08-12A) - HYDRAULIC PUMP & ATTACHING PARTS, CAT 3406 ENGINE (07) - HYDRAULICS

Схема запчастей Case IH PT225 - (08-12A) - HYDRAULIC PUMP & ATTACHING PARTS, CAT 3406 ENGINE (07) - HYDRAULICS
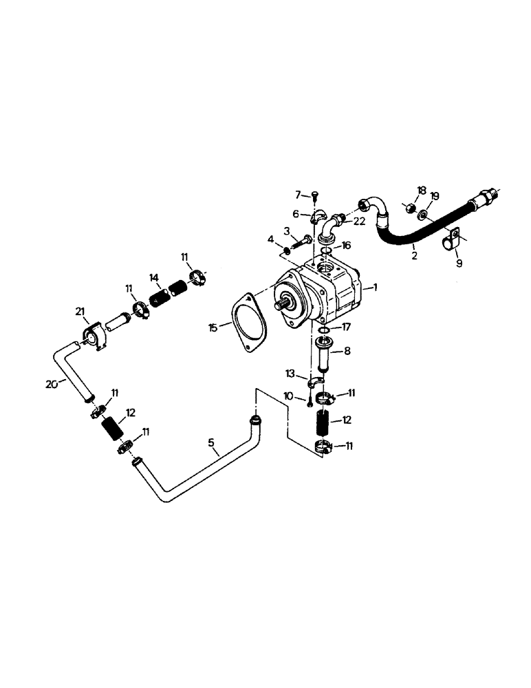
1
7
19
11
22
3
12
11
11
11
2
8
12
13
18
20
11
17
9
5
6
15
21
14
16
10
4
11
FIT
1:1
100%

Артикул

Название

Примечание

Количество

1

HYDRAULIC PUMP ASSY (see figure 8-22A)

1шт.

2

31-2355

HOSE

1шт.

3

19-941

BOLT,Hex, 1/2" - 13 x 1 3/4", Gr 8

CAPSCREW

2шт.

4

19-5603

WASHER,17/32" x 1 1/16" x .095", HDN

2шт.

5

50-2058T1

TUBE

1шт.

6

1-3526

COUPLING FLANGE

SPLIT FLANGE

2шт.

7

19-18

BOLT,Hex, 3/8" - 16 x 1 1/4", Gr 5

CAPSCREW

4шт.

8

31-2275

ADAPTER

1шт.

9

32-343

MOUNTING CLIP

CLAMP

1шт.

10

19-44

BOLT,Hex, 1/2" - 13 x 1 1/4", Gr 5

CAPSCREW

4шт.

11

31-1283

MOUNTING CLIP

CLAMP

6шт.

12

1-4571

HOSE

2шт.

13

31-1911

FLANGE

SPLIT FLANGE

2шт.

14

1-4483

HOSE,1.45" ID, 1.55" ID x 15.00"

1.45" ID, 1.55" ID x 15.00"

1шт.

15

18-1176

GASKET

1шт.

16

31-1097

O-RING,0.139" Thk x 1.296" ID, -219, Cl 6, 90 Duro

1шт.

17

31-1328

O-RING,0.139" Thk x 1.859" ID, -225, Cl 6, 90 Duro

1шт.

18

19-341

LOCK NUT,3/8" - 16, GB

1шт.

19

19-107

WASHER

1шт.

20

50-2057T1

TUBE

1шт.

21

31-1151

CLAMP

2шт.

22

31-2035

ELBOW

ADAPTER

1шт.

Выбрано товаров: 22