Запчасти Case IH PT225 (08-26) - STEERING CONTROL VALVE (07) - HYDRAULICS

Схема запчастей Case IH PT225 - (08-26) - STEERING CONTROL VALVE (07) - HYDRAULICS
19
24
8
22
4
17
6
11
12
20
23
16
5
10
3
21
2
4
15
9
14
18
13
19
7
5
1
4
FIT
1:1
100%

Артикул

Название

Примечание

Количество

18-1503

VALVE

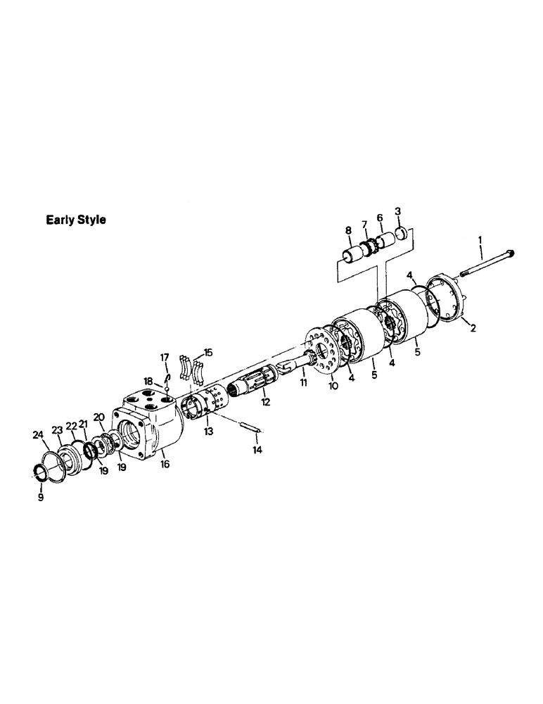
STEERING CONTROL VALVE, consists of 1-24

1шт.

Superseded - Old P/N can be used up on all models prior to S/N break only. New P/N must be used after S/N break. Order new P/N when old stock is depleted as it will work for all.

1шт.

1

18-1734

BOLT,Hex, 5/8" - 11 x 2", Gr 5

7шт.

2

18-1678

CAP

end

1шт.

3

18-1679

PLUG

gerotor

1шт.

4

18-1680

O-RING,0.07" Thk x 2.864" ID, -40, Cl 5, 75 Duro

3шт.

5

18-1733

GEAR-SET

GEAR SET

2шт.

6

18-1735

SPACER

1шт.

7

18-1683

SPLINE

1шт.

8

18-1736

SPACER

1шт.

9

18-137

OIL SEAL

oil

1шт.

10

18-1686

PLATE

spacer

1шт.

11

18-1687

DRIVE

1шт.

18-1688

CONTROL PARTS ASSEMBLY, consists of 12-18

1шт.

12

NSS

NOT SOLD SEPARAT

SPOOL, control

1шт.

13

NSS

NOT SOLD SEPARAT

SLEEVE, control

1шт.

14

18-157

PIN

1шт.

15

18-1689

SPRING

CENTERING SPRING

6шт.

16

NSS

NOT SOLD SEPARAT

HOUSING

1шт.

17

18-1690

CLIP

retainer

1шт.

18

18-1691

BALL

steel

1шт.

19

18-1692

RACE

thrust

2шт.

20

18-1693

NEEDLE BEARING

BEARING, needle thrust

1шт.

21

18-144

SEAL

quad ring

1шт.

22

18-1694

O-RING,0.139" Thk x 1.859" ID, -225, Cl 5, 75 Duro

1шт.

23

18-1695

BUSHING

seal gland

1шт.

24

18-1696

SEALING RING

SNAP RING

1шт.

Выбрано товаров: 27