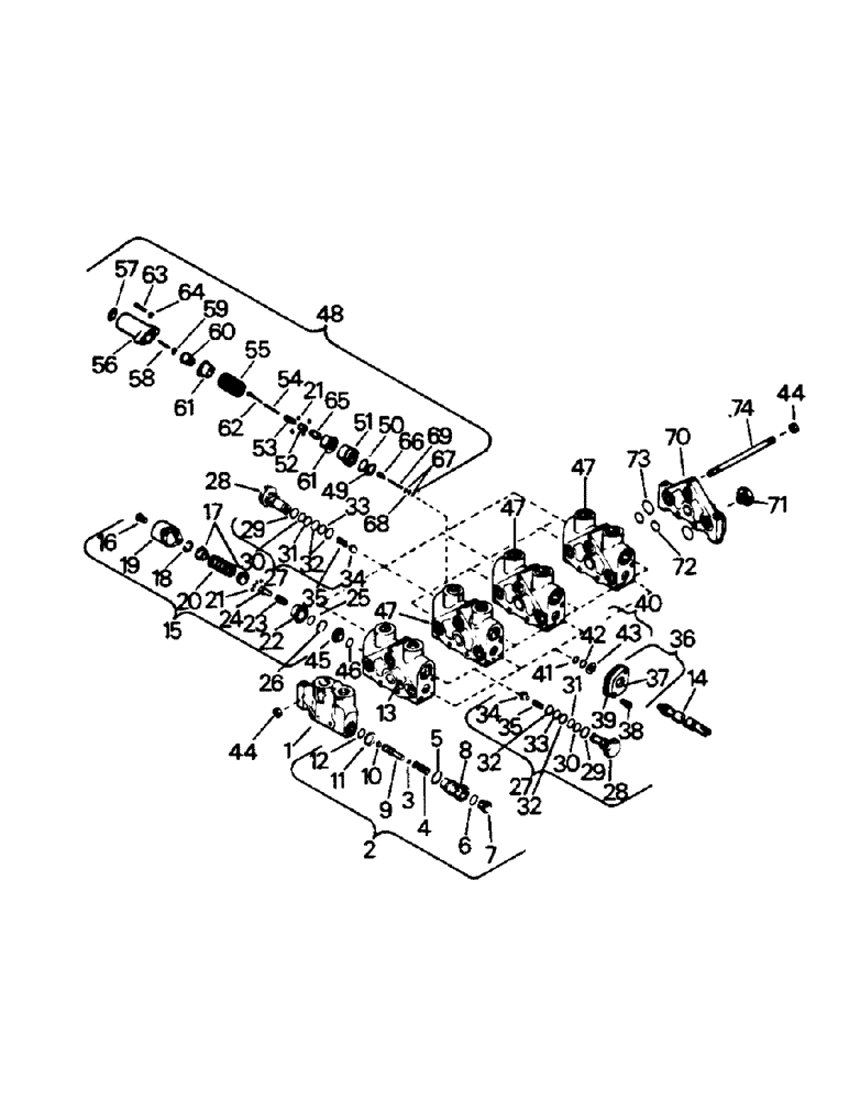
Запчасти Case IH PT225 (08-30) - CONTROL VALVE (07) - HYDRAULICS

Схема запчастей Case IH PT225 - (08-30) - CONTROL VALVE (07) - HYDRAULICS
68
47
45
53
25
50
72
24
8
4
12
10
7
54
31
67
9
32
63
74
38
2
21
35
71
61
60
1
51
13
73
28
20
65
44
32
34
69
21
48
41
43
22
3
16
56
23
34
17
18
40
37
11
33
64
55
5
27
15
14
6
30
49
59
61
26
33
32
35
19
39
66
47
29
31
58
29
42
62
27
28
30
52
70
46
44
57
36
47
FIT
1:1
100%

Артикул

Название

Примечание

Количество

50-1398T91

VALVE

3-SPOOL VALVE ASSEMBLY

1шт.

50-1396T91

VALVE

4-SPOOL VALVE ASSEMBLY (replaces P/N 01-2363T92 - code B)

1шт.

50-1397T91

VALVE

5-SPOOL VALVE ASSEMBLY (replaces P/N 01-2364T92 - code B)

1шт.

1

18-1714

PLATE

left cover (includes ref. 2)

1шт.

NSS

NOT SOLD SEPARAT

COVER

1шт.

2

18-1703

VALVE, PRESSURE RELI

RELIEF ASSEMBLY (includes ref. 3-12)

1шт.

A recent change was made to the control valve relief assembly decreasing the pressure from 3000 P.S.I. to 2250 P.S.I. Coordinated with this change to the relief assembly were pressure changes to the main relief valve and to the cartridge in the priority valve. When ordering either a new control valve or just the relief assembly, the latest style (2250 P.S.I. - as stamped on the end of the cartridge) should be ordered and the appropriate pressure changes made to the main relief valve and priority valve to a

1шт.

3

18-1509

SHIM

(.010)

1шт.

NSS

NOT SOLD SEPARAT

SHIM (.020)

1шт.

NSS

NOT SOLD SEPARAT

SHIM (.040)

1шт.

4

NSS

NOT SOLD SEPARAT

SPRING

1шт.

5

NSS

NOT SOLD SEPARAT

O-RING (see ref. 78)

1шт.

6

NSS

NOT SOLD SEPARAT

O-RING (see ref. 78)

1шт.

7

NSS

NOT SOLD SEPARAT

CAP, relief spring

1шт.

8

NSS

NOT SOLD SEPARAT

BODY, relief valve

1шт.

9

NSS

NOT SOLD SEPARAT

POPPET (see ref. 77)

1шт.

10

NSS

NOT SOLD SEPARAT

SEAL (see ref. 77)

1шт.

11

NSS

NOT SOLD SEPARAT

WASHER, back-up (see ref. 78)

1шт.

12

NSS

NOT SOLD SEPARAT

SEAL (see ref. 78)

1шт.

13

18-1716

KNIFE SECTION

SECTION, float (includes ref. 14, 15, 27, 36, 40 & 44)

1шт.

NSS

NOT SOLD SEPARAT

HOUSING, float section

1шт.

14

NSS

NOT SOLD SEPARAT

SPOOL

4шт.

15

18-882

FLOAT

POSITIONER ASSEMBLY, float (includes ref. 16-26)

1шт.

16

18-712

SCREW

2шт.

17

18-826

COLLAR ASSY.

COLLAR

2шт.

18

NSS

NOT SOLD SEPARAT

RING, retaining

1шт.

19

NSS

NOT SOLD SEPARAT

BONNET

1шт.

20

NSS

NOT SOLD SEPARAT

SPRING, centering

1шт.

21

NSS

NOT SOLD SEPARAT

BALL, detent

4шт.

22

NSS

NOT SOLD SEPARAT

SLEEVE, detent

1шт.

23

NSS

NOT SOLD SEPARAT

SPRING, detent

1шт.

24

NSS

NOT SOLD SEPARAT

FOLLOWER, detent ball

1шт.

25

NSS

NOT SOLD SEPARAT

SEAL, quad rign

1шт.

26

NSS

NOT SOLD SEPARAT

O-RING

1шт.

27

18-876

PLUG

load check assembly (includes ref. 28, 34, 35 & 75)

8шт.

3-pt. reflief cartridge P/N 01-5974 replaces the load check plug on the control valve and is used to limit the down force on the lift cylinders to 500 P.S.I.

1шт.

28

NSS

NOT SOLD SEPARAT

PLUG, lift check

8шт.

29

NSS

NOT SOLD SEPARAT

O-RING (see ref. 75 & 76)

8шт.

30

NSS

NOT SOLD SEPARAT

WASHER, back-up (see ref. 75 & 76)

8шт.

31

NSS

NOT SOLD SEPARAT

O-RING (see ref. 75 & 76)

8шт.

32

NSS

NOT SOLD SEPARAT

WASHER, back-up (see ref. 75 & 76)

16шт.

33

NSS

NOT SOLD SEPARAT

O-RING (see ref. 75 & 76)

8шт.

34

NSS

NOT SOLD SEPARAT

POPPET, lift check

8шт.

35

NSS

NOT SOLD SEPARAT

SPRING, lift check

8шт.

36

18-1704

RETAINER

spool seal (includes ref. 37-39)

4шт.

37

NSS

NOT SOLD SEPARAT

PLATE

4шт.

38

18-1702

SCREW

& LOCK WASHER

8шт.

39

NSS

NOT SOLD SEPARAT

PLATE

4шт.

40

18-878

SEAL

ASSEMBLY (incl 1 each of ref. 41-43)

4шт.

41

NSS

NOT SOLD SEPARAT

SEAL (see ref. 76)

4шт.

42

NSS

NOT SOLD SEPARAT

WASHER, back-up (see ref. 76)

4шт.

43

NSS

NOT SOLD SEPARAT

RETAINER, seal (see ref. 76)

4шт.

44

18-909

LOCK NUT

NUT

6шт.

45

18-895

LARGE PLATE

PLATE

3шт.

46

NSS

NOT SOLD SEPARAT

O-RING (see ref. 76 & 80)

3шт.

47

1-3524

HYD VALVE SECTION

SECTION, knockout (includes ref. 14, 27, 36, 40 & 48) (see ref. 79)

3шт.

NSS

NOT SOLD SEPARAT

HOUSING, knockout section

3шт.

48

1-3549

LEVER

POSITIONER ASSEMBLY, knockout (see ref. 80)

3шт.

49

NSS

NOT SOLD SEPARAT

O-RING (see ref. 80)

3шт.

50

NSS

NOT SOLD SEPARAT

RING, back-up (see ref. 80)

3шт.

51

NSS

NOT SOLD SEPARAT

SLEEVE, detent

3шт.

52

NSS

NOT SOLD SEPARAT

FOLLOWER, ball

3шт.

53

NSS

NOT SOLD SEPARAT

SPRING

3шт.

54

NSS

NOT SOLD SEPARAT

SPRING

3шт.

55

NSS

NOT SOLD SEPARAT

SPRING

3шт.

56

NSS

NOT SOLD SEPARAT

BONNET

3шт.

57

2-3815T1

PLUG

button

3шт.

58

NSS

NOT SOLD SEPARAT

SET SCREW

3шт.

59

NSS

NOT SOLD SEPARAT

LOCK NUT

3шт.

60

NSS

NOT SOLD SEPARAT

COLLAR, spool

3шт.

61

NSS

NOT SOLD SEPARAT

COLLAR, spring

6шт.

62

NSS

NOT SOLD SEPARAT

GUIDE, spring

3шт.

63

NSS

NOT SOLD SEPARAT

SCREW

6шт.

64

NSS

NOT SOLD SEPARAT

PLATE, bearing

6шт.

65

NSS

NOT SOLD SEPARAT

PLUNGER, knockout

3шт.

66

NSS

NOT SOLD SEPARAT

GUIDE, piston

3шт.

67

NSS

NOT SOLD SEPARAT

RING, back-up (see ref. 80)

6шт.

68

NSS

NOT SOLD SEPARAT

O-RING, (see ref. 80)

3шт.

69

NSS

NOT SOLD SEPARAT

ROLLER, needle

3шт.

70

50-1188T1

LARGE PLATE

COVER, right (includes ref. 71)

1шт.

NSS

NOT SOLD SEPARAT

PLATE

1шт.

71

31-1594

PLUG,Hex Hd, 1 3/16"-12 ORB

(14) (see note)

1шт.

72

NSS

NOT SOLD SEPARAT

O-RING (see ref. 81)

10шт.

73

NSS

NOT SOLD SEPARAT

O-RING (see ref. 81)

10шт.

74

18-908

STUD

(3-spool valve)

3шт.

18-1037

STUD,Flg, 3/8" x 9 1/2"

(4-spool valve)

3шт.

18-1038

STUD,3/8" - 24 x 11.50"

(5-spool valve)

3шт.

75

2-4786T1

SEAL KIT

KIT, load check assembly (includes ref. 29-33)

1шт.

76

18-962

SEAL KIT

KIT, complete for float bank or spool section of detent only (includes ref. 29-33, 41-43 & 46)

1шт.

77

18-1417

SEAL

RELIEF POPPET & SEAL ASSEMBLY (includes ref. 9 & 10)

1шт.

78

18-1418

SEAL KIT

SEAL KIT, relief body (includes ref. 5, 6, 11 & 12)

1шт.

79

35-1059

SEAL KIT

KIT, complete for knockout section

1шт.

80

35-1277T91

SEAL

KIT, postioner assembly, knockout (includes ref. 46, 49, 50, 67 & 68)

1шт.

81

1-8344

SEAL KIT

O-RING KIT (includes 2 each of ref. 72 & 73)

1шт.

35-1160

KIT

4-SPOOL TO 5-SPOOL VALVE KIT (includes knockout section, coupler, cables, control lever, hoses & necessary seals)

1шт.

35-1382T91

KIT

4-SPOOL TO 5-SPOOL VALVE KIT (same as a above except new couplers)

1шт.

Выбрано товаров: 96