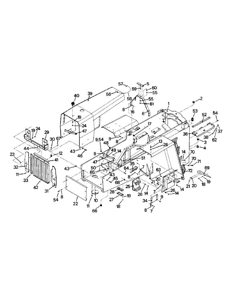
Запчасти Case IH PT225 (06-03) - FRONT FRAME, LATER STYLE (12) - FRAME

Схема запчастей Case IH PT225 - (06-03) - FRONT FRAME, LATER STYLE (12) - FRAME
59
23
29
62
55
57
58
24
9
43
8
56
49
63
47
65
1
52
7
64
60
28
54
31
18
45
8
37
22
20
2
47
8
26
51
50
68
66
19
67
40
43
21
14
19
36
38
5
34
14
72
19
35
42
3
70
71
32
25
69
44
30
9
11
55
54
53
6
14
7
33
20
11
14
7
13
24
46
39
8
43
10
48
16
27
14
70
26
18
19
21
12
26
8
41
9
54
17
4
8
61
15
FIT
1:1
100%

Артикул

Название

Примечание

Количество

1

FRONT FRAME ASSY (incl refs. 2, 3 & 4) (special order)

1шт.

2

1-4086

BUSHING

(2 on top - 2 on bottom)

4шт.

3

1-3884

BUSHING

(1.19" below shoulder) (qty 2 on some early models)

1шт.

4

70-1029T1

BUSHING

1.44" below shoulder, not used on some early models

1шт.

P/N 70-1029T1 relaces 1 of bushing p/n 01-3884 on later models, a spacer, Ref. 19 on center yoke, must be used with bushing 1-3884, but is not required with bushing p/n 70-1029T1

1шт.

5

1-4073

FOAM

PAD

1шт.

6

1-3783

HOOD REST

1шт.

7

19-78

SPECIAL NUT,3/8"-16, G5

1шт.

8

19-107

WASHER

1шт.

9

19-17

BOLT,Hex, 3/8" - 16 x 1", Gr 5, Full Thd

CAPSCREW

1шт.

10

1-3458

COVER, filter (not used on PTA 251, 270, 280, 210 & 325)

1шт.

11

19-2

BOLT,Hex, 1/4" - 20 x 1", Gr 5

CAPSCREW

9шт.

12

1-8812

SPRING

2шт.

13

19-44

BOLT,Hex, 1/2" - 13 x 1 1/4", Gr 5

CAPSCREW

1шт.

14

19-81

NUT,1/2"-13, G5

1шт.

15

1-4611

FENDER BRACE (right)

1шт.

1-5547

FENDER BRACE (left) (only used on PTA 296, 297, PT 350 & some early PTA 325 models)

1шт.

16

232-4136

LOCK NUT,3/8"-16, GC

4шт.

17

31-1738

GROMMET

2шт.

18

19-76

NUT,1/4"-20, G5

1шт.

19

19-223

WASHER,1/4"

1шт.

20

22-832T1

REFLECTOR

(22-832)

4шт.

Superseded - Old P/N can be used for all models, but order new P/N when stock is depleted.

1шт.

21

281-1458

SELF-TAP SCREW,Hex Wash Hd, #10 x 1/2"

SCREW, tapping

8шт.

22

1-7020T1

GRILLE

SCREEN

1шт.

23

19-388

SELF-TAP SCREW,Hex Wshr Hd, 1/4" x 1 1/4"

SCREW, tapping

6шт.

24

280129

NUT,1/4"-20

(19-417 capscrew is used on the hood sight on later models)

8шт.

25

51-449

STEP

(RH is not standard on later PT's)

2шт.

26

19-109

WASHER,1/2"

1шт.

27

1-4628

COVER

1шт.

28

1-4627

CAP

DUST CAP

1шт.

29

1-7127

HOOD

PIVOT

1шт.

Superseded, old P/N must be used on models prior to S/N break new P/N will fit models after the S/N break only

1шт.

30

9421140

PIN

CLEVIS PIN

2шт.

31

1-4036

SCREEN

1шт.

32

1-4037

SCREEN

1шт.

33

1-6985

ANGLE, grille

2шт.

34

1-6195

GUARD, exhaust (left)

1шт.

1-6823

GUARD, exhaust (right) (PTA 296, 297 & PT 350 only)

1шт.

35

1-6826

STEP

1шт.

36

1-3826

TRAY

battery

2шт.

37

19-803

NUT, WING

WING NUT

6шт.

38

1-1946

TRUSS ROD

ROD, battery hold down

6шт.

39

1-4033

HOOD (PT models)

1шт.

2-1212T1

HOOD (PTA 296 & 297)

1шт.

70-1446T91

HOOD

(PTA 251, 270, 280, 310 & 325), BSN 2518, Serial Range: -2518

1шт.

70-2653T91

HOOD (PTA models), ASN 2518 (effective 12-18-82), Start Serial: 2518

1шт.

40

1-549

HOOD

SIGHT

1шт.

41

1-6852

FOAM PAD

1шт.

42

1-6989

GRILLE

SCREEN GRILLE

1шт.

Superseded, old P/N must be used on models prior to S/N break new P/N will fit models after the S/N break only

1шт.

43

19-111

WASHER,5/8"

8шт.

44

19-222

LOCK NUT,5/8" - 11, GB

2шт.

45

19-839

BOLT,Hex, 5/8" - 11 x 1 3/4", Gr 8

CAPSCREW

2шт.

46

19-675

BOLT,Hex, 5/8" - 11 x 1 1/4", Gr 5

CAPSCREW

4шт.

47

1-535

LATCH, hood (right), BSN 2518, Serial Range: -2518

1шт.

70-2227T1

LATCH, hood (right), ASN 2518 (effective 12-18-82), Start Serial: 2518

1шт.

1-538

LATCH

hood (left), BSN 2518, Serial Range: -2518

1шт.

70-2217T1

LATCH, hood (left), ASN 2518 (effective 12-18-82), Start Serial: 2518

1шт.

48

1-6176

LEVER, Serial Range: -2518

1шт.

70-2250T1

LEVER, Start Serial: 2518

1шт.

49

1-6171

BUSHING

(PT 225, 250, 270, 350, PTA 296 & 297)

1шт.

2-3491T1

BUSHING

(PTA 251, 270, 280, 310 & 325)

1шт.

50

11-16

SPRING

BSN 2518, Serial Range: -2518

1шт.

19-5919

SPRING

ASN 2518 (effective 12-18-82), Start Serial: 2518

1шт.

51

19-5696

PIN

PULL PIN

1шт.

52

1-4165

BATTERY BOX

HOLD DOWN, battery

2шт.

53

2-4499T1

MOLDING

1шт.

54

19-16

BOLT,Hex, 3/8" - 16 x 3/4", Gr 5

CAPSCREW

1шт.

1-545

LATCH

HOOD LATCH ASSY, consists of 55-61

1шт.

55

19-463

WASHER,1/2", SAE

2шт.

56

281-1438

SELF-TAP SCREW,Hex Wash Hd, #6 x 1/2"

SCREW, tapping

1шт.

57

19-5768

PIN

CLIP PIN

1шт.

58

2-4120T1

CABLE

Lanyard

1шт.

59

2-4121T1

PIN

1шт.

60

19-93

NUT,1/2"-20, G5

1шт.

61

231-2448

LOCK NUT,1/2"-20, GB

1шт.

62

19-700

WASHER,5/16"

6шт.

63

22-95

GROMMET

2шт.

64

19-45

BOLT,1/2" - 13 x 1 1/2", Gr 5

CAPSCREW

4шт.

65

1-6911

CLOSURE (w/o PTO)

3шт.

66

1-6912

CLOSURE (w/o PTO)

1шт.

67

19-170

COTTER PIN,1/16" x 3/4"

Pin, Split (Cotter), 1/16" x 3/4"

2шт.

68

19-408

WASHER

2шт.

69

1-8435

COVER, wire (early style) (shown above)

2шт.

70-2379T2

COVER

wire (left) (70-2379T1) (later style)

1шт.

P/N 70-2379T2 and 70-2309T2 can be identified by the studs welded to the back of the cover whereas cover p/n 01-8435 does not have these studs

1шт.

Superseded - Old P/N can be used for all models, but order new P/N when stock is depleted.

1шт.

70-2309T2

COVER

wire (right) (70-2309T1) (later style)

1шт.

P/N 70-2379T2 and 70-2309T2 can be identified by the studs welded to the back of the cover whereas cover p/n 01-8435 does not have these studs

1шт.

Superseded - Old P/N can be used for all models, but order new P/N when stock is depleted.

1шт.

70

19-119

LOCK WASHER,1/2"

1/2"

4шт.

71

19-44

BOLT,Hex, 1/2" - 13 x 1 1/4", Gr 5

CAPSCREW

4шт.

72

1-9890

EXTENSION

RUNG (left)

1шт.

1-9893

EXTENSION

RUNG (right)

1шт.

Выбрано товаров: 95