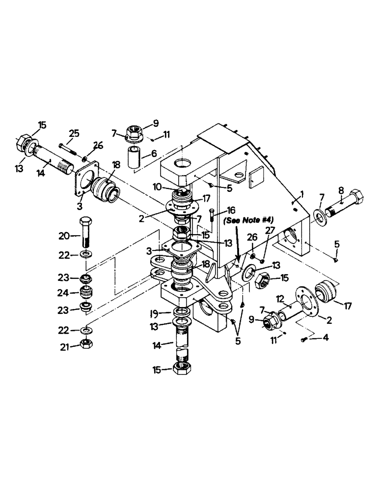
Запчасти Case IH PT225 (06-06) - CENTER YOKE (12) - FRAME

Схема запчастей Case IH PT225 - (06-06) - CENTER YOKE (12) - FRAME
11
17
19
7
24
26
7
23
7
2
15
1
16
5
13
10
18
12
9
18
26
3
2
20
14
13
13
17
14
6
21
5
23
22
8
22
15
7
9
3
15
13
15
5
25
4
11
27
FIT
1:1
100%

Артикул

Название

Примечание

Количество

1a

70-2187T1

X

CENTER YOKE (BSN 2536) (repl 01-3218T1)

1шт.

This spacer is only used on models with bushing p/n 01-3884 (1.19" below shoulder) on the lower hinge support of the front frame. This spacer is not used with bushing p/n 70-1029T1 (1.44" below shoulder) in this location. The difference between the yokes in 1A is in the method used to attach the ref. 3 retainer. 01-3218T1 was tapped to use ref. 25A. 70-2187T1 & 70-2623T91 are drilled and use refs. 25B, 26 & 27. 70-2623T91 will replace earlier yokes, but the hanger bearing as shown figure 4-63 must also

1шт.

1b

70-2623T91

CENTER YOKE (ASN 2536) (w/hanger bearing) (see figure 4-63)

1шт.

2

42-3

RETAINER

RETAINING RING

2шт.

3

1-3868T1

CAP

RETAINING RING

2шт.

4

19-17

BOLT,Hex, 3/8" - 16 x 1", Gr 5, Full Thd

CAPSCREW

12шт.

5

31-93

FITTING

LUBE FITTING

1шт.

6

1-4163

SPACER

1шт.

7

1-4088

WASHER,45mm ID x 69.9mm OD x 6.35mm Thk

4шт.

8

1-4087

PIN

KING PIN

1шт.

9

2-17

NUT

king pin

2шт.

10

52-70

PIN

KING PIN

1шт.

11

483-1256

SET SCREW,Hex Soc, 1/4"-20 x 3/8"

2шт.

12

1-3435

SPACER

1шт.

13

1-3966

SPACER

WASHER

4шт.

14

1-3967

PIN

KING PIN

1шт.

15

1-3968

NUT

king pin

4шт.

16

19-941

BOLT,Hex, 1/2" - 13 x 1 3/4", Gr 8

CAPSCREW (19-045)

4шт.

This spacer is only used on models with bushing p/n 01-3884 (1.19" below shoulder) on the lower hinge support of the front frame. This spacer is not used with bushing p/n 70-1029T1 (1.44" below shoulder) in this location. The difference between the yokes in 1A is in the method used to attach the ref. 3 retainer. 01-3218T1 was tapped to use ref. 25A. 70-2187T1 & 70-2623T91 are drilled and use refs. 25B, 26 & 27. 70-2623T91 will replace earlier yokes, but the hanger bearing as shown figure 4-63 must also

1шт.

17

15-40

BUSHING

UNIBALL

2шт.

18

1-3965

SPHERICAL BEARING,57.2mm ID x 111.13mm OD x 127mm W

UNIBALL

2шт.

19

1-7208

SPACER

1шт.

This spacer is only used on models with bushing p/n 01-3884 (1.19" below shoulder) on the lower hinge support of the front frame. This spacer is not used with bushing p/n 70-1029T1 (1.44" below shoulder) in this location. NOTE #2: The difference between the yokes in 1A is in the method used to attach the ref. 3 retainer. 01-3218T1 was tapped to use ref. 25A. 70-2187T1 & 70-2623T91 are drilled and use refs. 25B, 26 & 27. NOTE #3: 70-2623T91 will replace earlier yokes, but the hanger bearing as shown page

1шт.

20

19-915

BOLT,1 1/2" - 12 x 5 1/4", Gr 8

CAPSCREW

2шт.

21

19-916

NUT

JAM NUT

2шт.

22

19-938

WASHER

4шт.

23

52-130

BUSHING,38.2mm ID x 69.85mm OD x 26.42mm L

4шт.

24

15-44

SPHERICAL BEARING

BUSHING, self-aligning

2шт.

25a

19-45

BOLT,1/2" - 13 x 1 1/2", Gr 5

CAPSCREW, 1/2 UNC x 1-1/2 (on 01-3218T1 yoke)

4шт.

25b

186659

BOLT,Hex, 1/2" - 13 x 3 3/4", Gr 8

CAPSCREW, 1/2 UNC x 3-3/4 (on 70-2187T1 & 70-2623T1 yokes)

1шт.

26

19-5603

WASHER,17/32" x 1 1/16" x .095", HDN

(19-5801)

8шт.

This spacer is only used on models with bushing p/n 01-3884 (1.19" below shoulder) on the lower hinge support of the front frame. This spacer is not used with bushing p/n 70-1029T1 (1.44" below shoulder) in this location. NOTE #2: The difference between the yokes in 1A is in the method used to attach the ref. 3 retainer. 01-3218T1 was tapped to use ref. 25A. 70-2187T1 & 70-2623T91 are drilled and use refs. 25B, 26 & 27. NOTE #3: 70-2623T91 will replace earlier yokes, but the hanger bearing as shown page

1шт.

27

19-826

NUT,1/2"-13, G8

4шт.

Выбрано товаров: 33