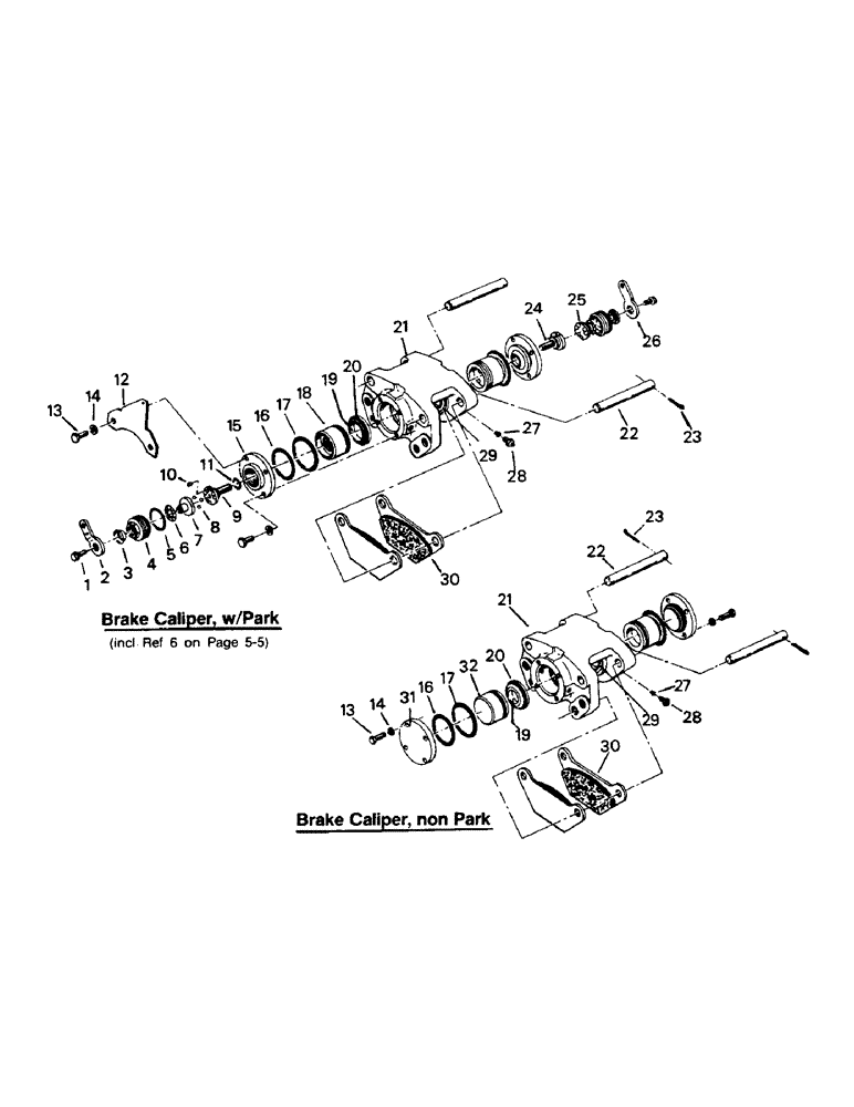
Запчасти Case IH PT225 (05-6) - BRAKE CALIPER ASSEMBLIES (5.1) - BRAKES

Схема запчастей Case IH PT225 - (05-6) - BRAKE CALIPER ASSEMBLIES (5.1) - BRAKES
23
28
13
22
30
30
13
16
22
14
17
5
14
17
27
6
28
21
7
24
19
10
1
12
16
3
11
26
20
15
23
31
27
20
18
2
4
19
21
29
32
9
8
25
29
FIT
1:1
100%

Артикул

Название

Примечание

Количество

90-1352T91

CALIPER

BRAKE CALIPER (w/park)

1шт.

90-1992T91

CALIPER

BRAKE CALIPER (non park)

1шт.

1

90-3456T1

SERRATED SCREW,Hex Serrated Washer

2шт.

2

90-3454T1

LEVER

RH

1шт.

3

90-3477T1

SEAL

2шт.

4

90-3453T1

RETAINER

2шт.

5

90-3478T1

O-RING

2шт.

6

90-3452T1

THRUST BEARING

thrust

2шт.

7

90-3450T1

SHAFT

actuator

1шт.

8

90-3449T1

BALL

6шт.

9

90-3446T1

SCREW

thrust

1шт.

10

90-3448T1

PIN

2шт.

11

90-3483T1

O-RING

O-RING

2шт.

12

90-3462T1

SUPPORT

BRACKET

2шт.

13

90-3445T1

SCREW,Hex, 3/8" - 16 x 1"

CAPSCREW

8шт.

14

19-117

LOCK WASHER,3/8"

3/8"

4шт.

15

90-3444T1

ANCHOR

MOUNT

2шт.

16

90-3479T1

O-RING,0.103" Thk x 2.425" ID, -143, Cl 5, 75 Duro

O-RING

2шт.

17

90-3480T1

SEAL

2шт.

18

90-3443T1

PISTON

ASSY

2шт.

19

90-3461T1

RETAINER

2шт.

20

90-3481T1

INSULATOR

2шт.

21

90-3442T1

HOUSING

brake

1шт.

22

90-3458T1

PIN

2шт.

23

323-1

COTTER PIN,5/32" x 1 1/4"

PIN, cotter (19-658)

4шт.

Superseded - P/N is superseded on this model or models only. Old p/n can be used for other applications and models but new p/n must always be used in this code

1шт.

24

90-3447T1

SCREW

thrust

1шт.

25

90-3451T1

SHAFT

actuator

1шт.

26

90-3455T1

LEVER

LH

1шт.

27

90-3459T1

INSERT

tube seat

4шт.

28

90-3460T1

SCREW

bleeder

3шт.

29

90-3482T1

BOOT

2шт.

30

90-3457T1

BRAKE LINING

PAD & HOLDER ASSY

2шт.

31

90-3464T1

CAP

END CAP, piston

2шт.

32

90-3463T1

PISTON

2шт.

Выбрано товаров: 35