Запчасти Case IH PT270 (10-01) - PTO CONTROLS Options & Miscellaneous

Схема запчастей Case IH PT270 - (10-01) - PTO CONTROLS Options & Miscellaneous
22
19
10
29
26
41
24
42
39
32
27
42
18
21
30
40
4
38
25
31
9
23
35
45
12
13
28
1
20
36
14
15
2
3
34
6
8
28
5
33
37
11
17
24
7
44
43
16
46
FIT
1:1
100%

Артикул

Название

Примечание

Количество

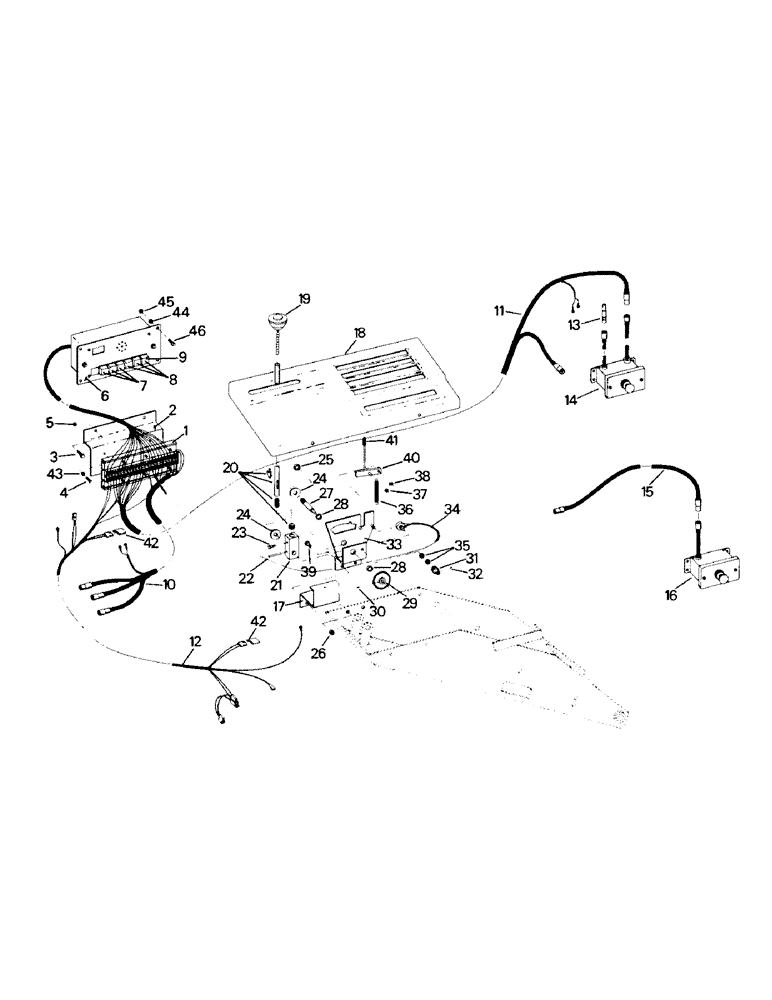
1

1-3443

TERMINAL STRIP

1шт.

See Figure 10-03 for PTO II which replaces ref. 1 - 9 and 43 - 46

1шт.

2

1-4315

BRACKET, terminal strip

1шт.

See Figure 10-03 for PTO II which replaces ref. 1 - 9 and 43 - 46

1шт.

3

281-13712

SELF-TAP SCREW,Hex Wash Hd, 1/4" x 3/4"

SCREW, tapping, 1/4 x 3/4 UNC

2шт.

See Figure 10-03 for PTO II which replaces ref. 1 - 9 and 43 - 46

1шт.

4

19-5390

MACHINE SCREW, #8 x 1/2 UNC

4шт.

See Figure 10-03 for PTO II which replaces ref. 1 - 9 and 43 - 46

1шт.

5

193-1002

NUT,Keps, #8 - 32, w/ Ext Tooth LW

KEP NUT, #8 UNC

4шт.

See Figure 10-03 for PTO II which replaces ref. 1 - 9 and 43 - 46

1шт.

6

1-3446

SEE PARTS MARKETING

DISPLAY

1шт.

See Figure 10-03 for PTO II which replaces ref. 1 - 9 and 43 - 46

1шт.

PTO display box kits P/N 35-1115, PTA296, PTA297 and PTA350, and P/N 35-1116, PT225, PT250 & PT270, include display box and faceplate decals. To distinguish between these two wire harnesses, P/N 01-4298 and P/N 01-7131, check to see how many Diodes, Ref. 42, are included in the harness. Wire harness P/N 01-4298 has 2 diodes in it while wire harness P/N 01-7131 has only 1 diode in it

1шт.

7

1-6825

LENS (green)

3шт.

See Figure 10-03 for PTO II which replaces ref. 1 - 9 and 43 - 46

1шт.

8

1-6824

LENS (red)

3шт.

See Figure 10-03 for PTO II which replaces ref. 1 - 9 and 43 - 46

1шт.

9

1-6818

LAMP

6шт.

See Figure 10-03 for PTO II which replaces ref. 1 - 9 and 43 - 46

1шт.

10

1-4313

WIRE HARNESS, front PTO

1шт.

11

1-4314

WIRE HARNESS, rear PTO

1шт.

12

1-4298

HARNESS

WIRE HARNESS, cab PTO

1шт.

Superseded, old P/N must be used on models prior to S/N break new P/N will fit models after the S/N break only

1шт.

1-7131

HARNESS

WIRE HARNESS, cab PTO

1шт.

Superseded, old P/N must be used on models prior to S/N break new P/N will fit models after the S/N break only

1шт.

PTO display box kits P/N 35-1115, PTA296, PTA297 and PTA350, and P/N 35-1116, PT225, PT250 & PT270, include display box and faceplate decals. To distinguish between these two wire harnesses, P/N 01-4298 and P/N 01-7131, check to see how many Diodes, Ref. 42, are included in the harness. Wire harness P/N 01-4298 has 2 diodes in it while wire harness P/N 01-7131 has only 1 diode in it

1шт.

13

1-4195

PLUG ASSEMBLY

1шт.

14

1-3445

CONTROL

1шт.

15

1-3441

CABLE, remote control

1шт.

16

1-3442

CONTROL, remote

1шт.

17

1-3669

SHIELD

1шт.

18

1-4759

COVER

CONSOLE COVER, top (PT models)

1шт.

2-1580

COVER

CONSOLE COVER, top (PTA models)

1шт.

19

1-6316

KNOB

1шт.

20

1-3690

LEVER ASSEMBLY

1шт.

21

1-3677

HUB

1шт.

22

1-5361

SPRING PIN

1шт.

23

19-611

BOLT,1/4" - 20 x 1/2", Gr 5

CAPSCREW, 1/4 x 1/2 UNC (used with early style PTO system)

1шт.

19-5360

SET SCREW

1/4 x 3/8 UNC (used with later style PTO II system)

1шт.

24

54-294

THRUST WASHER

THRUST WASHER

2шт.

25

19-5431

NUT, flange

1шт.

26

231-1445

NUT,5/16"-18, GB

NUT, LOCK, 5/16"-18, GB

2шт.

27

1-3676

SHAFT, lever

1шт.

28

1-3334

BEARING

2шт.

29

1-3672

GEAR (100T)

1шт.

30

NSS

NOT SOLD SEPARAT

SET SCREW (included with gear)

1шт.

31

1-3674

GEAR (25T)

1шт.

32

NSS

NOT SOLD SEPARAT

SET SCREW (included with gear)

1шт.

33

1-6665

BRACKET

CONTROL

1шт.

34

1-3444

POTENTIOMETER

1шт.

35

NSS

NOT SOLD SEPARAT

NUT & WASHER (included with potentiometer)

1шт.

36

11-21

SPRING

1шт.

37

19-5491

OIL SEAL

RETAINER

1шт.

38

19-5486

SNAP RING

1шт.

39

19-6

BOLT,5/16" - 18 x 3/4", Gr 5

CAPSCREW, 5/16 x 3/4 UNC

2шт.

40

1-6670

LEVER

1шт.

41

1-6821

CAP

1шт.

42

22-738

DIODE

2шт.

43

19-281

WASHER,#8

5/32

4шт.

See Figure 10-03 for PTO II which replaces ref. 1 - 9 and 43 - 46

1шт.

44

19-5378

WASHER

#8

4шт.

See Figure 10-03 for PTO II which replaces ref. 1 - 9 and 43 - 46

1шт.

45

19-5572

LOCK NUT, #8 UNC

4шт.

See Figure 10-03 for PTO II which replaces ref. 1 - 9 and 43 - 46

1шт.

46

19-5422

SCREW,Truss Hd, #8 - 32 x 3/4"

MACHINE SCREW, #8 x 3/4 UNC

4шт.

See Figure 10-03 for PTO II which replaces ref. 1 - 9 and 43 - 46

1шт.

Выбрано товаров: 0