Запчасти Case IH PT270 (10-13) - VARIABLE PUMP WITH EARLY ELECTRONIC CONTROLLER Options & Miscellaneous

Схема запчастей Case IH PT270 - (10-13) - VARIABLE PUMP WITH EARLY ELECTRONIC CONTROLLER Options & Miscellaneous
5
12
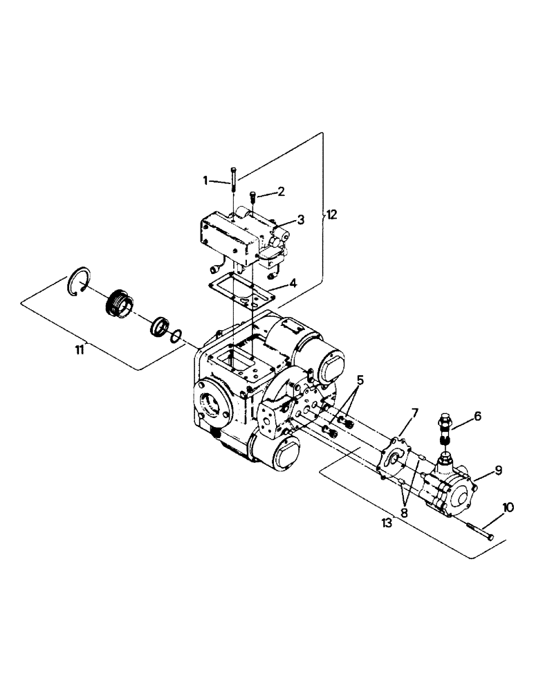
2
11
3
4
13
9
10
6
8
1
7
FIT
1:1
100%

Артикул

Название

Примечание

Количество

1

19-535

BOLT,5/16" - 18 x 2 3/4", Gr 5

CAPSCREW, 5/16 x 2-3/4 UNC

3шт.

2

19-7

BOLT,Hex, 5/16" - 18 x 1", Gr 5

CAPSCREW, 5/16 x 1 UNC

3шт.

3

1-6609

CONTROL VALVE

1шт.

Used on PT 225, PT 250 and PT 270 models

1шт.

1-6375

CONTROL VALVE

1шт.

Used on PTA 296, PTA 297 and PT 350 models

1шт.

4

1-6290

GASKET

1шт.

5

NSS

NOT SOLD SEPARAT

CHECK VALVE

2шт.

6

1-6293

HYDRAULIC VALVE

RELIEF VALVE

1шт.

7

1-6294

GASKET

1шт.

Hardware kit P/N 02-2363 includes ref. 1 &2 on this figure and ref. 13-16 & 25 on figure 10-14. Charge pump seal kit P/N 02-2358 includes ref. 7 on this figure and ref. 4-6 & 10 on figure 10-15. Check valve kit P/N 35-1195 includes ref. 7 on this figure and ref. 75 on figure 10-17 and ref. 75 on figure 10-20.

1шт.

8

1-6339

PIN

DOWEL

2шт.

9

1-7053

CHARGE PUMP

1шт.

Used on PT 225, PT 250 and PT 270 models

1шт.

1-6338

CHARGE PUMP

1шт.

Used on PTA 296, PTA 297 and PT 350 models

1шт.

10

19-726

BOLT,Hex, 5/16" - 18 x 3 3/4", Gr 5

CAPSCREW, 5/16 x 3-3/4 UNC

4шт.

Used on PT 225, PT 250 and PT 270 models

1шт.

19-188

BOLT,Hex, 5/16" - 18 x 3 1/2", Gr 5

CAPSCREW, 5/16 x 3-1/2 UNC

1шт.

Used on PTA 296, PTA 297 and PT 350 models

1шт.

11

1-6295

SEAL KIT

DRIVE SHAFT SEAL KIT (early style)

1шт.

Superseded, old P/N can be used up on all models prior to S/N break only, new P/N must be used after S/N break, order new P/N when old stock is depleted as it will work for all

1шт.

Used on PT 225, PT 250 and PT 270 models

1шт.

2-3997T91

KIT

DRIVE SHAFT SEAL KIT (later style)

1шт.

Superseded, old P/N can be used up on all models prior to S/N break only, new P/N must be used after S/N break, order new P/N when old stock is depleted as it will work for all

1шт.

Used on PT 225, PT 250 and PT 270 models

1шт.

1-6298

SEAL

DRIVE SHAFT SEAL KIT (early style)

1шт.

Superseded, old P/N can be used up on all models prior to S/N break only, new P/N must be used after S/N break, order new P/N when old stock is depleted as it will work for all

1шт.

Used on PTA 296, PTA 297 and PT 350 models

1шт.

2-3804T91

SEAL

DRIVE SHAFT SEAL KIT (later style)

1шт.

Superseded, old P/N can be used up on all models prior to S/N break only, new P/N must be used after S/N break, order new P/N when old stock is depleted as it will work for all

1шт.

Used on PTA 296, PTA 297 and PT 350 models

1шт.

12

1-6296

CONTROL VALVE KIT

1шт.

Used on PT 225, PT 250 and PT 270 models

1шт.

1-6289

CONTROL VALVE KIT

1шт.

Used on PTA 296, PTA 297 and PT 350 models

1шт.

13

1-6297

CHARGE PUMP KIT

1шт.

Used on PT 225, PT 250 and PT 270 models

1шт.

1-6292

CHARGE PUMP KIT

1шт.

Used on PTA 296, PTA 297 and PT 350 models

1шт.

Выбрано товаров: 40