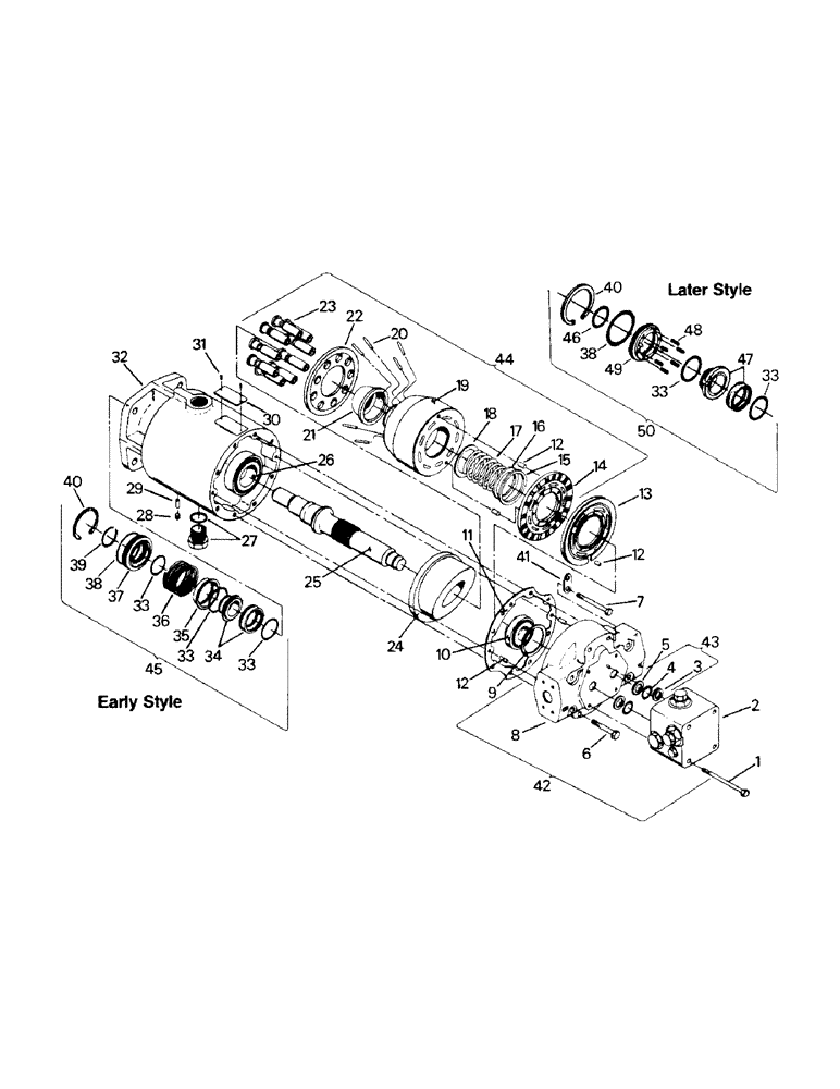
Запчасти Case IH PT270 (10-23) - FIXED DISPLACEMENT MOTOR Options & Miscellaneous

Схема запчастей Case IH PT270 - (10-23) - FIXED DISPLACEMENT MOTOR Options & Miscellaneous
8
41
11
13
33
27
23
44
40
26
39
40
32
2
43
33
33
10
45
18
4
29
37
20
17
19
49
12
42
16
21
38
15
38
30
31
12
24
50
35
12
34
22
9
7
3
5
1
6
48
36
46
47
33
25
28
33
14
FIT
1:1
100%

Артикул

Название

Примечание

Количество

1-3447T91

MOTOR ASSEMBLY

1шт.

1

19-133

BOLT,Hex, 3/8" - 16 x 4", Gr 5

CAPSCREW, 3/8 x 4 UNC

4шт.

2

1-6651

VALVE BLOCK

1шт.

3

1-6652

KIT

O-RING

1шт.

4

1-6653

O-RING

2шт.

5

1-6654

BACK-UP RING

2шт.

6

19-35

BOLT,7/16" - 14 x 2", Gr 5

CAPSCREW, 7/16 x 2 UNC

2шт.

7

19-732

CAPSCREW, 7/16 x 3 UNC Hex, 7/16"-14 x 3", G5

6шт.

8

1-6655

END COVER

1шт.

9

1-6346

SHIM

1шт.

10

1-6347

BEARING

1шт.

11

1-6348

GASKET

1шт.

Pin & retaining ring kit P/N 02-2362 includes ref. 12, 15, 20, 28 & 29. Valve & Bearing kit P/N 02-2360 includes ref. 12-14. Motor seal overhaul kit P/N 35-1210 includes ref. 11, 43 & 50 on this and the following figure and ref. 2, 7, 10, 11, 14 & 16 on figure 10-25.

1шт.

12

1-6339

PIN

DOWEL

5шт.

Pin & retaining ring kit P/N 02-2362 includes ref. 12, 15, 20, 28 & 29. Valve & Bearing kit P/N 02-2360 includes ref. 12-14. Motor seal overhaul kit P/N 35-1210 includes ref. 11, 43 & 50 on this and the following figure and ref. 2, 7, 10, 11, 14 & 16 on figure 10-25.

1шт.

13

1-6656

MOTOR

VALVE PLATE

1шт.

Pin & retaining ring kit P/N 02-2362 includes ref. 12, 15, 20, 28 & 29. Valve & Bearing kit P/N 02-2360 includes ref. 12-14. Motor seal overhaul kit P/N 35-1210 includes ref. 11, 43 & 50 on this and the following figure and ref. 2, 7, 10, 11, 14 & 16 on figure 10-25.

1шт.

14

1-6383

LARGE PLATE

PLATE

1шт.

Pin & retaining ring kit P/N 02-2362 includes ref. 12, 15, 20, 28 & 29. Valve & Bearing kit P/N 02-2360 includes ref. 12-14. Motor seal overhaul kit P/N 35-1210 includes ref. 11, 43 & 50 on this and the following figure and ref. 2, 7, 10, 11, 14 & 16 on figure 10-25.

1шт.

15

19-5513

RETAINING RING

1шт.

Pin & retaining ring kit P/N 02-2362 includes ref. 12, 15, 20, 28 & 29. Valve & Bearing kit P/N 02-2360 includes ref. 12-14. Motor seal overhaul kit P/N 35-1210 includes ref. 11, 43 & 50 on this and the following figure and ref. 2, 7, 10, 11, 14 & 16 on figure 10-25.

1шт.

16

1-6385

SPACER

1шт.

17

1-6386

SPRING

1шт.

18

1-6387

SPACER

1шт.

19

1-6388

BARREL (early style)

1шт.

Superseded - Old P/N can be used up on all models prior to S/N break only. New P/N must be used after S/N break. Order new P/N when old stock is depleted as it will work for all.

1шт.

2-4053T1

BARREL (later style)

1шт.

Superseded - Old P/N can be used up on all models prior to S/N break only. New P/N must be used after S/N break. Order new P/N when old stock is depleted as it will work for all.

1шт.

20

1-6389

PIN

DOWEL

6шт.

Pin & retaining ring kit P/N 02-2362 includes ref. 12, 15, 20, 28 & 29. Valve & Bearing kit P/N 02-2360 includes ref. 12-14. Motor seal overhaul kit P/N 35-1210 includes ref. 11, 43 & 50 on this and the following figure and ref. 2, 7, 10, 11, 14 & 16 on figure 10-25.

1шт.

21

1-6390

GUIDE

1шт.

22

1-6391

RETAINER (early style)

1шт.

Superseded - Old P/N can be used up on all models prior to S/N break only. New P/N must be used after S/N break. Order new P/N when old stock is depleted as it will work for all.

1шт.

2-4054T1

RETAINER (later style)

1шт.

Superseded - Old P/N can be used up on all models prior to S/N break only. New P/N must be used after S/N break. Order new P/N when old stock is depleted as it will work for all.

1шт.

23

1-6392

PISTON ASSY.

PISTON

9шт.

24

1-6657

HOUSING

SWASH PLATE

1шт.

25

1-6783

DRIVE SHAFT

1шт.

Superseded - Old P/N can be used up on all models prior to S/N break only. New P/N must be used after S/N break. Order new P/N when old stock is depleted as it will work for all.

1шт.

2-3817T1

SHAFT

DRIVE SHAFT

1шт.

Superseded - Old P/N can be used up on all models prior to S/N break only. New P/N must be used after S/N break. Order new P/N when old stock is depleted as it will work for all.

1шт.

26

1-6396

BEARING

1шт.

27

1-6784

PLUG

& O-RING

1шт.

2-3811T1

O-RING

1шт.

28

31-634

PLUG

PIPE PLUG

1шт.

Pin & retaining ring kit P/N 02-2362 includes ref. 12, 15, 20, 28 & 29. Valve & Bearing kit P/N 02-2360 includes ref. 12-14. Motor seal overhaul kit P/N 35-1210 includes ref. 11, 43 & 50 on this and the following figure and ref. 2, 7, 10, 11, 14 & 16 on figure 10-25.

1шт.

29

2-3810T1

DOWEL

1шт.

Pin & retaining ring kit P/N 02-2362 includes ref. 12, 15, 20, 28 & 29. Valve & Bearing kit P/N 02-2360 includes ref. 12-14. Motor seal overhaul kit P/N 35-1210 includes ref. 11, 43 & 50 on this and the following figure and ref. 2, 7, 10, 11, 14 & 16 on figure 10-25.

1шт.

30

1-6360

NAMEPLATE

1шт.

31

1-6361

SCREW

2шт.

32

1-6787

HOUSING (early style)

1шт.

2-3818T91

HOUSING (later style) (includes ref. 27-29)

1шт.

Superseded - Old P/N can be used up on all models prior to S/N break only. New P/N must be used after S/N break. Order new P/N when old stock is depleted as it will work for all.

1шт.

33

1-6399

O-RING (qty. 2 on later style)

3шт.

34

1-6400

SEAL

1шт.

35

1-6401

SEAL

RETAINER

1шт.

36

1-6402

SPRING

1шт.

37

1-6403

RETAINER

1шт.

38

1-6404

O-RING

1шт.

39

1-6405

RETAINING RING

1шт.

40

19-5511

RETAINING RING

1шт.

41

1-6408

SHIPPING STRAP

1шт.

42

1-6299

KIT

VALVE BLOCK KIT (includes ref. 1-5)

1шт.

43

1-6300

SEAL KIT

KIT (includes ref. 3-5)

1шт.

44

1-6382

ROTOR

ROTATING GROUP (includes ref. 14-23) (early style)

1шт.

Pin & retaining ring kit P/N 02-2362 includes ref. 12, 15, 20, 28 & 29. Valve & Bearing kit P/N 02-2360 includes ref. 12-14. Motor seal overhaul kit P/N 35-1210 includes ref. 11, 43 & 50 on this and the following figure and ref. 2, 7, 10, 11, 14 & 16 on figure 10-25.

1шт.

Superseded - Old P/N can be used up on all models prior to S/N break only. New P/N must be used after S/N break. Order new P/N when old stock is depleted as it will work for all.

1шт.

2-3802T91

ROTOR

ROTATING GROUP (includes ref. 14-23) (later style)

1шт.

Superseded - Old P/N can be used up on all models prior to S/N break only. New P/N must be used after S/N break. Order new P/N when old stock is depleted as it will work for all.

1шт.

45

1-6788

SEAL

KIT (includes ref. 33-40) (early style)

1шт.

Superseded - Old P/N can be used up on all models prior to S/N break only. New P/N must be used after S/N break. Order new P/N when old stock is depleted as it will work for all.

1шт.

46

2-3803T1

O-RING

1шт.

47

NSS

NOT SOLD SEPARAT

SEAL KIT

1шт.

48

NSS

NOT SOLD SEPARAT

SEAL SPRING

6шт.

49

NSS

NOT SOLD SEPARAT

SEAL RETAINER

1шт.

50

2-3804T91

SEAL

KIT (includes ref. 33, 38, 40 & 46-49) (later style)

1шт.

Pin & retaining ring kit P/N 02-2362 includes ref. 12, 15, 20, 28 & 29. Valve & Bearing kit P/N 02-2360 includes ref. 12-14. Motor seal overhaul kit P/N 35-1210 includes ref. 11, 43 & 50 on this and the following figure and ref. 2, 7, 10, 11, 14 & 16 on figure 10-25.

1шт.

Выбрано товаров: 77