Запчасти Case IH PTA251 (08-36) - HYDRAULIC COUPLER (07) - HYDRAULICS

Схема запчастей Case IH PTA251 - (08-36) - HYDRAULIC COUPLER (07) - HYDRAULICS
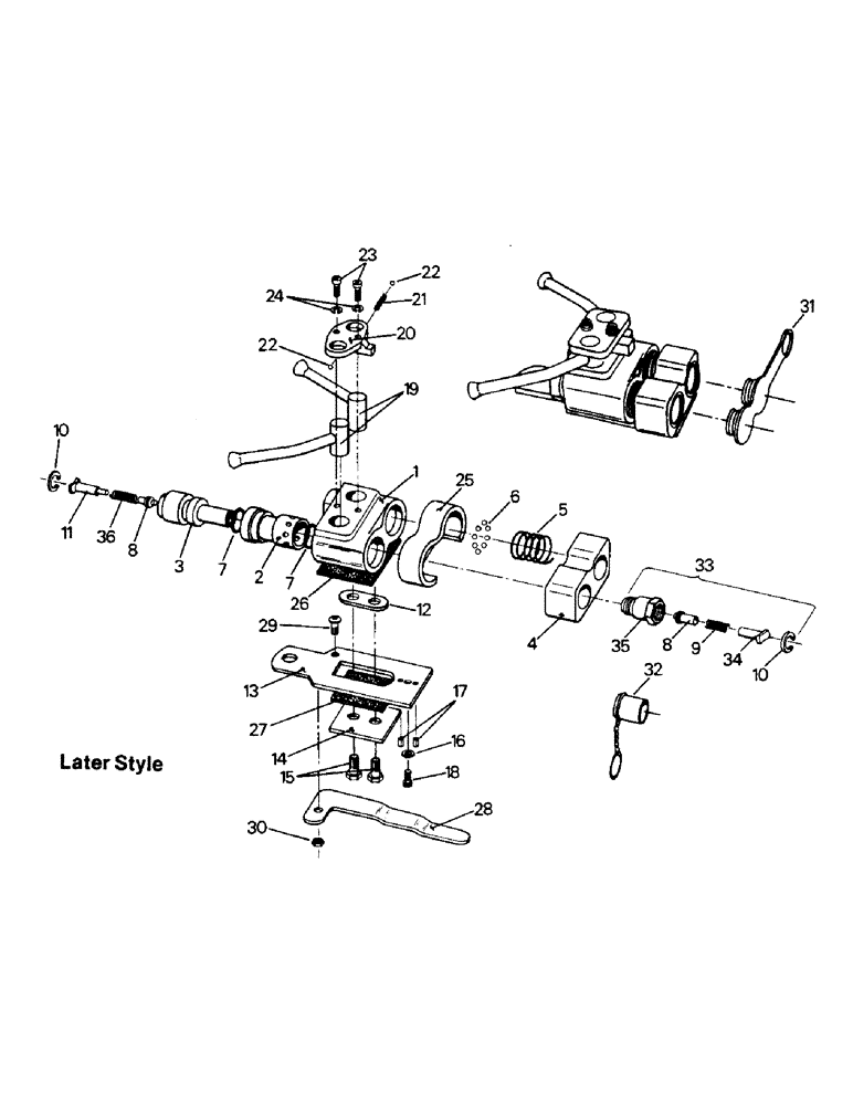
17
36
21
13
20
3
25
15
35
14
8
18
34
10
1
33
27
11
28
30
26
6
16
8
29
10
23
9
24
12
5
7
7
19
2
32
31
22
4
22
FIT
1:1
100%

Артикул

Название

Примечание

Количество

1-8085

COUPLING

HYDRAULIC COUPLER ASSEMBLY, consists of

1шт.

Superseded - Old P/N can be used for all models, but order new P/N when stock is depleted.

1шт.

2-1087

COUPLING

HYDRAULIC COUPLER ASSEMBLY (less 2 male tip assys.)

1шт.

1

18-1649

BODY

1шт.

2

18-1648

SLEEVE

FEMALE SLEEVE

2шт.

3

18-1646

MALE SLEEVE

2шт.

4

18-1652

COUPLER END

1шт.

5

18-1650

SLEEVE SPRING

2шт.

6

18-1651

BALL

STEEL BALL, 3/16

16шт.

7

18-1647

O-RING

4шт.

8

1-2052

PISTON ASSEMBLY

2шт.

THE PART NUMBER SHOULD READ 2-2052.

1шт.

9

18-1644

PISTON SPRING

4шт.

10

18-1641

OIL SEAL

RETAINING RING

4шт.

11

2-1088

STOP

PISTON STOP & GUIDE

2шт.

12

2-1089

SPACER

1шт.

13

18-1659

SLIDE

1шт.

14

18-1661

HOLD DOWN PLATE

1шт.

15

19-16

BOLT,Hex, 3/8" - 16 x 3/4", Gr 5

CAPSCREW, 3/8 x 3/4 UNC

2шт.

16

19-818

NUT,Int Tooth, 5/16"

LOCK WASHER, 5/16

1шт.

17

456540

ROLLER,3/16" x 5/8"

ROLL PIN

2шт.

18

9421620

SOCKET HEAD SCREW, 5/16 x 1/2 UNC

1шт.

19

18-1655

CAM

& HANDLE ASSY. (left)

1шт.

18-1654

CAM

& HANDLE ASSY. (right)

1шт.

20

18-1751

RETAINER

CAM RETAINER

1шт.

21

18-1658

SPRING

1шт.

22

18-1657

STEEL BALL, 1/4

2шт.

23

19-960

HEX SOC SCREW,1/4"-20 x 1"

SOCKET HEAD SCREW, 1/4 x 1 UNC

2шт.

24

19-115

LOCK WASHER,1/4"

1/4"

2шт.

25

1-4600

DUST SHIELD

1шт.

26

2-1090

SEAL

FOAM

1шт.

27

2-1091

SEAL

FOAM

1шт.

28

2-1092

LEVER, release

1шт.

29

2-1093

MACHINE, screw

1шт.

30

19-2250

JAM, nut, 1/4 UNC

1шт.

31

18-1728

SEAL

PLUG

2шт.

32

18-1729

TIP

CAP

1шт.

33

18-1653

TIP

MALE TIP ASSEMBLY

2шт.

34

18-1642

PISTON STOP & GUIDE

2шт.

35

18-1750

TIP

MALE TIP

2шт.

36

2-2051

SPRING

PISTON SPRING

2шт.

Выбрано товаров: 41