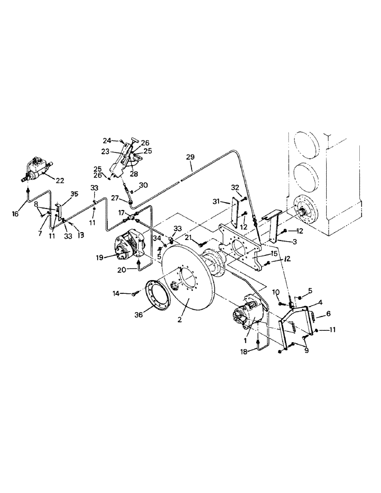
Запчасти Case IH PTA270 (05-5) - BRAKE GROUP - CALIPER STYLE, ALL MODELS, AFTER FEB 82 (5.1) - BRAKES

Схема запчастей Case IH PTA270 - (05-5) - BRAKE GROUP - CALIPER STYLE, ALL MODELS, AFTER FEB 82 (5.1) - BRAKES
15
11
4
26
10
27
7
9
20
19
33
36
28
12
2
12
23
11
22
14
16
17
8
26
30
5
3
25
33
6
24
31
21
12
1
5
13
34
32
33
35
25
11
18
29
FIT
1:1
100%

Артикул

Название

Примечание

Количество

1

BRAKE CALIPER (w/park) (see next figure)

1шт.

2

90-3469T1

DISC

brake

1шт.

3

90-4027T1

BRACKET

1шт.

4

90-4030T1

SUPPORT

BRACKET

1шт.

5

19-341

LOCK NUT,3/8" - 16, GB

NUT, lock

2шт.

6

90-2902T1

SPRING

(part of ref 1)

2шт.

7

32-68

COTTER PIN,3/32" x 1/2"

CLAMP

2шт.

8

281-1458

SELF-TAP SCREW,Hex Wash Hd, #10 x 1/2"

TAP SCREW

2шт.

9

19-654

BOLT,Hex, 5/16" - 18 x 1", Gr 8

CAPSCREW

2шт.

10

19-799

BOLT,Hex, 3/8" - 16 x 1 1/4", Gr 8

CAPSCREW

1шт.

11

231-1445

NUT,5/16"-18, GB

NUT, LOCK, 5/16"-18, GB

3шт.

12

19-817

SCREW,Hex, 5/8"-11 x 2", G8

CAPSCREW

8шт.

13

19-5842

BOLT,Hex, 5/16" - 18 x 3/4", Gr 5

CAPSCREW, flanged

1шт.

14

19-5892

CAPSCREW,Hex, 1/2" - 20 x 1 3/4", Gr 8

flanged (used w/ref 36)

12шт.

19-6007

BOLT,Hex, 1/2" - 20 x 1 1/4", Gr 8

CAPSCREW, flanged (used w/o ref 36)

12шт.

15

90-2786T1

PLATE

1шт.

Brake mount plate (ref 15), is now part of transfer case end cap (90-35400T1). See figure 4-67. Serial no. break is (ASN) 3007.

1шт.

16

90-3535T2

TUBE,.25" OD

ASSY (90-3535T1)

1шт.

See figure 1-C for serial number breaks for Caliper style brakes. Brake kit 235-1451T91 includes all parts necessary to convert the multiple disc brake system to the style shown on this figure, including a new front driveshaft. Brake kit 35-1478T91 includes all the parts that 35-1451T91 does except it does not include the drive shaft, instead it includes an instruction sheet for having your current driveshaft modified to work with the Caliper style brakes. Brake mount plate (ref 15), is now part of transf

1шт.

17

31-1865

TEE

ADAPTER

1шт.

18

90-2900T1

TUBE,.25" OD

ASSY

1шт.

19

BRAKE CALIPER (non park) (see next figure)

1шт.

20

90-2182T2

TUBE,.25" OD

ASSY

1шт.

21

CAPSCREW (part of transfer case on figure 4-67)

1шт.

22

MASTER CYL (see figure 5-7)

1шт.

23

60-2225T92

PARK BRAKE LEVER ASSY

1шт.

24

19-7

BOLT,Hex, 5/16" - 18 x 1", Gr 5

CAPSCREW

1шт.

25

19-508

LOCK NUT

lock

3шт.

26

19-700

WASHER,5/16"

3шт.

27

22-486

GROMMET

1шт.

28

20-1463T1

SWITCH

assy (brake warning)

1шт.

29

60-2457T1

CABLE

1шт.

30

19-5867

RING, SNAP

RETAINING RING, ext

2шт.

31

90-2864T1

BRACE

1шт.

32

9418822

BOLT,Hex, 3/8" x 1", Gr 5

CAPSCREW

1шт.

33

31-1862

CLAMP

2шт.

34

9419393

WASHER,3/8"

1шт.

35

90-3533T2

BRACE

(90-3533T1)

1шт.

See figure 1-C for serial number breaks for Caliper style brakes. Brake kit 235-1451T91 includes all parts necessary to convert the multiple disc brake system to the style shown on this figure, including a new front driveshaft. Brake kit 35-1478T91 includes all the parts that 35-1451T91 does except it does not include the drive shaft, instead it includes an instruction sheet for having your current driveshaft modified to work with the Caliper style brakes. Brake mount plate (ref 15), is now part of transfe

1шт.

36

90-3489T1

SLINGER, grease (not used on later models)

1шт.

Выбрано товаров: 40