Запчасти Case IH PTA280 (01-12) - STEERING COLUMN ASSEMBLY (10) - CAB

Схема запчастей Case IH PTA280 - (01-12) - STEERING COLUMN ASSEMBLY (10) - CAB
30
65
43
5
12
2
25
3
15
36
17
12
55
49
60
33
42
62
40
35
9
10
59
32
1
66
37
8
26
4
24
34
47
57
53
51
28
39
20
54
41
14
22
21
29
44
38
13
63
50
6
45
11
19
58
19
67
7
46
31
18
48
56
64
52
23
61
16
27
34
FIT
1:1
100%

Артикул

Название

Примечание

Количество

1-3508

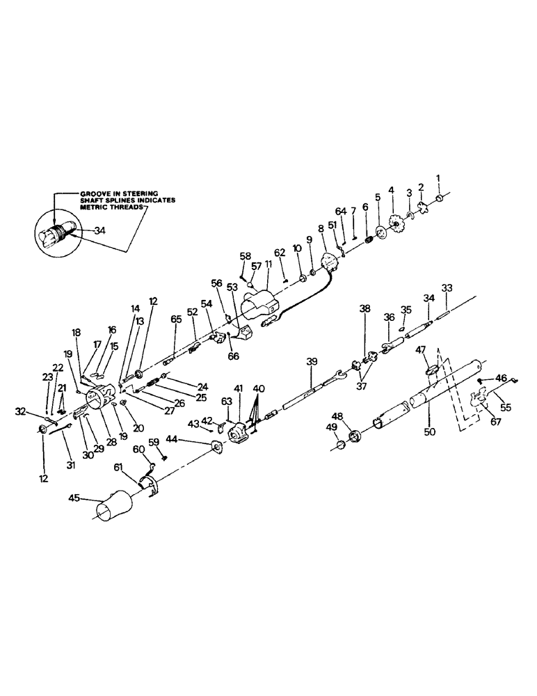
COLUMN JACKET

STEERING COLUMN ASSEMBLY, consists of Ref.1 - 67 used on steering column assy. 1-3508 standard thread

1шт.

Superseded, old P/N is not used any longer, the new P/N is to be used in all cases, old P/N should be removed from existing inventory, it is recommended that the old part not be used under any circumstances

1шт.

1-7630

STEERING COLUMN

ASSEMBLY, consists of Ref. 1 - 68 used on steering column assy. 1-7630 metric thread

1шт.

Superseded, old P/N is not used any longer, the new P/N is to be used in all cases, old P/N should be removed from existing inventory, it is recommended that the old part not be used under any circumstances

1шт.

1

1-1320

BUMPER

RETRACTED STEERING SHAFT

1шт.

2

1-1329

RETAINER

carrier snap ring

1шт.

3

1-1331

RETAINER

shaft lock

1шт.

4

1-1325

ARRESTER

LOCK, steering shaft

1шт.

5

1-1215

SUPPORT

CARRIER ASSEMBLY

1шт.

6

1-4507

SPRING

upper bearing

1шт.

7

1-1333

SCREW

3шт.

8

1-4497

SWITCH

ASSEMBLY, turn signal

1шт.

9

1-1336

SEAT

inner race

1шт.

10

1-4502

RACE

inner

1шт.

Used on steering column assy. 1-3508, standard thread

1шт.

1-1328

SPRING KIT

RACE, inner

1шт.

Used on steering column assy. 1-7630, metric thread

1шт.

11

1-4473

COVER

lock housing

1шт.

Used on steering column assy. 1-3508, standard thread

1шт.

2-1454

HOUSING

COVER, lock housing

1шт.

Used on steering column assy. 1-7630, metric thread

1шт.

12

1-1217

KIT

BEARING, available in kit 33-1174T1 only

2шт.

13

19-5460

LOCK BOLT

BOLT, lock

1шт.

14

1-1228

SPRING

lock bolt, available in kit 33-1174t1 only

1шт.

15

1-1227

BRAKE SHOE

SHOE, steering wheel lock

1шт.

16

1-1226

BRAKE SHOE

SHOE, steering wheel lock

1шт.

17

1-1225

DRIVE SHAFT

1шт.

18

1-1220

SPLIT PIN/SAFETY PIN

DOWEL PIN

1шт.

19

1-4509

PIVOT PIN

PIN, PIVOT

2шт.

20

1-4478

KIT

SECTOR, switch actuator, available in kit 33-1174T1 only

1шт.

21

1-1301

SPRING

shoe

2шт.

22

1-1230

SPRING

release lever

1шт.

23

1-1221

PIN

- release lever

1шт.

24

1-1330

RETAINER

spring

1шт.

25

1-4508

SPRING

wheel tilt

1шт.

26

1-1323

GUIDE

spring

1шт.

27

1-1223

SCREW

available in kit 33-1174T1 only

1шт.

28

1-4474

HOUSING ASSY.

HOUSING ASSEMBLY (includes ref. 12-18, 20-23, 27, 29, 30 & 32)

1шт.

29

1-1229

SPRING

rack preload

1шт.

30

1-4477

KIT

RACK, switch actuator, available in kit 33-1174T1 only

1шт.

31

1-4465

ACTUATOR

ACTUATER ASSEMBLY, switch

1шт.

32

1-4476

CONTROL LEVER

LEVER, shoe release

1шт.

1-4485

SHAFT ASEMBLY, steering, consists of 33 - 39

1шт.

Used on steering column assy. 1-3508, standard thread

1шт.

2-1463

SHAFT

ASSEMBLY, steering

1шт.

Used on steering column assy. 1-7630, metric thread

1шт.

33

1-4488

STEM

ROD, telescope locking

1шт.

34

1-4492

SHAFT

upper steering

1шт.

Used on steering column assy. 1-3508, standard thread

1шт.

2-1467

SHAFT

upper steering

1шт.

Used on steering column assy. 1-7630, metric thread

1шт.

35

1-1312

WEDGE

locking

1шт.

36

1-4487

YOKE

ASSEMBLY, race & steering shaft

1шт.

37

1-1310

KIT

SPHERE, centering, available in kit 33-1175T1 only

2шт.

38

1-1311

KIT

SPRING, joint preload, available in kit 33-1175T1 only

1шт.

39

1-4486

STEERING SHAFT

SHAFT ASSEMBLY, yoke & steering

1шт.

40

1-1334

SCREW

4шт.

41

1-4493

SUPPORT ASSY.

SUPPORT ASSEMBLY (includes ref. 42, 43 & 63)

1шт.

42

1-4494

FIXING BRACKET

PLATE, shroud retaining

1шт.

43

19-5459

SCREW

2шт.

44

1-1326

LARGE PLATE

PLATE, lock

1шт.

45

1-4504

SHROUD

steering column housing

1шт.

46

1-1335

SCREW

1шт.

47

1-4496

IGNITION SWITCH

SWITCH ASSEMBLY, ignition

1шт.

48

1-4468

ADAPTER

lower bearing

1шт.

49

1-4467

BEARING ASSY

BEARING, assembly

1шт.

50

1-4479

CLOTHES

JACKET ASSEMBLY

1шт.

Used on steering column assy. 1-3508, standard thread

1шт.

2-1461

COLUMN JACKET

JACKET ASSEMBLY

1шт.

Used on steering column assy. 1-7630, metric thread

1шт.

51

1-4466

ARM ASSY.

ARM ASSEMBLY, signal switch

1шт.

52

1-4498

ACTUATOR

dimmer switch rod

1шт.

53

1-4469

COVER

CAP, column housing cover end

1шт.

54

1-4472

SWITCH

ASSEMBLY, pivot

1шт.

Used on steering column assy. 1-3508, standard thread

1шт.

2-1452

IGNITION SWITCH

SWITCH ASSEMBLY, pivot

1шт.

Used on steering column assy. 1-7630, metric thread

1шт.

55

1-4480

SWITCH

ROD ASSEMBLY, dimmer switch

1шт.

Used on steering column assy. 1-3508, standard thread

1шт.

2-1462

THREADED ROD

ROD ASSEMBLY, dimmer switch

1шт.

Used on steering column assy. 1-7630, metric thread

1шт.

56

1-4470

SHIELD

tilt lever opening

1шт.

57

1-4500

BUTTON

KNOB, hazard warning

1шт.

58

19-5456

SCREW,Oval Hd, M3.5

1шт.

59

1-4499

PAD

FINGER PAD, relief lever

1шт.

60

1-4501

LEVER

key release

1шт.

61

1-4506

SPRING

key release

1шт.

62

1-6926

SCREW,Cross Oval Hd

3шт.

63

1-6925

DOWEL

Pin

1шт.

64

1-6924

SCREW

1шт.

65

1-6928

PIN

switch activating pivot

1шт.

Used on steering column assy. 1-3508, standard thread

1шт.

2-1455

PIVOT PIN

PIN, switch activating pivot

1шт.

Used on steering column assy. 1-7630, metric thread

1шт.

66

1-6927

SPRING

1шт.

67

1-7739

SWITCH

DIMMER SWITCH ASSEMBLY

1шт.

68

2-1481

STUD

SUD, dimmer switch (not shown)

1шт.

Used on steering column assy. 1-7630, metric thread

1шт.

Выбрано товаров: 98