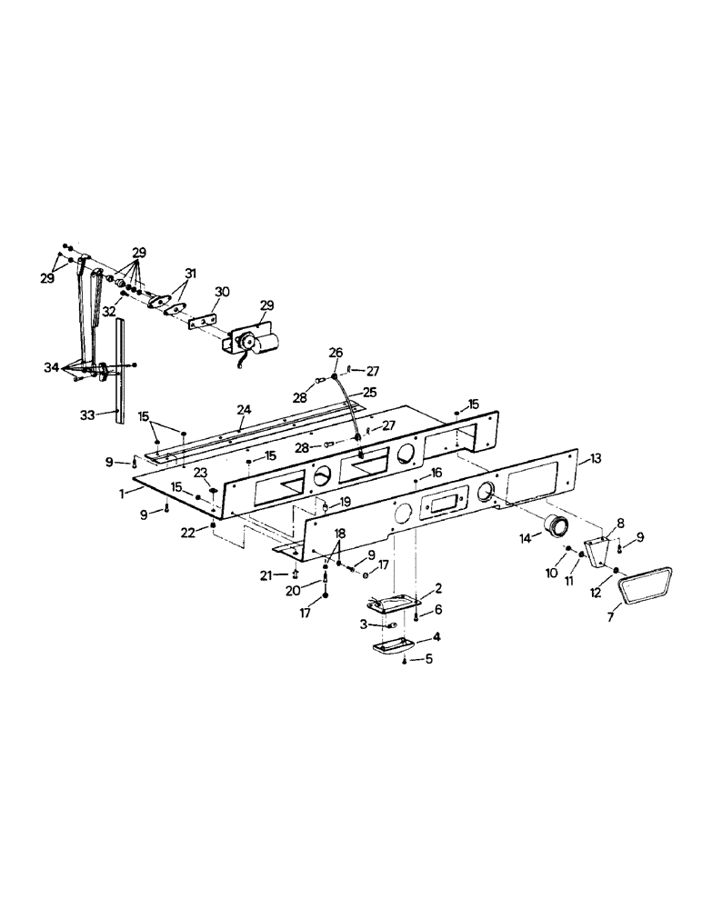
Запчасти Case IH PTA280 (01-28) - FRONT CONSOLE, LATER STYLE, AFTER 11-1-78 (10) - CAB

Схема запчастей Case IH PTA280 - (01-28) - FRONT CONSOLE, LATER STYLE, AFTER 11-1-78 (10) - CAB
9
7
15
2
22
18
27
9
23
33
34
3
17
30
20
16
28
25
15
15
29
24
27
6
15
9
12
13
1
28
21
14
10
8
17
26
31
19
29
11
5
4
29
9
FIT
1:1
100%

Артикул

Название

Примечание

Количество

1

1-8671T4

CONSOLE

consoles 1-8671T1, T2 and T3 are no longer available, modifications to the radio mounting or the later style radio panels may be needed for proper fit.

1шт.

1-9063T91

LIGHT

DOME LIGHT ASSY, modification to wiring harness may be required for proper fit on older parts, consists of 2 - 5

1шт.

2

NSS

NOT SOLD SEPARAT

HOUSING

2шт.

Part of dome light assy. 1-9063T91

1шт.

3

22-1146

BULB

2шт.

Part of dome light assy. 1-9063T91

1шт.

4

1-9064

LENS

2шт.

Part of dome light assy. 1-9063T91

1шт.

5

155830

ANGLE BAR

MACHINE SCREW

4шт.

6

155857

BOLT (MACHINE),Cross Flat Hd, #6 - 32 x 0.75", Gr 2

MACHINE SCREW

8шт.

7

1-8617

MIRROR

1шт.

8

64-86

BRACKET

mirror

1шт.

9

163-45

SCREW,Hex, #10 - 24 x 1/2", Gr 5

MACHINE SCREW

19шт.

10

19-5565

LOCK NUT,1/4"-28, GB

NUT, LOCK, 1/4"-28, GB

1шт.

11

19-223

WASHER,1/4"

1шт.

12

19-467

LOCK WASHER,Ext Tooth, 1/4"

2шт.

13

60-3145T2

TRIM PANEL, with PTO, panels 1-9067T2, 018672T2, 60-3145T1 and 3146T1 are no longer available, modifications to the radio opening or the later style panels and plates may be needed for proper fit

1шт.

60-3146T2

ADHESIVE STRIP

TRIM PANEL, without PTO, panels 01-9067T2, 018672T2, 60-3145T1 and 60-3146T1 are no longer available, modifications to the radio opening or thelater stylr radio panels and plates may be needed for proper fit.

1шт.

14

20-2018T1

HOURMETER

must splice female blade terminals to the wire ends, old p/n 22-735 may no longer be available.

1шт.

15

19-5563

LOCK NUT

LOCK NUT

23шт.

16

19-5564

LOCK NUT,#6-32, GB

8шт.

17

1-8673

CAP

13шт.

18

1-8674

CAP WASHER

CAP

13шт.

19

31-1354

FASTENER

SPACER

4шт.

20

454774

SCREW

MACHINE SCREW, #10 x 1-1/4 UNC

4шт.

21

19-5568

STUD

quarter turn

2шт.

22

19-5569

RETAINER

quarter turn

2шт.

23

19-5570

CONTAINER

RECEPTACLE, quarter turn

2шт.

24

1-4291

HINGE

1шт.

25

1-4656

CABLE

Lanyard

1шт.

26

1-4657

CLEVIS

2шт.

27

19-5380

PIN

HAIR PIN

2шт.

28

19-143

CLEVIS PIN,5/16" x 0.94"

2шт.

29

35-1285T91

KIT

WIPER DRIVE KIT (front) (see fig. 1-32)

1шт.

20-1204T91

MOTOR

WIPER DRIVE (front)

1шт.

30

54-310

SPACER

1шт.

31

54-311

PIVOT ASSY.

PANTOGRAPH KIT

1шт.

32

19-939

BOLT,Hex, 1/4" - 28 x 1 1/4", Gr 5

CAPSCREW (19-1048 w/windshield washer)

2шт.

33

54-312

HALF BLADE

WIPER BLADE

1шт.

34

54-313

ARM

WIPAER ARM

1шт.

Выбрано товаров: 40