Запчасти Case IH SM-325 (04-04) - ENGINE AND ATTACHING PARTS, CAT 3406 ENGINE (04) - Drive Train

Схема запчастей Case IH SM-325 - (04-04) - ENGINE AND ATTACHING PARTS, CAT 3406 ENGINE (04) - Drive Train
12
22
3
13
11
7
10
15
20
9
16
4
6
15
17
17
14
26
19
25
16
15
2
24
8
1
23
18
5
13
21
FIT
1:1
100%

Артикул

Название

Примечание

Количество

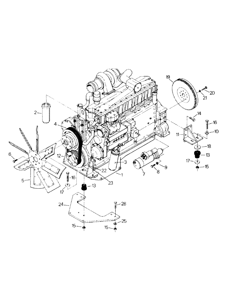
1

90-3921T1

Engine (3406 DIT - 280 HP)

1шт.

90-3922T1

Engine (3406 DIT - 325 HP)

1шт.

90-3970T1

Engine (3406 DITA - 360 HP)

1шт.

2

1-2335

FILTER, ENGINE OIL

Oil Filter

1шт.

3

1-2334

FILTER

Fuel Filter

1шт.

4

90-6727T1

SET OF BELTS,0.69" W x 62.80" L

Fan (Set of 2) (280 & 325 HP Engines) (Replaces 90-3860T1) 0.69" W x 62.80" L

1шт.

MEASURES 62.80" +/-.38

1шт.

90-4254T1

V-BELT,0.62" W x 61.50" L

Fan (Set of 2) (360 HP Engine) 0.62" W x 61.50" L

1шт.

THE BELT MEASURES 61.50"

1шт.

5

6-1597

FAN

(280 & 325 HP Engines)

1шт.

90-4238T1

FAN

(360 HP Engine)

1шт.

6

19-821

BOLT,Hex, 1/2" - 13 x 1 1/4", Gr 8, Full Thd

Capscrew

6шт.

7

Starter (Fig. 2-7)

1шт.

8

19-907

12 PT SCREW,Flg, 5/8" - 11 x 2", Gr 8

Capscrew

3шт.

9

19-912

WASHER

3шт.

10

19-111

WASHER,5/8"

4шт.

11

90-4387T1

ANCHOR

Engine Mount (Left)

1шт.

90-4388T1

ANCHOR

Engine Mount (Right)

1шт.

12

90-3910T1

Engine Mount

1шт.

13

24-231

RUBBER MOUNTING

Rubber Mount

6шт.

14

19-57

BOLT,5/8" - 11 x 1 3/4", Gr 5

Capscrew

12шт.

15

19-222

LOCK NUT,5/8" - 11, GB

Nut

12шт.

16

19-256

BOLT,Hex, 5/8" - 11 x 4", Gr 5

Capscrew

6шт.

17

19-408

WASHER

6шт.

18

51-128

WASHER

4шт.

19

90-1172T1

FLYWHEEL

Assy (supplied with engine)

1шт.

20

19-847

CAPSCREW,Hex, 5/8" - 18 x 2", Gr 8

(supplied with engine)

12шт.

21

19-5642

WASHER

(supplied with engine)

12шт.

22

NAP

Capscrew (Cat part)

8шт.

23

NAP

Washer (Cat part)

8шт.

24

90-4382T1

SUPPORT

Engine Support

1шт.

25

19-1071

WASHER,21/32" x 1 5/16" x 0.15", HDN

4шт.

26

19-840

BOLT,1/2" - 13 x 2 1/2", Gr 5

Capscrew

6шт.

Выбрано товаров: 33