Запчасти Case IH SM-325 (04-32) - TRANSMISSION SHIFTER HOUSING (04) - Drive Train

Схема запчастей Case IH SM-325 - (04-32) - TRANSMISSION SHIFTER HOUSING (04) - Drive Train
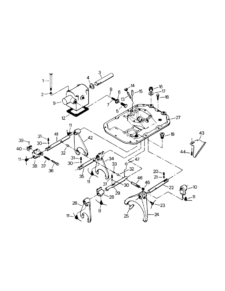
8
31
42
34
11
1
19
11
30
32
37
14
15
11
40
28
32
24
4
25
47
44
2
33
29
43
10
46
30
36
18
45
21
11
11
5
7
35
27
16
17
38
13
6
39
23
12
11
9
31
41
30
31
3
20
22
26
FIT
1:1
100%

Артикул

Название

Примечание

Количество

1-4204

HOUSING

Shifter Housing Sub-Assy, consists of Ref. 1-47

1шт.

12-1717

DIVIDER

Control Housing Sub-Assy, consists of Ref. 1-11

1шт.

1

19-922

Capscrew Hex, 5/16"-18 x 5", G5

4шт.

2

12-1544

LOCK WASHER

4шт.

3

12-1723

SHAFT

Splitter Control Rod

1шт.

4

12-1724

OIL SEAL

1шт.

5

12-1728

CAPSCREW

Screw

1шт.

6

12-1616

LOCK WASHER

Washer

1шт.

7

12-1727

SPRING

1шт.

8

12-1726

BALL

1шт.

9

12-1725

HOUSING

Splitter Housing

1шт.

10

12-1721

FINGER

Splitter Shift Finger

1шт.

11

12-1550

SCREW

6шт.

12

12-1625

GASKET

1шт.

13

12-1602

PIN

Backup Light Pin

1шт.

14

12-1603

PLUG

1шт.

15

12-1601

PIN

Blocker Pin

1шт.

16

408

NUT,5/8" - 18, Gr 5

2шт.

17

19-120

LOCK WASHER,5/8"

5/8"

2шт.

18

12-1484

BOLT

Capscrew

14шт.

19

12-1719

PLUG

1шт.

20

12-1582

SPRING

1шт.

21

12-1583

PIN

Stop Pin

1шт.

22

12-1579

ROD

Shift Splitter Rod

1шт.

23

12-1596

SET SCREW,7/16" - 20 x 13/16"

1шт.

24

12-1580

FORK

Shift Splitter Fork

1шт.

25

12-1581

SHOE

Splitter Fork Shoe

2шт.

26

12-1587

FORK

Shift Fork (7th, 8th, 9th & 10th)

2шт.

27

1-4206

HOUSING

Shifter Housing

1шт.

28

12-1588

BRACKET

Shift Bracket (7th, 8th, 9th & 10th)

1шт.

29

1-4207

ROD

Shift Rod (7th, 8th, 9th & 10th)

1шт.

30

12-1584

BALL

3шт.

31

12-1585

SPRING

3шт.

32

12-1589

LOCK

2шт.

33

12-1590

PIN

Lock Pin

1шт.

34

12-1592

FORK

Shift Fork (3rd, 4th, 5th & 6th)

1шт.

35

12-1591

ROD

Shift Rod (3rd, 4th, 5th & 6th)

1шт.

36

12-1597

PLUNGER

Shift Plunger Pin (1st, 2nd & Reverse)

2шт.

37

12-1598

SPRING

1шт.

38

12-1594

BRACKET

Shift Bracket (1st, 2nd & Reverse)

1шт.

39

12-1600

PIN

Shift Plunger Pin

1шт.

40

12-1599

SPRING

Shift Bracket Block

1шт.

41

12-1593

ROD

Shift Rod (1st, 2nd & Reverse)

1шт.

42

12-2046

FORK

Shift Fork (1st, 2nd & Reverse)

1шт.

43

12-2049

TROUGH

1шт.

44

12-2048

Screw

1шт.

45

1-4203

SPRING

1шт.

46

1-4200

PLUNGER

Interlock Plunger

1шт.

47

1-4208

BALL

1шт.

Выбрано товаров: 49