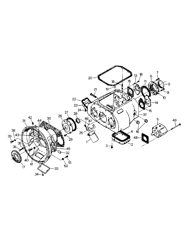
Запчасти Case IH SM-325 (04-34) - TRANSMISSION CASE, BEARING CAPS AND RELATED PARTS (04) - Drive Train

Схема запчастей Case IH SM-325 - (04-34) - TRANSMISSION CASE, BEARING CAPS AND RELATED PARTS (04) - Drive Train
15
42
25
33
8
22
34
40
48
41
1
28
3
45
50
24
21
29
5
17
23
26
2
44
6
31
46
7
51
47
20
11
9
14
49
15
36
39
4
32
16
43
18
10
37
18
35
27
38
19
30
13
FIT
1:1
100%

Артикул

Название

Примечание

Количество

1

12-1665

FILTER

Assy

1шт.

18-502

FILTER CARTRIDGE

Element

1шт.

2

12-1493

COVER

1шт.

3

19-32

BOLT,Hex, 7/16" - 14 x 1", Gr 5, Full Thd

Capscrew

8шт.

4

12-1494

GASKET

1шт.

5

90-2369T91

PUMP

Lube Pump Assy (see Note)

1шт.

The lube pump is serviced as an assembly; there are no service parts available.

1шт.

6

12-2050

CAP

& Seal Assy (includes Ref. 9)

1шт.

7

19-45

BOLT,1/2" - 13 x 1 1/2", Gr 5

Capscrew

4шт.

8

19-47

BOLT,1/2" - 13 x 2 1/2", Gr 5

Capscrew

2шт.

9

12-1500

OIL SEAL

1шт.

10

12-1505

PLUG

1шт.

11

12-1501

GASKET

1шт.

12

19-17

BOLT,Hex, 3/8" - 16 x 1", Gr 5, Full Thd

Capscrew

10шт.

13

12-1508

CAP

Bearing Cap

1шт.

14

90-2286T1

CAP

Flange

1шт.

15

90-1715T1

GASKET

2шт.

16

12-1488

PLUG

2шт.

17

13-178

BRAKE

Clutch Brake (1-3/4") (Cat 3306 & Cummins L10 Engines)

1шт.

13-194

DISC

Clutch Brake (2") (Cummins 855, Cat 3406 & Komatsu engines)

1шт.

18

12-1515

STUD

2шт.

19

12-1519

PIN

Dowel Pin

2шт.

20

12-1514

GASKET

1шт.

21

12-1489

PLUG

1шт.

22

2-2769

GASKET

1шт.

23

1-4858

PLUG, DRAIN

Trans Drain

1шт.

24

19-16

BOLT,Hex, 3/8" - 16 x 3/4", Gr 5

Capscrew

6шт.

25

12-1664

BRACKET

Filter Bracket

1шт.

26

12-1480

CAP

& Seal (incl Ref. 28)

1шт.

27

12-1483

GASKET

1шт.

28

12-1482

OIL SEAL

1шт.

29

19-18

BOLT,Hex, 3/8" - 16 x 1 1/4", Gr 5

Capscrew

4шт.

30

12-1475

GASKET

1шт.

31

Clutch Housing (Fig. 4-31)

1шт.

32

12-1471

BUSHING

2шт.

33

12-1472

COVER

1шт.

34

12-1473

SCREW,Hex, 5/16" - 18 x 1", Gr 5

Capscrew

2шт.

35

19-711

WASHER,5/8", SAE

10шт.

36

19-675

BOLT,Hex, 5/8" - 11 x 1 1/4", Gr 5

Capscrew

10шт.

37

12-2053

CASE

(incl Refs. 16 & 21)

1шт.

38

19-118

LOCK WASHER,7/16"

7/16"

2шт.

39

65-59

BOLT,Hex, M10 x 60mm

Capscrew

2шт.

40

19-44

BOLT,Hex, 1/2" - 13 x 1 1/4", Gr 5

Capscrew

4шт.

41

19-463

WASHER,1/2", SAE

4шт.

42

13-129

WASHER

2шт.

43

13-130

SHAFT

Short Shaft

1шт.

44

13-79

YOKE

Release Yoke

1шт.

45

13-204

SHAFT

Long Shaft

1шт.

46

19-1

BOLT,Hex, 1/4" - 20 x 3/4", Gr 5

Capscrew

2шт.

47

19-115

LOCK WASHER,1/4"

1/4"

2шт.

48

90-2288T1

GASKET

1шт.

49

186650

SCREW

Capscrew

4шт.

50

19-224

WASHER,3/8", SAE

(other models)

12шт.

19-643

WASHER,7/16", SAE

(Cat 3406 & Cummins 855)

1шт.

w/LH starter after 5-1-84 only

1шт.

19-5801

WASHER

(Komatsu)

1шт.

51

19-19

BOLT,Hex, 3/8" - 16 x 1 1/2", Gr 5

Capscrew (other models)

12шт.

19-371

BOLT,Hex, 7/16" - 14 x 1 1/2", Gr 8

Capscrew (Cat 3406 & Cummins 855)

1шт.

w/LH starter after 5-1-84 only

1шт.

40-1212

CAPSCREW,Hex, M12 x 1.75 x 35mm, Gr 10.9

(Komatsu)

1шт.

Выбрано товаров: 60