Запчасти Case IH SM-325 (04-40) - TRANSFER CASE SHIFTING (04) - Drive Train

Схема запчастей Case IH SM-325 - (04-40) - TRANSFER CASE SHIFTING (04) - Drive Train
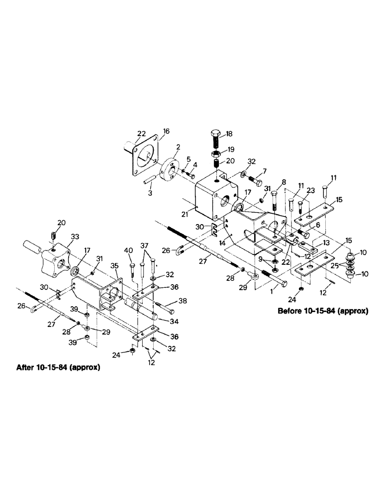
12
22
3
39
30
24
31
35
15
29
16
40
5
32
11
6
10
9
21
12
30
24
25
17
13
20
27
29
11
27
15
36
28
14
10
34
37
20
32
7
38
4
23
26
2
12
18
28
31
36
19
26
32
8
22
39
17
1
33
FIT
1:1
100%

Артикул

Название

Примечание

Количество

1

19-395

BOLT,Hex, 3/8" - 16 x 5 1/2", Gr 5

Capscrew

2шт.

2

1-2548

BLOCK

Adjusting Block

1шт.

3

19-1115

DOWEL,1/4" x 2"

Pin

1шт.

4

19-19

BOLT,Hex, 3/8" - 16 x 1 1/2", Gr 5

Capscrew

2шт.

5

19-306

WASHER

2шт.

6

19-17

BOLT,Hex, 3/8" - 16 x 1", Gr 5, Full Thd

Capscrew

1шт.

7

19-22

BOLT,Hex, 3/8" - 16 x 2 1/2", Gr 5

Capscrew

2шт.

8

19-741

BOLT,Hex, 1/2" - 13 x 2 3/4", Gr 5

Capscrew

1шт.

9

19-81

NUT,1/2"-13, G5

2шт.

10

24-206

BEARING CONE,0.5" ID x 0.75" OD x 0.3"

Bearing

2шт.

11

19-145

CLEVIS PIN,3/8" x 1.06"

2шт.

12

19-238

COTTER PIN,3/32" x 3/4"

Pin, Split (Cotter), 3/32" x 3/4"

2шт.

13

1-3555

ARM

Linkage Arm

1шт.

14

1-3559T2

BRACKET

Cable Bracket

1шт.

15

1-3557T1

LEVER

Linkage Lever

2шт.

16

1-2300

SHIM

1шт.

17

1-1850

SEAL

1шт.

18

19-59

BOLT,Hex, 5/8" - 11 x 1 1/2", Gr 5

Capscrew

1шт.

19

19-83

NUT,5/8"-11, G5

1шт.

20

1-1852

PLUNGER

Ball Plunger

1шт.

21

1-1889

BLOCK

Detent Block

1шт.

22

1-4801

ROD

Shifter Rod

1шт.

23

19-8

BOLT,5/16" - 18 x 1 1/2", Gr 5

Capscrew

1шт.

24

231-1445

NUT,5/16"-18, GB

NUT, LOCK, 5/16"-18, GB

1шт.

25

19-463

WASHER,1/2", SAE

2шт.

26

19-5402

BOLT

U-Bolt

1шт.

27

1-3561

CABLE

Transfer Case Cable

1шт.

28

19-236

JAM NUT,5/16" - 24, Gr 5

Jam Nut

1шт.

29

1-3332

BALL JOINT

Rod End

1шт.

30

2-3008T1

SHIM

1шт.

31

19-509

LOCK NUT,5/16"-24, GB

2шт.

32

19-224

WASHER,3/8", SAE

2шт.

33

90-5806T1

Detent Block

1шт.

34

90-5804T1

ROD

Shifter Rod

1шт.

35

90-5808T1

Cable Bracket

1шт.

36

90-5811T1

Linkage Lever

2шт.

37

19-6159

CLEVIS

Pin

2шт.

38

19-298

BOLT,Hex, 3/8" - 16 x 3.25", Gr 5

Capscrew

4шт.

39

19-6054

Spacer

2шт.

40

19-9

BOLT,5/16" - 18 x 2", Gr 5

Capscrew

1шт.

Выбрано товаров: 40