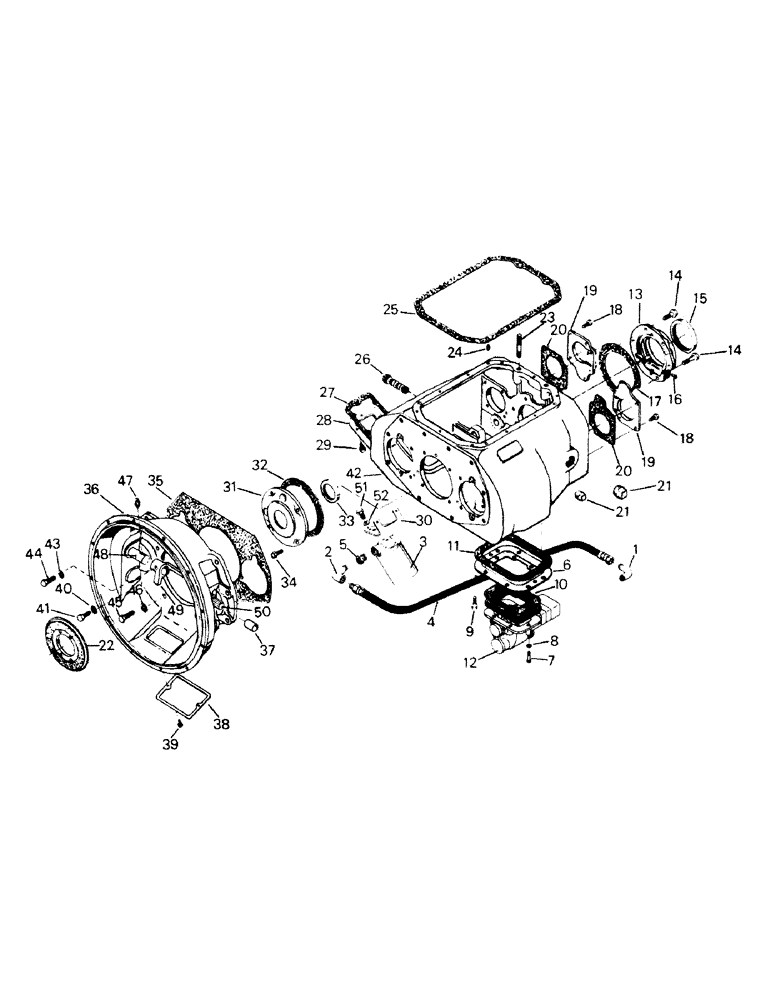
Запчасти Case IH ST210 (04-16) - CASE, BEARING CAPS AND RELATED PARTS, ALL TRANSMISSIONS (04) - Drive Train

Схема запчастей Case IH ST210 - (04-16) - CASE, BEARING CAPS AND RELATED PARTS, ALL TRANSMISSIONS (04) - Drive Train
23
17
11
33
31
35
28
1
13
18
50
52
7
12
2
20
21
51
41
25
8
43
14
4
45
19
16
22
19
42
49
9
36
32
46
48
30
15
5
27
24
29
4
34
3
37
38
10
14
40
18
20
39
47
21
6
26
FIT
1:1
100%

Артикул

Название

Примечание

Количество

12-2018

LUBE PUMP MOUNTING SUB-ASSEMBLY, Includes: Ref. 1 - 5

1шт.

1

31-466

PIPE

ELBOW

1шт.

2

31-21

ELBOW

1шт.

3

12-1665

FILTER

ASSEMBLY

1шт.

18-502

FILTER CARTRIDGE

ELEMENT

1шт.

4

12-1663

HOSE,SAE 100R1

SAE 100R1

1шт.

5

31-12

REDUCER

1шт.

12-2054

PUMP ASSEMBLY & PARTS KIT, consists of ref. nos. 6-12

1шт.

6

12-1749

PLATE, adapter

1шт.

12-1750

KIT

MOUNTING KIT, consists of ref. nos. 7-8

1шт.

7

19-24

BOLT,3/8" - 16 x 2 1/4", Gr 5

CAPSCREW, 3/8 x 2-1/4 UNC

5шт.

19-279

BOLT,Hex, 3/8" - 16 x 3", Gr 5

CAPSCREW, 3/8 X 3 UNC

1шт.

8

12-2015

GASKET

copper

6шт.

9

12-1751

KIT

STUD KIT (includes the following 3 Refs.)

1шт.

19-32

BOLT,Hex, 7/16" - 14 x 1", Gr 5, Full Thd

CAPSCREW, 7/16 x 1 UNC

7шт.

12-2011

PIN

DOWEL PIN

1шт.

12-2013

BOLT,Flat Hd, 7/16" - 14 x 1"

FLAT HEAD SOCKET SCREW

2шт.

10

12-1748

GASKET

(.010)

2шт.

12-1994

GASKET

(.010)

1шт.

11

12-1747

GASKET

(.020)

1шт.

12

12-2055

PUMP

P.T.O. (see figure 00)

1шт.

13

12-2050

CAP

ASSEMBLY, sub-cap M/S rear bearing & seal (includes ref. 15) (used only on transmission P/N 12-2043 and 01-2214)

1шт.

12-1497

CAP

ASSEMBLY, sub-cap M/S rear bearing & seal (includes ref. 15) (used only on transmission P/N 12-1989)

1шт.

12-1498

ASSSEMBLY, sub-cap M/S rear bearing (used on transmission P/N 12-1989)

1шт.

14

12-1503

SCREW

BOLT, M/S rear bearing (short)

4шт.

12-1502

BOLT

M/S rear bearing (long)

2шт.

15

12-1500

OIL SEAL

OIL SEAL, bearing cap, M/S rear

1шт.

16

12-1505

PLUG

speedometer hole

1шт.

17

12-1501

GASKET

bearing cap, M/S rear

1шт.

18

12-1510

BOLT, C/S rear bearing cap

10шт.

19

12-1508

CAP

BEARING CAP. C/S rear

2шт.

20

12-1509

GASKET

bearing cap, C/S rear

2шт.

21

12-1488

PLUG

drain

2шт.

22

13-178

BRAKE

CLUTCH BRAKE, 1-3/4"

1шт.

23

12-1515

STUD

shifter housing mounting

2шт.

24

12-1519

PIN

DOWEL PIN, housing & case

2шт.

25

12-1514

GASKET

shifter housing

1шт.

26

12-1489

PLUG

drain

1шт.

27

2-2769

GASKET

1шт.

28

12-2074

PLUG, DRAIN

COVER (used only on transmission P/N 12-2043 and 01-2214

1шт.

12-1990

LARGE PLATE

COVER (used on transmission P/N 12-1989)

1шт.

29

12-1492

BOLT

6шт.

30

12-1664

BRACKET

(all other transmissions)

1шт.

2-2277

BRACKET (transmission P/N 01-2214 only)

1шт.

31

12-1480

CAP

& SEAL (includes ref. 33)

1шт.

12-1481

CAP & BEARING, drive gear

1шт.

32

12-1483

GASKET

bearing cap

1шт.

33

12-1482

OIL SEAL

OIL SEAL, bearing cap

1шт.

34

12-1484

BOLT

4шт.

35

12-1475

GASKET

clutch housing

1шт.

36

12-1470

HOUSING

CLUTCH HOUSING (includes ref. 37-40) (used only on transmission P/N 12-1989, 12,2043 and 01-2214)

1шт.

37

12-1471

BUSHING

clutch release shaft (upper holes)

2шт.

38

12-1472

COVER

1шт.

39

12-1473

SCREW,Hex, 5/16" - 18 x 1", Gr 5

BOLT, clutch housing cover

2шт.

40

12-1479

WASHER

WASHER, clutch housing

4шт.

41

12-1476

SCREW,Hex, 5/8" x 1 1/4", Gr 8

BOLT, clutch housing

10шт.

42

12-1486

HOUSING

CASE (includes ref. 21 & 26) (used only on transmission P/N 12-1989)

1шт.

12-2053

CASE

(includes ref.21 & 26) (used only on transmission P/N 12-2043 and 01-2214

1шт.

43

19-118

LOCK WASHER,7/16"

7/16"

2шт.

44

65-59

BOLT,Hex, M10 x 60mm

2шт.

45

12-1477

BOLT

2шт.

46

12-1478

WASHER

4шт.

47

12-129

WASHER

1шт.

48

13-130

SHAFT

1шт.

49

13-79

YOKE

1шт.

50

13-204

SHAFT

1шт.

51

19-17

BOLT,Hex, 3/8" - 16 x 1", Gr 5, Full Thd

CAPSCREW, 3/8 x 1 UNC

2шт.

52

19-117

LOCK WASHER,3/8"

3/8"

2шт.

Выбрано товаров: 68