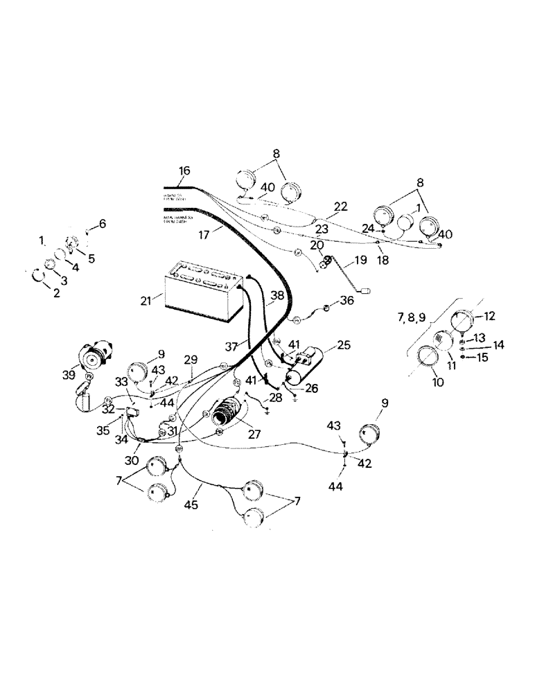
Запчасти Case IH ST210 (02-10) - FRAME ELECTRICAL (06) - ELECTRICAL

Схема запчастей Case IH ST210 - (02-10) - FRAME ELECTRICAL (06) - ELECTRICAL
30
28
44
8
39
32
33
36
11
21
9
42
17
40
34
8
2
3
4
15
43
1
13
5
7
38
31
22
37
6
9
23
9
41
44
41
29
1
18
10
7
14
12
35
27
8
16
45
20
19
7
26
25
40
24
43
42
FIT
1:1
100%

Артикул

Название

Примечание

Количество

1

22-777

NO LONGER SERVICED

LIGHT, tail (or 22-103)

2шт.

2

22-283

OIL SEAL

RIM, light

1шт.

3

22-284

LENS

red

1шт.

4

22-285

GASKET

1шт.

5

NSS

NOT SOLD SEPARAT

HOUSING

1шт.

6

22-286

BULB

1шт.

7

22-774

NO LONGER SERVICED

LIGHT ASSEMBLY, front

4шт.

8

22-239

LAMP

LIGHT ASSEMBLY, rear

4шт.

9

22-775

FIELD LIGHT (L.H.)

1шт.

22-776

FIELD LIGHT (R.H.)

1шт.

10

22-364

RETAINER

1шт.

11

22-369

LAMP

front & field light

6шт.

22-365

LAMP

rear light

4шт.

12

NSS

NOT SOLD SEPARAT

HOUSING

10шт.

13

22-366

BUSHING

pivot

10шт.

14

22-367

SPRING WASHER

10шт.

15

231-2448

LOCK NUT,1/2"-20, GB

NUT, mounting

10шт.

16

22-1068

HARNESS, wire

1шт.

17

22-1067

MAIN WIRE HARNESS

1шт.

18

22-40

CONNECTOR,ELECTRIC

QUICK SPLICE

4шт.

19

29-115

UNIT

SENDER, fuel (repl's 29-009)

1шт.

Old part number can be used for all models, but order new part number when stock is depleted.

1шт.

20

29-31

GASKET

1шт.

21

22-32

BATTERY, wet

1шт.

22

22-771

WIRE, rear field light

2шт.

23

22-407

WIRE, tail light

1шт.

24

22-475

GROMMET

4шт.

25

22-652

STARTER (see figure 2-2)

1шт.

26

22-33

CABLE

WIRE, starter ground

1шт.

27

22-449

ALTERNATOR

(see figure 2-6)

1шт.

2-1369

ALTERNATOR (see figure 2-7)

1шт.

28

22-573

WIRE, alternator ground

1шт.

29

22-39

CONNECTOR, 3-way

3шт.

30

22-452

REGULATOR, wire harness

1шт.

31

22-215

ROD, CONNECTING

LINE CONNECTOR

1шт.

32

22-641

VALVE

REGULATOR

1шт.

33

19-159

SCREW,Sl Rnd Hd, #10 - 24 x 3/4", Gr 2

STOVE BOLT, 3/16 x 3/4 UNF

2шт.

34

19-297

LOCK WASHER,#10

#10

2шт.

35

19-567

NUT,#10-24

3/16 UNF

2шт.

36

NAP

SOLENOID (purchase from Caterpillar)

1шт.

37

22-1002

BATTERY CABLE, neg. (see figure 2-1)

1шт.

38

22-1003

BATTERY CABLE, pos.

1шт.

39

22-577

WIRE, air conditioner compressor

1шт.

40

22-770

WIRE, rear field light

2шт.

41

60-157

BOLT

CLIP

2шт.

42

32-68

COTTER PIN,3/32" x 1/2"

CLIP

2шт.

43

19-480

SCREW,Slotted Pan Hd, #10-24 x 3/8", G5

MACHINE SCREW, #10 x 3/4 UNC

2шт.

44

19-567

NUT,#10-24

#10 UNC

2шт.

45

22-772

WIRE ASSEMBLY, front lights

1шт.

Выбрано товаров: 49