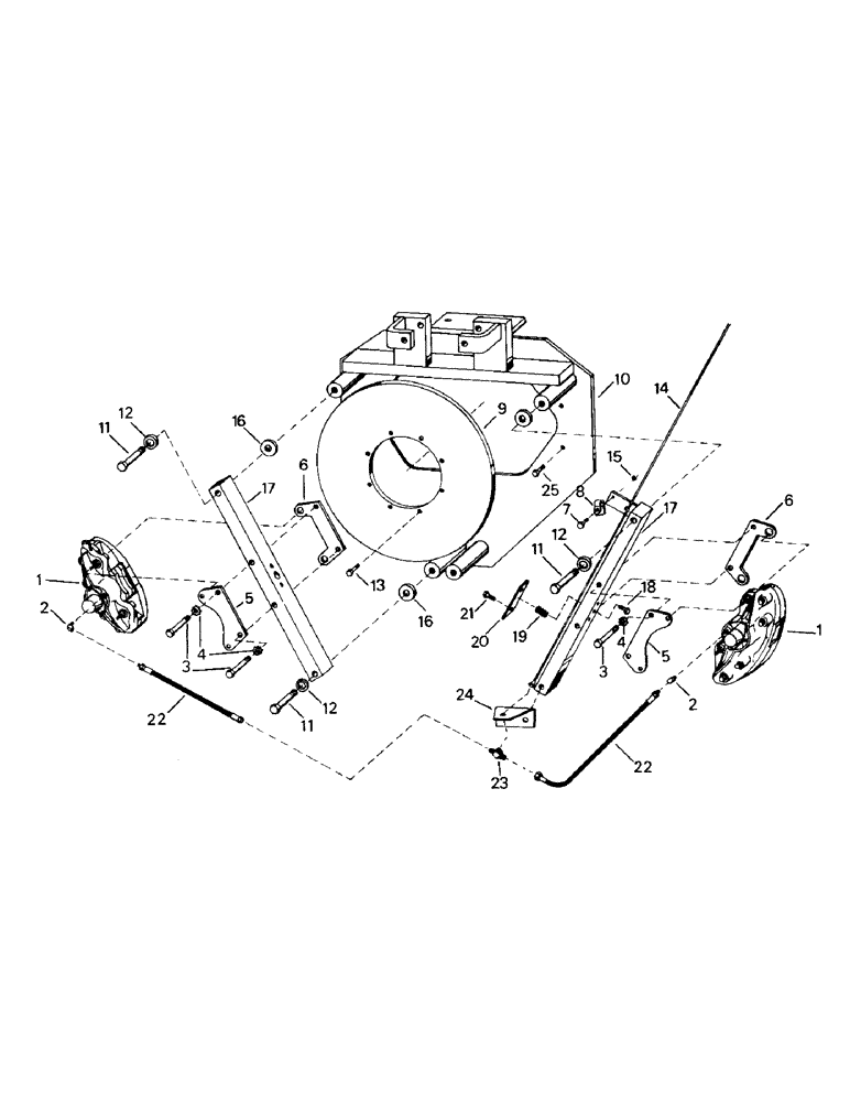
Запчасти Case IH ST220 (05-01) - HYDRAULIC BRAKE AND MOUNTING, WITH SINGLE SPEED TRANSFER CASE (5.1) - BRAKES

Схема запчастей Case IH ST220 - (05-01) - HYDRAULIC BRAKE AND MOUNTING, WITH SINGLE SPEED TRANSFER CASE (5.1) - BRAKES
8
5
3
17
14
2
3
11
16
22
16
21
23
13
11
4
22
1
11
1
2
20
12
9
24
25
10
12
7
6
15
17
18
19
4
5
6
12
FIT
1:1
100%

Артикул

Название

Примечание

Количество

1

1-1076

BRAKE

Assy

2шт.

1-6046

BRAKE

Assy (Fig. 5-2)

1шт.

2

31-237

ELBOW

2шт.

3

19-48

BOLT,Hex, 1/2" - 13 x 3", Gr 5

Capscrew, 1/2 NC x 3

4шт.

4

19-194

LOCK WASHER,Ext Tooth, 1/2"

Washer

4шт.

5

1-2945

HANGER

(Small Hole), 6.75" Long, two .50" Holes and two .765" holes

2шт.

6

1-2946

HANGER

(Large Hole), 6.25" Long, two .385" Holes and two .531" Holes

2шт.

7

19-159

SCREW,Sl Rnd Hd, #10 - 24 x 3/4", Gr 2

Machine Screw, #10 NC x 3-4

1шт.

8

32-68

COTTER PIN,3/32" x 1/2"

Clamp

1шт.

9

55-135

DISC

1шт.

10

55-150

ANCHOR

Weldment, Brake Mount

1шт.

11

19-275

BOLT,Hex, 5/8" - 11 x 3 1/4", Gr 5

Capscrew, 5/8 NC x 3-1/4

4шт.

12

19-120

LOCK WASHER,5/8"

5/8"

4шт.

13

19-479

CAPSCREW,Hex, 3/8" - 24 x 1", Gr 5

3/8 NF x 1

8шт.

14

1-366

BRAKE LINE

1шт.

15

19-567

NUT,#10-24

#10 NC

1шт.

16

19-711

WASHER,5/8", SAE

1шт.

17

33-247

BAR

Brake Mount

2шт.

18

33-237

BOLT,Hex, 1/2" - 13 x 3/4"

Capscrew

2шт.

19

66-93

SPRING

2шт.

20

33-236

PLATE

Retainer

2шт.

21

19-18

BOLT,Hex, 3/8" - 16 x 1 1/4", Gr 5

Capscrew, 3/8 NC x 1-1/4

4шт.

22

18-1631

HOSE

2шт.

23

31-671

TEE,7/16"-20, 37 Degree, Blkhd

Flare

1шт.

24

33-280

MOUNTING PARTS

Bracket

1шт.

25

19-652

BOLT,Hex, 3/8" - 16 x 1 1/2", Gr 8

Capscrew, 3/8 NC x 1-1/2

1шт.

Выбрано товаров: 26