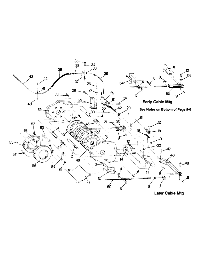
Запчасти Case IH ST220 (05-05) - TWO SPEED BRAKE ASSY AND MOUNTING, FOR SWINGING TRANSFER CASE (5.1) - BRAKES

Схема запчастей Case IH ST220 - (05-05) - TWO SPEED BRAKE ASSY AND MOUNTING, FOR SWINGING TRANSFER CASE (5.1) - BRAKES
51
39
29
8
36
56
5
11
33
9
61
34
1
43
4
21
55
10
52
47
28
12
57
18
6
59
50
64
5
35
7
56
60
30
19
63
10
26
4
17
40
9
32
48
38
34
31
46
25
41
37
20
15
53
11
38
49
8
51
27
23
62
9
9
22
45
2
6
9
14
54
44
16
13
3
42
58
24
FIT
1:1
100%

Артикул

Название

Примечание

Количество

1

1-6921

PIN

Brake

6шт.

Some early brakes did not have the adjustment shims, Ref. 44 and 45, in which case Kit P/N 35-1108 (Includes: Ref. 1, 2, 30, 17, 44 and 45) should be installed. The part numbers shown here for Ref. 1, 2 and 30 are for the latest pins which are used with the shims, so if any of those are needed on a tractor without the shims, the kSome early brakes did not have the adjustment shims, Ref. 44 and 45, in which case Kit P/N 35-1108 (Includes: Ref. 1, 2, 30, 17, 44 and 45) should be installed. The part numbers

1шт.

2

1-6919

PIN

Pivot

1шт.

3

19-77

NUT,5/16"-18, G5

5/16 NC

2шт.

4

1-3767

SHIM

1шт.

5

19-964

BOLT

U-Bolt

1шт.

6

19-46

BOLT,1/2" - 13 x 2", Gr 5

Capscrew, 1/2 NC x 2

8шт.

7

1-6934

LINK

1шт.

8

19-89

NUT,1/4"-28, G5

1/4 NF

1шт.

9

19-168

COTTER PIN,1/8" x 1"

5шт.

10

19-5415

CLEVIS PIN,3/8" x 1 3/8"

1шт.

11

1-2958

LEVER

1шт.

12

1-6939

BRACKET

1шт.

13

19-1108

BOLT,Hex, 1/2" - 13 x 1", Gr 8

Capscrew, 1/2 NC x 1

2шт.

14

1-2086

Pivot

1шт.

15

9417948

CLEVIS PIN,1/2" x 1.530"

1шт.

16

1-1912

PLATE

Outside

1шт.

17

1-4774

SHIELD

2шт.

18

1-5696

SPRING

1шт.

19

19-139

YOKE

1шт.

20

1-2092

YOKE

1шт.

21

9422050

PIN

Clevis Pin

1шт.

22

19-170

COTTER PIN,1/16" x 3/4"

Pin, Split (Cotter), 1/16" x 3/4"

1шт.

23

19-91

NUT,3/8"-24, G5

3/8 NF

1шт.

24

19-581

CAPSCREW,Hex, 7/16" - 14 x 2", Gr 8

7/16 NC x 2

2шт.

25

1-2081

CYLINDER ASSY.

Cylinder, Slave

1шт.

25

54-299R

REMAN-HYD CYLINDER

Reman for New PN 1-2081

1шт.

25

54-299C

CORE-HYD CYLINDER

Return Number

1шт.

35-1009

KIT

Repair Kit

1шт.

54-299R

REMAN-HYD CYLINDER

Reman for New PN 35-1009

1шт.

54-299C

CORE-HYD CYLINDER

Return Number

1шт.

26

19-144

CLEVIS PIN,1/4" x 0.77"

1шт.

27

19-223

WASHER,1/4"

1/4

1шт.

28

19-792

BOLT,Hex, 1/2" - 13 x 2 1/2", Gr 8

Capscrew, 1/2 NC x 2-1/2

2шт.

29

1-2082

Bracket

1шт.

30

1-6920

PIN

Brake

2шт.

31

90-2889T1

CAP

Plate, End (01-1913)

1шт.

Superseded - Old P/N is not used any longer, the new P/N is to be used in ALL cases. Old P/N should be removed from existing inventory. It is recommended that the old part not be used under any circumstances.

1шт.

32

19-463

WASHER,1/2", SAE

1/2

1шт.

33

19-554

HEX SOC SCREW,1/2" - 13 x 2", Gr 8

Capscrew, 1/2 NC x 2

6шт.

34

19-107

WASHER

3/8

2шт.

35

1-2139

LINE

Brake Line

1шт.

36

19-78

SPECIAL NUT,3/8"-16, G5

3/8 NC

2шт.

37

1-4612

Bracket

1шт.

38

31-1391

FITTING,Blkhd, 7/16"-20, 37 Degree x 7/16"-20, 37 Degree

Adapter

1шт.

39

31-1390

HOSE

Assy

1шт.

40

19-567

NUT,#10-24

#10 NC

1шт.

41

32-68

COTTER PIN,3/32" x 1/2"

Clamp

3шт.

42

19-233

SCREW,Sl Rd Hd, #10 - 24 x 1/2", Gr 2

Machine Screw, #10 NC x 1/2

1шт.

43

1-2141

LINE

Brake Line

1шт.

44

19-5507

SHIM

30шт.

Some early brakes did not have the adjustment shims, Ref. 44 and 45, in which case Kit P/N 35-1108 (Includes: Ref. 1, 2, 30, 17, 44 and 45) should be installed. The part numbers shown here for Ref. 1, 2 and 30 are for the latest pins which are used with the shims, so if any of those are needed on a tractor without the shims, the kit must be ordered.

1шт.

45

19-5506

SHIM

10шт.

46

1-6945

ARM

Lever

1шт.

47

42-102

CLEVIS PIN,1/2" x 2.060"

1шт.

48

9416912

CLEVIS PIN,3/8" x 1 1/2"

1шт.

1-4669

BRAKE

Assembly, consists of

1шт.

49

1-4668

BRAKE DISC

Disc, Intermediate

4шт.

50

1-3322

DISC

Metal

2шт.

1-3323

DISC

Assy, Actuating (contains only Ref. 51-57)

1шт.

51

19-237

NUT,Jam, 1/2" - 20, Gr 5

1/2 NF

2шт.

52

1-3324

STUD

2шт.

53

1-3325

LINK

1шт.

54

1-3326

LINK

Yoke

1шт.

55

1-3327

BALL

6шт.

56

1-3328

DISC

Actuating

2шт.

57

1-3329

SPRING

Extension

4шт.

58

19-44

BOLT,Hex, 1/2" - 13 x 1 1/4", Gr 5

Capscrew, 1/2 NC x 1-1/4

6шт.

59

1-2266

Plate, Inside

1шт.

60

60-1388T1

CABLE

Park Brake (01-6955)

1шт.

Superseded - P/N is superseded on this model or models only. Old P/N can be used for other applications and models but new P/N must always be used in this code.

1шт.

1-1051

GROMMET

(in Floorboard w/Brake Cable)

1шт.

61

1-3082

BOOT

1шт.

62

1-4663

PUSH ROD

Pushrod

1шт.

63

Yoke

1шт.

Ref. 63 and 64 must be serviced by ordering Kit P/N 35-1112. Kit contains Ref. 7, 9, 12, 46, 47, 48 and 60.

1шт.

64

Bracket

1шт.

Ref. 63 and 64 must be serviced by ordering Kit P/N 35-1112. Kit contains Ref. 7, 9, 12, 46, 47, 48 and 60.

1шт.

35-1112T91

KIT

Brake Cable

1шт.

Ref. 63 and 64 must be serviced by ordering Kit P/N 35-1112. Kit contains Ref. 7, 9, 12, 46, 47, 48 and 60.

1шт.

35-1108

KIT

Brake Shims

1шт.

Some early brakes did not have the adjustment shims, Ref. 44 and 45, in which case Kit P/N 35-1108 (Includes: Ref. 1, 2, 30, 17, 44 and 45) should be installed. The part numbers shown here for Ref. 1, 2 and 30 are for the latest pins which are used with the shims, so if any of those are needed on a tractor without the shims, the kit must be ordered.

1шт.

Выбрано товаров: 0