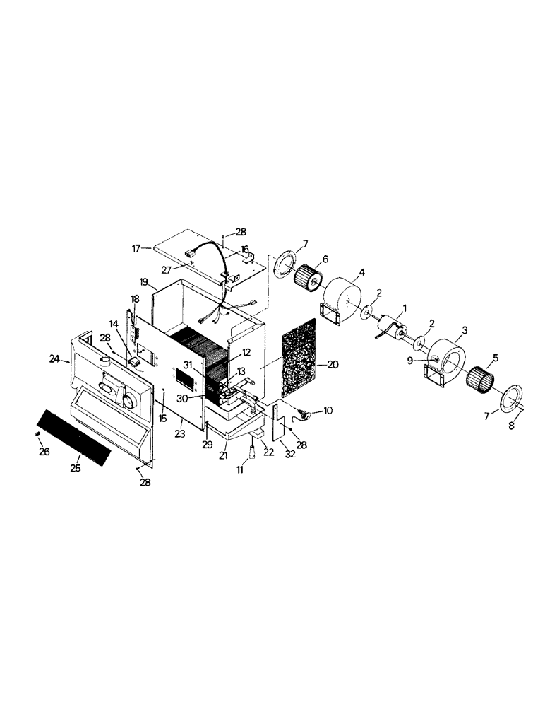
Запчасти Case IH ST280 (03-03) - A/C AND HEATER MODULE ASSEMBLY, SERVICE ONLY (03) - Climate Control

Схема запчастей Case IH ST280 - (03-03) - A/C AND HEATER MODULE ASSEMBLY, SERVICE ONLY (03) - Climate Control
9
21
6
13
10
1
28
25
30
18
2
27
24
7
20
7
31
8
28
28
19
17
15
26
2
29
4
5
14
12
3
32
22
23
11
28
16
FIT
1:1
100%

Артикул

Название

Примечание

Количество

60-3806T91

CONTROL

Module Assy, consists of Refs. 1-31

1шт.

60-2641T91

BLOWER

Assy, consists of Refs. 1-9

1шт.

1

60-2564T1

BLOWER

Motor

1шт.

2

60-2565T1

GASKET

Motor Gasket

2шт.

3

60-2568T1

HOUSING

Blower Housing, RH

1шт.

4

60-2569T1

HOUSING

Blower Housing, LH

1шт.

5

60-2566T2

BLOWER

Wheel, RH, 4.75" O.D.

1шт.

6

60-2629T2

BLOWER

Wheel, LH, .375" I.D. for shaft

1шт.

7

60-2567T1

FLANGE

Inlet Flange

2шт.

8

9426646

SELF-TAP SCREW,Hex Wash Hd, #6 x 1/4"

Tapping Screw

6шт.

9

231-24109

LOCK NUT,#10-32, GB

4шт.

10

1-7844

VALVE

Expansion Valve

1шт.

11

25-1060

Drain Tube 1" ID, 1.06" OD, 3" Length

1шт.

12

1-7842

COIL

Evaporator Coil

1шт.

13

1-7843

HEATER ASSY.

Heater Core

1шт.

14

25-1039

THERMOSTAT

1шт.

15

31-1725

GROMMET

1шт.

16

60-4312T1

HARNESS

Wire Harness

1шт.

17

NSS

NOT SOLD SEPARAT

Cover Assy

1шт.

18

60-4313T1

RESISTOR

1шт.

19

NSS

NOT SOLD SEPARAT

Wrapper Assy

1шт.

20

60-4314T1

SEAL

Firewall Seal

1шт.

21

1-8087

PAN

Drip Pan

1шт.

22

25-1059

PAD

1шт.

23

NSS

NOT SOLD SEPARAT

Front Panel

1шт.

24

60-4311T1

TRANSMISSION

Transition Assy

1шт.

25

1-2065

FILTER

1шт.

26

60-4318T1

CLIP

S Clip

4шт.

27

2-1374

CLIP

Cable Clip

1шт.

28

19-1027

SELF-TAP SCREW,Cross Truss Hd, #8 x 1/2"

Tapping Screw

26шт.

29

445476

CLIP

U Nuts

2шт.

30

60-4316T1

FOAM

Heater Foam

1шт.

31

60-4317T1

FOAM

Evaporator Foam

1шт.

32

60-4362T1

Panel

1шт.

Выбрано товаров: 34