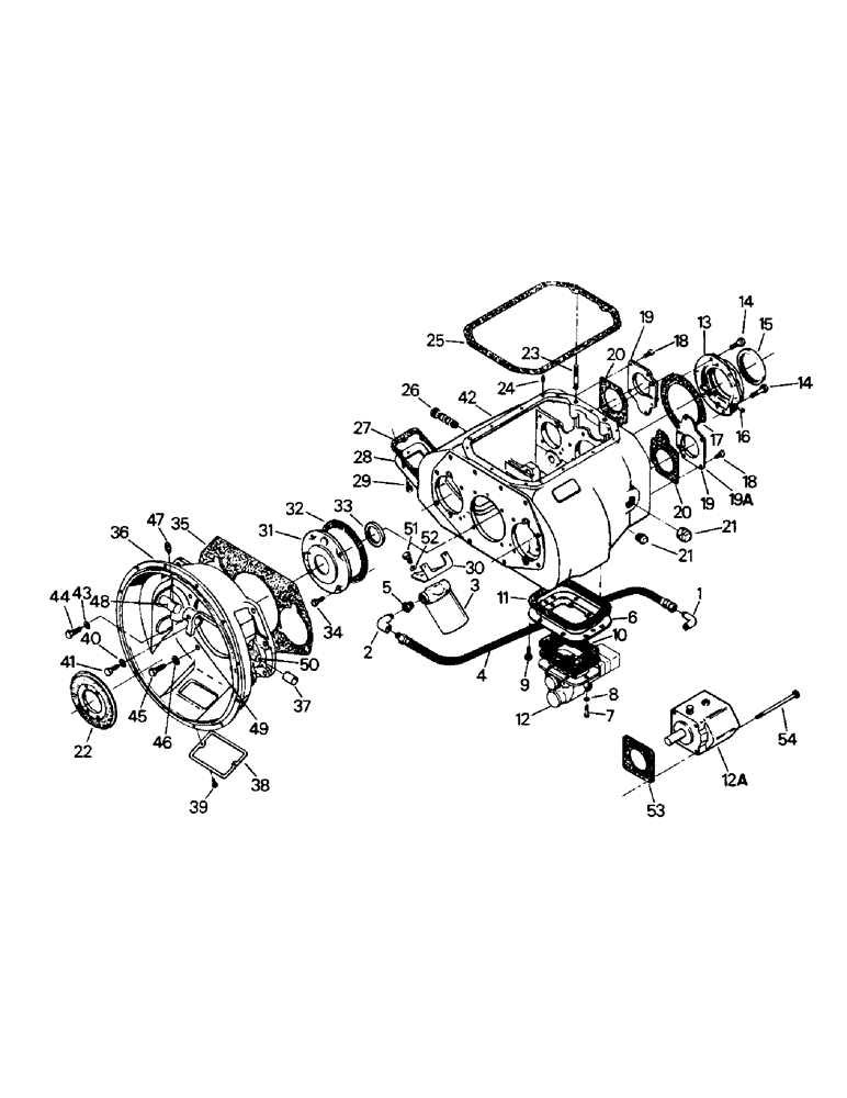
Запчасти Case IH ST280 (04-29) - CASE, BEARING CAPS AND RELATED PARTS (04) - Drive Train

Схема запчастей Case IH ST280 - (04-29) - CASE, BEARING CAPS AND RELATED PARTS (04) - Drive Train
20
44
10
18
15
25
21
32
35
3
52
9
49
13
36
14
51
45
12a
53
27
37
24
47
2
11
7
21
23
19
39
19a
41
8
5
41
17
29
28
30
42
14
34
48
20
19
50
6
46
33
31
38
4
18
16
1
22
12
26
43
54
FIT
1:1
100%

Артикул

Название

Примечание

Количество

1

31-466

PIPE

Elbow

1шт.

2

31-21

ELBOW

1шт.

3

12-1665

FILTER

Assy

1шт.

18-502

FILTER CARTRIDGE

Element

1шт.

4

12-1663

HOSE,SAE 100R1

SAE 100R1

1шт.

5

31-12

REDUCER

1шт.

6

12-1749

Plate, Adapter (w/bottom mt pump)

1шт.

12-1493

COVER

(w/rear mt pump)

1шт.

7

19-24

BOLT,3/8" - 16 x 2 1/4", Gr 5

Capscrew

5шт.

19-279

BOLT,Hex, 3/8" - 16 x 3", Gr 5

Capscrew

1шт.

8

12-2015

GASKET

Copper

6шт.

9

12-1751

KIT

Stud kit (incl following)

1шт.

19-32

BOLT,Hex, 7/16" - 14 x 1", Gr 5, Full Thd

Capscrew

7шт.

12-2011

PIN

Dowel Pin

1шт.

12-2013

BOLT,Flat Hd, 7/16" - 14 x 1"

Screw, Flat Head Socket

2шт.

10

12-1994

GASKET

(.010)

1шт.

11

12-1748

GASKET

(.020)

1шт.

12

12-2055

PUMP

Assy (Bottom Mt)

1шт.

12a

90-2369T91

PUMP

Assy (Rear Mt) (after Aug. 80)

1шт.

13

12-1497

CAP

& Seal Assy (incl 15)

1шт.

Use on Transmission P/N 12-1988 and 12-1989, which were before S/N 2186698

1шт.

12-2050

CAP

& Seal Assy (incl 15)

1шт.

Use on later transmission after S/N 2186698 (transmission S/N)

1шт.

14

19-45

BOLT,1/2" - 13 x 1 1/2", Gr 5

Capscrew, 1/2 NC x 1-1/2

4шт.

19-47

BOLT,1/2" - 13 x 2 1/2", Gr 5

Capscrew, 1/2 NC x 2-1/2

2шт.

15

12-1500

OIL SEAL

M/S Rear

1шт.

16

12-1505

PLUG

Speedometer Hole

1шт.

17

12-1501

GASKET

Bearing Cap

1шт.

18

19-17

BOLT,Hex, 3/8" - 16 x 1", Gr 5, Full Thd

Capscrew, 3/8 NC X 1

10шт.

19

12-1508

CAP

Bearing Cap, C/S Rear (qty. 1 with rear mt pump)

2шт.

19a

90-2286T1

CAP

Flange (for rear mt pump)

1шт.

20

90-1715T1

GASKET

(P/N 12-1509 can be used on R.H. side or on both side/ bottom mt pump)

2шт.

21

12-1488

PLUG

Drain Plug

2шт.

22

13-178

BRAKE

Clutch Brake (1-3/4") (3306 engine & 903 w/320)

1шт.

13-194

DISC

Clutch Brake (2") (855, 3406 & 903 w/350)

1шт.

23

12-1515

STUD

2шт.

24

12-1519

PIN

Dowel Pin

2шт.

25

12-1514

GASKET

Shifter Housing

1шт.

26

12-1489

PLUG

1шт.

27

2-2769

GASKET

(repl 12-1705)

1шт.

Superseded - Old P/N can be used for all models, but order new P/N when stock is depleted.

1шт.

28

12-1990

LARGE PLATE

Plate

1шт.

Use on Transmission P/N 12-1988 and 12-1989, which were before S/N 2186698

1шт.

12-2074

PLUG, DRAIN

Plate (except Below)

1шт.

Use on later transmission after S/N 2186698 (transmission S/N)

1шт.

1-4858

PLUG, DRAIN

Plate (ASN 2000)

1шт.

29

19-16

BOLT,Hex, 3/8" - 16 x 3/4", Gr 5

Capscrew, 3/8 NC x 3/4

6шт.

30

12-1664

BRACKET

Filter

1шт.

31

12-1480

CAP

& Seal (incl 33)

1шт.

32

12-1483

GASKET

Bearing Cap

1шт.

33

12-1482

OIL SEAL

Bearing Cap

1шт.

34

19-18

BOLT,Hex, 3/8" - 16 x 1 1/4", Gr 5

Capscrew, 3/8 NC x 1-1/4

4шт.

35

12-1475

GASKET

Clutch Housing

1шт.

36

12-1470

HOUSING

Clutch Hsg. (all except below)

1шт.

1-1570

HOUSING

Clutch Hsg. (3406 Cat engine)

1шт.

37

12-1471

BUSHING

(upper holes)

2шт.

38

12-1472

COVER

Clutch Housing

1шт.

39

12-1473

SCREW,Hex, 5/16" - 18 x 1", Gr 5

Capscrew

2шт.

40

19-711

WASHER,5/8", SAE

4шт.

41

19-675

BOLT,Hex, 5/8" - 11 x 1 1/4", Gr 5

Capscrew, 5/8 NC x 1-1/2

10шт.

42

12-1486

HOUSING

Case (incl 21 & 26)

1шт.

Use on Transmission P/N 12-1988 and 12-1989, which were before S/N 2186698

1шт.

12-2053

CASE

(incl 21 & 26) (will repl 12-1486 but must order 12-2074)

1шт.

Use on later transmission after S/N 2186698 (transmission S/N)

1шт.

43

19-118

LOCK WASHER,7/16"

7/16"

2шт.

44

65-59

BOLT,Hex, M10 x 60mm

Capscrew, 7/16 NC x 1-3/16

2шт.

45

19-44

BOLT,Hex, 1/2" - 13 x 1 1/4", Gr 5

Capscrew, 1/2 NC x 1-1/4

2шт.

46

19-463

WASHER,1/2", SAE

1/2

4шт.

47

13-129

WASHER

1шт.

48

13-130

SHAFT

Short

1шт.

49

13-79

YOKE

Release

1шт.

50

13-204

SHAFT

Long (9")

1шт.

51

19-1

BOLT,Hex, 1/4" - 20 x 3/4", Gr 5

Capscrew, 1/4 NC x 3/4

2шт.

52

19-115

LOCK WASHER,1/4"

1/4"

2шт.

53

90-2288T1

GASKET

Pump

1шт.

54

186650

SCREW

Capscrew, 5/16 NC x 4-3/4

4шт.

12-1654

KIT

Gasket, complete

1шт.

Выбрано товаров: 77