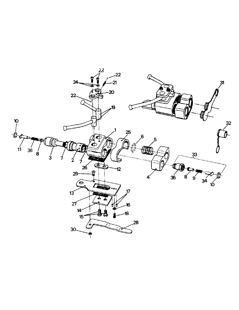
Запчасти Case IH ST320 (08-19) - HYDRAULIC COUPLERS, SEYMOUR (07) - HYDRAULICS

Схема запчастей Case IH ST320 - (08-19) - HYDRAULIC COUPLERS, SEYMOUR (07) - HYDRAULICS
8
11
4
13
12
7
24
3
10
23
1
16
9
27
31
33
20
32
36
5
6
14
28
17
35
8
21
22
15
19
25
29
26
30
2
34
22
18
7
10
FIT
1:1
100%

Артикул

Название

Примечание

Количество

1-8085

COUPLING

Hyd Coupler (18-1608 & 18-1760), consists of Refs. 1-36

1шт.

The very early version, P/N 18-1608, had pipe thread ports so when it is replaced, 2 Adapters, P/N 31-398 must be ordered.

1шт.

The earlier couplers can be serviced with the later parts as shown here.

1шт.

The earlier versions did not have the release lever and adapting parts, but these can be ordered in Coupler Improvement Kit P/N 35-1140.

1шт.

Superseded - Old P/N can be used for all models, but order new P/N when stock is depleted.

1шт.

2-1087

COUPLING

Hyd Coupler (w/o Male Tips) (01-2626), consists of Refs. 1-36

1шт.

Superseded - Old P/N can be used for all models, but order new P/N when stock is depleted.

1шт.

1

18-1649

Body

1шт.

2

18-1648

SLEEVE

Female Sleeve

2шт.

3

18-1648

SLEEVE

Male Sleeve

2шт.

4

18-1652

Coupler End

1шт.

5

18-1650

Sleeve Spring

2шт.

6

18-1651

BALL

Steel Ball, 3/16

16шт.

7

18-1647

O-RING

4шт.

8

2-2052

PISTON

(18-1645)

4шт.

Superseded - Old P/N is not used any longer, the new P/N is to be used in ALL cases. Old P/N should be removed from existing inventory. It is recommended that the old part not be used under any circumstances.

1шт.

9

18-1644

Piston Spring

2шт.

10

18-1641

OIL SEAL

Retaining Ring

4шт.

11

2-1088

STOP

Piston Stop & Guide (Repl 18-1642 Piston & 18-1643 Extension)

2шт.

Superseded - Old P/N is not used any longer, the new P/N is to be used in ALL cases. Old P/N should be removed from existing inventory. It is recommended that the old part not be used under any circumstances.

1шт.

12

2-1089

Spacer (Repl 18-1660 Bushings)

1шт.

Superseded - Old P/N is not used any longer, the new P/N is to be used in ALL cases. Old P/N should be removed from existing inventory. It is recommended that the old part not be used under any circumstances.

1шт.

13

18-1659

Slide

1шт.

14

18-1661

Hold Down Plate

1шт.

15

19-16

BOLT,Hex, 3/8" - 16 x 3/4", Gr 5

Capscrew, 3/8 UN x 3/4

2шт.

16

19-818

NUT,Int Tooth, 5/16"

Lock Washer, 5/16

1шт.

17

456540

ROLLER,3/16" x 5/8"

Roll Pin

2шт.

18

9421620

Socket Head Screw, 5/16 UN x 1/2

1шт.

19

18-1655

CAM

& Handle Assy (left)

1шт.

18-1654

CAM

& Handle Assy (Right)

1шт.

20

18-1751

RETAINER

Cam Retainer (Repl 18-1656 Cover Plate & Retainer Block)

1шт.

Superseded - Old P/N is not used any longer, the new P/N is to be used in ALL cases. Old P/N should be removed from existing inventory. It is recommended that the old part not be used under any circumstances.

1шт.

21

18-1658

Spring

1шт.

22

18-1657

Steel Ball, 1/4

2шт.

23

19-960

HEX SOC SCREW,1/4"-20 x 1"

Socket Head Screw, 1/4 NC x 1

2шт.

24

19-115

LOCK WASHER,1/4"

1/4"

2шт.

25

1-4600

Dust Shield

1шт.

26

2-1090

SEAL

Foam

1шт.

27

2-1091

SEAL

Foam

1шт.

28

2-1092

Lever, Release

1шт.

29

2-1093

Machine Screw

1шт.

30

19-2250

Jam, Nut, 1/4 UNC

1шт.

31

18-1728

SEAL

Plug

1шт.

32

18-1729

TIP

Cap

2шт.

33

18-1653

TIP

Male Tip Assembly

2шт.

34

18-1642

Piston Stop & Guide

2шт.

35

18-1750

TIP

Male Tip

2шт.

36

2-2051

SPRING

Piston Spring

2шт.

Выбрано товаров: 48