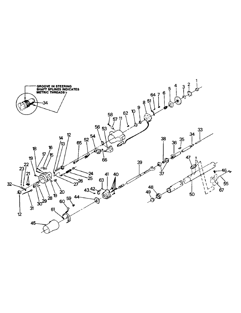
Запчасти Case IH ST325 (01-14) - STEERING COLUMN ASSEMBLY (10) - CAB

Схема запчастей Case IH ST325 - (01-14) - STEERING COLUMN ASSEMBLY (10) - CAB
41
12
24
62
39
10
55
22
4
16
19
53
67
42
38
44
21
59
33
50
57
14
5
1
8
60
3
26
49
40
28
63
11
66
13
29
36
19
12
15
45
43
31
56
27
34
65
6
2
20
30
18
51
25
54
47
58
37
32
9
23
46
7
48
34
61
64
52
35
17
FIT
1:1
100%

Артикул

Название

Примечание

Количество

1-3508

COLUMN JACKET

Steering Column Assembly, standard thread hardware, consists of Refs. 1-67

1шт.

Superseded - Old P/N is not used any longer, the new P/N is to be used in ALL cases. Old P/N should be removed from existing inventory. It is recommended that the old part not be used under any circumstances.

1шт.

1-7630

STEERING COLUMN

Assembly, metric thread hardware, consists of Refs. 1-68

1шт.

Superseded - Old P/N is not used any longer, the new P/N is to be used in ALL cases. Old P/N should be removed from existing inventory. It is recommended that the old part not be used under any circumstances.

1шт.

1

1-1320

BUMPER

Retracted Steering Shaft

1шт.

2

1-1329

RETAINER

Carrier Snap Ring

1шт.

3

1-1331

RETAINER

Shaft Lock

1шт.

4

1-1325

ARRESTER

Lock, Steering Shaft

1шт.

5

1-1215

SUPPORT

Carrier Assembly

1шт.

6

1-4507

SPRING

Upper Bearing

1шт.

7

1-1333

SCREW

3шт.

8

1-4497

SWITCH

Assembly, Turn Signal

1шт.

9

1-1336

SEAT

Inner Race

1шт.

10

1-4502

RACE

Inner

1шт.

Part is used on Steering Column Assembly P/N 01-3508 (standard thread hardware)

1шт.

1-1328

SPRING KIT

Race, Inner

1шт.

Part is used on Steering Column Assembly P/N 01-7630 (metric thread hardware)

1шт.

11

1-4473

COVER

Lock Housing

1шт.

Part is used on Steering Column Assembly P/N 01-3508 (standard thread hardware)

1шт.

2-1454

HOUSING

Cover, Lock Housing

1шт.

Part is used on Steering Column Assembly P/N 01-7630 (metric thread hardware)

1шт.

12

1-1217

KIT

Bearing Assembly

2шт.

13

19-5460

LOCK BOLT

Bolt, Lock

1шт.

14

1-1228

SPRING

Lock Bolt

1шт.

15

1-1227

BRAKE SHOE

Shoe, Steering Wheel Lock

1шт.

16

1-1226

BRAKE SHOE

Shoe, Steering Wheel Lock

1шт.

17

1-1225

DRIVE SHAFT

1шт.

18

1-1220

SPLIT PIN/SAFETY PIN

Dowell Pin

1шт.

19

1-4509

PIVOT PIN

PIN, PIVOT

2шт.

20

1-4478

KIT

Sector, Switch Actuator

1шт.

21

1-1301

SPRING

Shoe

2шт.

22

1-1230

SPRING

Release Lever

1шт.

23

1-1221

PIN

- release lever

1шт.

24

1-1330

RETAINER

Spring

1шт.

25

1-4508

SPRING

Wheel Tilt

1шт.

26

1-1323

GUIDE

Spring

1шт.

27

1-1223

SCREW

1шт.

28

1-4474

HOUSING ASSY.

Housing Assembly (includes Ref. 12-18, 20-23, 27, 29, 30 & 32)

1шт.

29

1-1229

SPRING

Rack Preload

1шт.

30

1-4477

KIT

Rack, Switch Actuator

1шт.

31

1-4465

ACTUATOR

Assembly, Switch

1шт.

32

1-4476

CONTROL LEVER

Lever, Shoe Release

1шт.

1-4485

Shaft Assembly, Steering, consists of Refs. 33-39

1шт.

Part is used on Steering Column Assembly P/N 01-3508 (standard thread hardware)

1шт.

2-1463

SHAFT

Assembly, Steering

1шт.

Part is used on Steering Column Assembly P/N 01-7630 (metric thread hardware)

1шт.

33

1-4488

STEM

Rod, Telescope Locking

1шт.

34

1-4492

SHAFT

Upper Steering

1шт.

Part is used on Steering Column Assembly P/N 01-3508 (standard thread hardware)

1шт.

2-1467

SHAFT

Upper Steering

1шт.

Part is used on Steering Column Assembly P/N 01-7630 (metric thread hardware)

1шт.

35

1-1312

WEDGE

Locking

1шт.

36

1-4487

YOKE

Assembly, Race & Steering Shaft

1шт.

37

1-1310

KIT

Sphere, Centering

2шт.

38

1-1311

KIT

Spring, Joint Preload

1шт.

39

1-4486

STEERING SHAFT

Shaft Assembly, Yoke & Steering

1шт.

40

1-1334

SCREW

4шт.

41

1-4493

SUPPORT ASSY.

Support Assembly (includes Ref. 42, 43 & 63)

1шт.

42

1-4494

FIXING BRACKET

Plate, Shroud Retaining

1шт.

43

19-5459

SCREW

2шт.

44

1-1326

LARGE PLATE

Plate, Lock

1шт.

45

1-4504

SHROUD

Steering Column Housing

1шт.

46

1-1335

SCREW

1шт.

47

1-4496

IGNITION SWITCH

Swtich Assembly, Ignition

1шт.

48

1-4468

ADAPTER

Lower Bearing

2шт.

49

1-4467

BEARING ASSY

Bearing Assembly

1шт.

50

1-4479

CLOTHES

Jacket Assembly

1шт.

Part is used on Steering Column Assembly P/N 01-3508 (standard thread hardware)

1шт.

2-1461

COLUMN JACKET

Jacket Assembly

1шт.

Part is used on Steering Column Assembly P/N 01-7630 (metric thread hardware)

1шт.

51

1-4466

ARM ASSY.

Arm Assembly, Signal Switch

1шт.

52

1-4498

ACTUATOR

Dimmer Switch Rod

1шт.

53

1-4469

COVER

Cap, Column Housing Cover End

1шт.

54

1-4472

SWITCH

Assembly, Pivot

1шт.

FRONT WINDSHIELD WIPER SWITCH. 5 WIRES -(RED, WHITE, BLUE, AND 2 BLACK WIRES)

1шт.

Part is used on Steering Column Assembly P/N 01-3508 (standard thread hardware)

1шт.

2-1452

IGNITION SWITCH

Switch Assembly, Pivot

1шт.

FRONT WINDSHIELD WIPER SWITCH. 5 WIRES ALSO(RED, WHITE, BLUE, BLACK, AND A BLACK WIRE WITH A WHITE STRIPE).

1шт.

Part is used on Steering Column Assembly P/N 01-7630 (metric thread hardware)

1шт.

55

1-4480

SWITCH

Rod Assembly, Dimmer Switch

1шт.

Part is used on Steering Column Assembly P/N 01-3508 (standard thread hardware)

1шт.

2-1462

THREADED ROD

Rod Assembly, Dimmer Switch

1шт.

Part is used on Steering Column Assembly P/N 01-7630 (metric thread hardware)

1шт.

56

1-4470

SHIELD

Tilt Lever Opening

1шт.

57

1-4500

BUTTON

Knob, Hazard Warning

1шт.

58

19-5456

SCREW,Oval Hd, M3.5

1шт.

59

1-4499

PAD

Finger Pad, Relief Lever

1шт.

60

1-4501

LEVER

Key Release

1шт.

61

1-4506

SPRING

Key Release

1шт.

62

1-6926

SCREW,Cross Oval Hd

3шт.

63

1-6925

DOWEL

Pin

1шт.

64

1-6924

SCREW

1шт.

65

1-6928

PIN

Switch Activating Pivot

1шт.

Part is used on Steering Column Assembly P/N 01-3508 (standard thread hardware)

1шт.

2-1455

PIVOT PIN

Pin, Switch Activating Pivot

1шт.

Part is used on Steering Column Assembly P/N 01-7630 (metric thread hardware)

1шт.

66

1-6927

SPRING

1шт.

67

1-7739

SWITCH

Dimmer Switch Assembly

1шт.

68

2-1481

STUD

Dimmer Switch (not shown)

1шт.

Part is used on Steering Column Assembly P/N 01-7630 (metric thread hardware)

1шт.

Выбрано товаров: 100