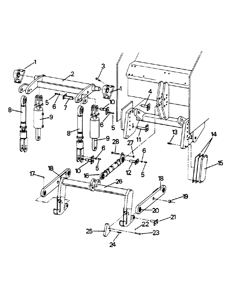
Запчасти Case IH ST325 (10-01) - 3-PT. HITCH (18) - MISCELLANEOUS

Схема запчастей Case IH ST325 - (10-01) - 3-PT. HITCH (18) - MISCELLANEOUS
6
5
15
10
3
7
8
9
19
5
16
22
5
2
25
5
9
14
12
24
27
1
17
10
20
26
6
23
6
18
6
28
13
4
18
8
21
11
1
FIT
1:1
100%

Артикул

Название

Примечание

Количество

1

40-126

BLOCK

Pillow Block (Early), see 3-Pt. kits listed below, see pillow block S/N breaks for kit usage

2шт.

Superseded - Old P/N MUSTbe used on models prior to S/N break. New P/N will fit models after the S/N break only.

1шт.

1-4855T1

BLOCK

Pillow Block (Late), see 3-Pt. kits listed below, see pillow block S/N breaks for kit usage

1шт.

Superseded - Old P/N MUSTbe used on models prior to S/N break. New P/N will fit models after the S/N break only.

1шт.

2

70-1850T91

SHAFT

Rocker Shaft (01-4854)

1шт.

Superseded - Old P/N can be used for all models, but order new P/N when stock is depleted.

1шт.

3

19-59

BOLT,Hex, 5/8" - 11 x 1 1/2", Gr 5

Capscrew, 5/8 NC x 1-1/2, see 3-Pt. kits listed below, see pillow block S/N breaks for kit usage

8шт.

Superseded - Old P/N MUSTbe used on models prior to S/N break. New P/N will fit models after the S/N break only.

1шт.

19-5426

SCREW,Hex, 7/8" - 9 x 2 3/4", Gr 8

Capscrew, 7/8 NC x 2-3/4, see 3-Pt. kits listed below, see pillow block S/N breaks for kit usage

1шт.

Superseded - Old P/N MUSTbe used on models prior to S/N break. New P/N will fit models after the S/N break only.

1шт.

4

40-382

PIN

2шт.

5

19-675

BOLT,Hex, 5/8" - 11 x 1 1/4", Gr 5

Capscrew, 5/8 NC x 1-1/4

14шт.

6

19-111

WASHER,5/8"

5/8

14шт.

7

40-440

PIN

2шт.

8

Adjusting Arm

2шт.

See Figures 10-02 and 10-03 for components with variations.

1шт.

9

Cylinder Assy

2шт.

See Figures 10-02 and 10-03 for components with variations.

1шт.

10

40-430

PIN

4шт.

11

40-380

PIN

2шт.

12

40-432

PIN

2шт.

13

19-42

BOLT,1/2" - 13 x 2 1/4", Gr 5

Capscrew, 1/2 NC x 2-1/4

4шт.

14

40-521

MOUNTING PARTS

Wear Shim (thin)

4шт.

15

40-519

MOUNTING PARTS

Wear Plate (thick)

2шт.

16

Center Link

1шт.

See Figures 10-02 and 10-03 for components with variations.

1шт.

17

80710

LUBE NIPPLE,1/8” – 27 Dryseal PTF

NIPPLE, LUBE, (On adj arm & Pillow Block) 1/8"-27 x .66 lg

10шт.

31-95

FITTING

Zerk (on Pin #10 only)

4шт.

31-96

FITTING

Zerk (on lower link)

4шт.

18

50-38

LINK

Lower Link

2шт.

19

15-21

RING RACE

Bushing

2шт.

20

40-302

LINK

Uniball

4шт.

40-106

HOUSING

Uniball

4шт.

21

40-438

PIN

4шт.

22

19-358

PIN

Hairpin

2шт.

23

19-257

CLEVIS PIN,1/2" x 3"

Pin, 1/2 x 3

2шт.

24

9411887

PIN,1/2" x 2 1/2", Coiled

(19-258) 1/2" x 2 1/2", Coiled

2шт.

Superseded - Old P/N can be used for all models, but order new P/N when stock is depleted.

1шт.

25

40-504

HANDLE

Latch, Quick Hitch

2шт.

26

40-330T1

HITCH ASSY, TRAILER

Quick Hitch (40-330)

1шт.

Superseded - Old P/N can be used for all models, but order new P/N when stock is depleted.

1шт.

27

19-84

NUT,3/4"-10, G5

3/4

1шт.

28

19-698

BOLT,Hex, 3/4" - 10 x 5", Gr 5

Capscrew, 3/4 NC x 5

1шт.

35-1141T92

KIT

3-Pt. (Early) (all models) has 40-126 Pillow Block & 5/8 Capscrews

1шт.

35-1168T92

KIT

3-Pt. (Later) (all except all tractors with S-34 axle, all ST350 and ST107CP after Oct. '81, approx.) has 01-4888 Pillow Block and 7/8 capscrews

1шт.

35-1223T94

KIT

3-Pt. (Later) (all tractors with S-34 axle, all ST350 and ST107CP, after Oct. '81, approx.)

1шт.

Выбрано товаров: 46