Запчасти Case IH ST325 (10-06) - HORN AND MOUNTINGS, EARLY STYLE, RELAY KIT, LATER STYLE (18) - MISCELLANEOUS

Схема запчастей Case IH ST325 - (10-06) - HORN AND MOUNTINGS, EARLY STYLE, RELAY KIT, LATER STYLE (18) - MISCELLANEOUS
8
7
14
10
4
12
3
9
6
2
2
5
3
4
10
1
5
5
4
11
13
9
1
2
1
3
6
7
8
FIT
1:1
100%

Артикул

Название

Примечание

Количество

35-1032

KIT

Horn Kit (3406 & 903 Eng)

1шт.

Kit #35-1148T91 has replaced all earlier style kits. 35-1031 & 35-1032 were used w/early round bulkhead style harnesses & 35-1148 was used w/the later square Packard style harnesses. Kit #35-1363T91 should be ordered to convert early style mountings to later style in cases where mt breakage or relay failures are a problem. It contains new mts, relay & wiring.

1шт.

Superseded - Old P/N is not used any longer, the new P/N is to be used in ALL cases. Old P/N should be removed from existing inventory. It is recommended that the old part not be used under any circumstances.

1шт.

35-1031

KIT

Horn Kit (3306 & 855 Eng)

1шт.

Kit #35-1148T91 has replaced all earlier style kits. 35-1031 & 35-1032 were used w/early round bulkhead style harnesses & 35-1148 was used w/the later square Packard style harnesses. Kit #35-1363T91 should be ordered to convert early style mountings to later style in cases where mt breakage or relay failures are a problem. It contains new mts, relay & wiring.

1шт.

Superseded - Old P/N is not used any longer, the new P/N is to be used in ALL cases. Old P/N should be removed from existing inventory. It is recommended that the old part not be used under any circumstances.

1шт.

35-1148

KIT

Horn Kit (all, w/square Bulkhead style) Consists of Ref. 1-8

1шт.

Kit #35-1148T91 has replaced all earlier style kits. 35-1031 & 35-1032 were used w/early round bulkhead style harnesses & 35-1148 was used w/the later square Packard style harnesses. Kit #35-1363T91 should be ordered to convert early style mountings to later style in cases where mt breakage or relay failures are a problem. It contains new mts, relay & wiring.

1шт.

Superseded - Old P/N is not used any longer, the new P/N is to be used in ALL cases. Old P/N should be removed from existing inventory. It is recommended that the old part not be used under any circumstances.

1шт.

1

29-1001

RELAY

1шт.

2

29-1002

HORN

1шт.

3

29-1003

HORN

1шт.

4

29-1004

BRACKET

2шт.

5

19-1002

SPECIAL NUT

7/8 NF

2шт.

6

1-1417

ELECTRICAL WIRE

Wire

1шт.

Refs. 6 and 7 were combined into one harness (01-8579) when used with Packard style connectors.

1шт.

7

1-1418

ELECTRICAL WIRE

Wire (3306 & 855 Eng)

1шт.

Refs. 6 and 7 were combined into one harness (01-8579) when used with Packard style connectors.

1шт.

1-1419

ELECTRICAL WIRE

Wire (3406 & 903 Eng)

1шт.

Refs. 6 and 7 were combined into one harness (01-8579) when used with Packard style connectors.

1шт.

8

32-69

CLAMP

2шт.

9

19-467

LOCK WASHER,Ext Tooth, 1/4"

1/4

2шт.

10

19-76

NUT,1/4"-20, G5

1/4 NC

2шт.

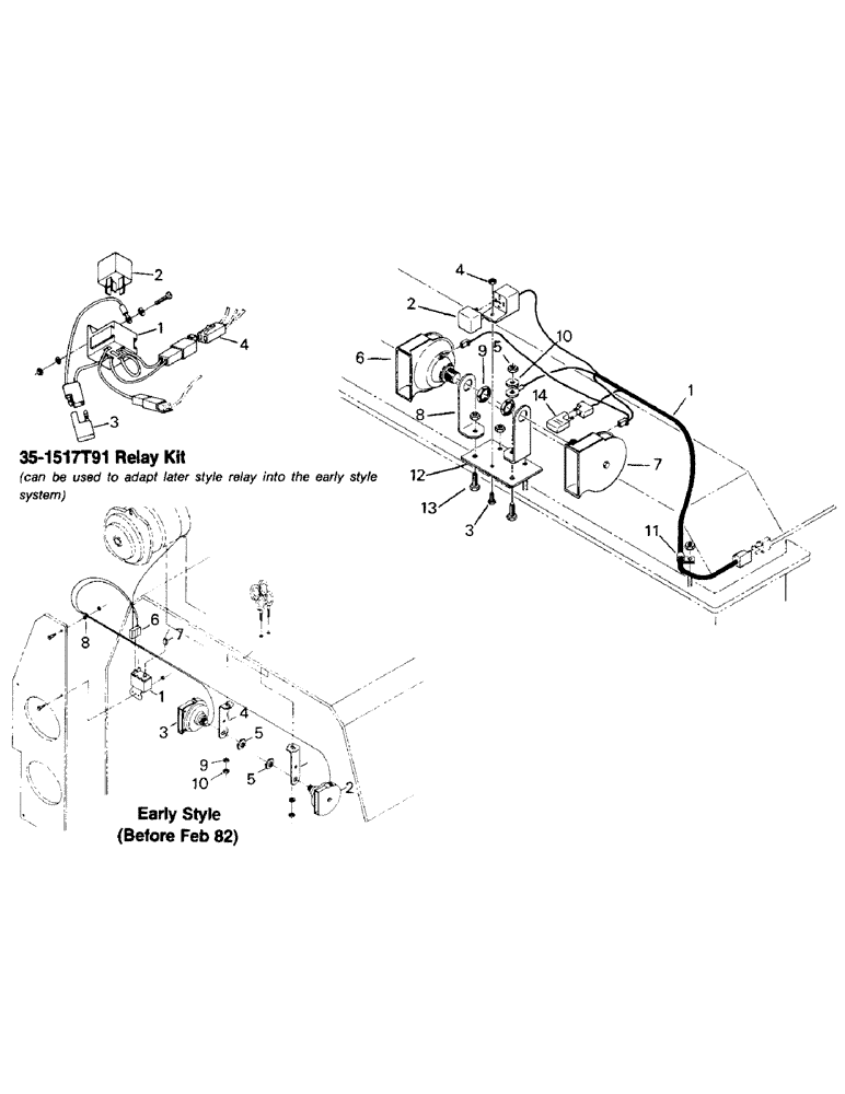
35-1517T91

KIT

Relay Kit (can be used to adapt later style relay into the early style system)

1шт.

1

20-1948T1

Relay Harness

1шт.

2

1-7877

RELAY

1шт.

3

22-738

DIODE

1шт.

4

2977373

CONNECTOR, ELEC

Connector Body

1шт.

35-1148T91

KIT

Horn Kit (will replace all early Kits), consists of Ref. 1-15

1шт.

Kit #35-1148T91 has replaced all earlier style kits. 35-1031 & 35-1032 were used w/early round bulkhead style harnesses & 35-1148 was used w/the later square Packard style harnesses. Kit #35-1363T91 should be ordered to convert early style mountings to later style in cases where mt breakage or relay failures are a problem. It contains new mts, relay & wiring.

1шт.

1

2-6566T2

HARNESS

Wire Harness (02-6566T1)

1шт.

Superseded - Old P/N is not used any longer, the new P/N is to be used in ALL cases. Old P/N should be removed from existing inventory. It is recommended that the old part not be used under any circumstances.

1шт.

2

1-7877

RELAY

1шт.

3

463-41012

SCREW,Slot Hex Wash Hd, #10-24 x 3/4"

Machine Screw, #10 NC x 3/4

1шт.

4

19-5563

LOCK NUT

Lock Nut, #10 NC

1шт.

5

19-5777

LOCK NUT

Jam Nut, 5/16 NC

5шт.

6

29-1003

HORN

1шт.

7

29-1002

HORN

1шт.

8

29-1004

BRACKET

Horn

2шт.

9

19-1002

SPECIAL NUT

7/8 NF

2шт.

10

19-106

WASHER,5/16", SAE

5/16

1шт.

11

32-303

CLIP

Clamp

1шт.

12

2-4901T1

BRACKET

Horn

1шт.

13

19-7

BOLT,Hex, 5/16" - 18 x 1", Gr 5

Capscrew, 5/16 NC x 1

2шт.

14

22-738

DIODE

1шт.

15

20-1505T1

HARNESS

Gnd (not shown) (used only on tractors built prior to Feb 82 that do not have Gnd wire in front frame harness)

1шт.

Выбрано товаров: 46