Запчасти Case IH ST325 (10-46) - SPRAYER PUMP AND ATTACHING PARTS, 903 CUMMINS ENGINES (18) - MISCELLANEOUS

Схема запчастей Case IH ST325 - (10-46) - SPRAYER PUMP AND ATTACHING PARTS, 903 CUMMINS ENGINES (18) - MISCELLANEOUS
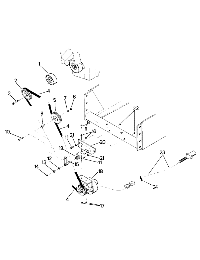
23
1
4
5
12
16
7
20
10
6
19
11
3
4
15
18
22
24
21
8
2
9
13
4
11
14
21
17
FIT
1:1
100%

Артикул

Название

Примечание

Количество

35-1055

KIT

Sprayer Pump Kit, consists of Ref. 1-24

1шт.

1

1-2975

Spacer

1шт.

2

6-116

PULLEY

1шт.

3

19-3916

Capscrew

7шт.

4

1-6862

V-BELT,0.50" W x 61.00" L

1шт.

5

1-2989

PULLEY

Idler

1шт.

6

232-4136

LOCK NUT,3/8"-16, GC

1шт.

7

19-1055

WASHER

1шт.

8

19-18

BOLT,Hex, 3/8" - 16 x 1 1/4", Gr 5

Capscrew

2шт.

9

1-2980

Shaft, Pulley

1шт.

10

19-22

BOLT,Hex, 3/8" - 16 x 2 1/2", Gr 5

Capscrew

1шт.

11

19-45

BOLT,1/2" - 13 x 1 1/2", Gr 5

Capscrew

2шт.

12

19-192

WASHER

1шт.

13

19-3917

Ring, Snap

1шт.

14

31-95

FITTING

Grease

1шт.

15

1-2976

Arm Weldment

1шт.

16

19-107

WASHER

2шт.

17

19-78

SPECIAL NUT,3/8"-16, G5

2шт.

18

1-2219

PUMP

Assy

1шт.

19

11-20

SPRING

Torsion

1шт.

20

1-2973

Bracket

1шт.

21

19-109

WASHER,1/2"

2шт.

22

19-81

NUT,1/2"-13, G5

2шт.

23

1-2908

ELECTRICAL WIRE

Wire Assy

1шт.

24

22-824

CABLE TIE,3/16" x 7 1/4"

STRAP, CABLE, 3/16" x 7 1/4"

2шт.

Выбрано товаров: 25