Запчасти Case IH ST325 (10-28) - UTILITY BLADE FRAME, MODEL 605 AND 605, MANUAL ANGLE (19) - OPTIONS

Схема запчастей Case IH ST325 - (10-28) - UTILITY BLADE FRAME, MODEL 605 AND 605, MANUAL ANGLE (19) - OPTIONS
18
20
13
5
17
7
24
14
16
18
23
13
1
21
8
15
15
9
12
19
15
10
2
9
4
11
14
3
22
6
15
FIT
1:1
100%

Артикул

Название

Примечание

Количество

1

1-5911

X

Side Attachment (Right) (Early Style)

1шт.

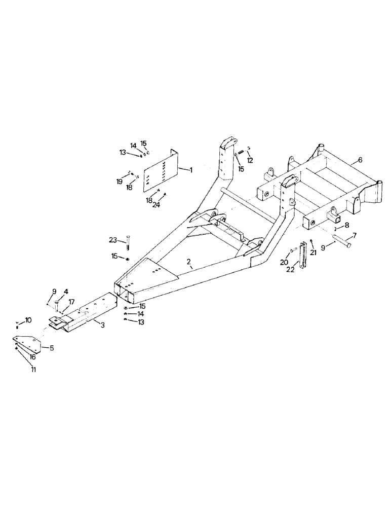
The Side Attachments (Ref. 1) have an early and later style. Later style P/N 02-2556 can be used as a replacement for the early style; however, the mounting hardware (Ref. 18, 19 & 24) are 7/8" instead of 3/4" and the quantity is 18 rather than 8, which means that extra holes must be drilled.

1шт.

1-5916

X

Side Attachment (Left) (Early Style)

1шт.

2-2556

MOUNTING PARTS

Side Attachment (Right & Left) (Later Style)

2шт.

2

38-845

A-Frame

1шт.

The A-Frame (Ref. 2) has been modified although the P/N has remained the same. The early style had a single ear for the top mount of the lift cylinders while the later style has 2 ears. This change requires that a capscrew and nut replace the pin and hairpin used with the single ear in case a new A-Frame is needed. It also had a different mount ear for the transport lock. See the following figure for the different capscrews or pins.

1шт.

3

2-2013

DRAWBAR

1шт.

4

38-859

PIN

Drawbar Pin

1шт.

5

38-847

Hinge Plate

1шт.

6

38-848T1

FRAME

Extension, A-Frame

1шт.

The A-Frame Extension (Ref. 6) has been modified with a different mount for the later style transport lock As it is the only one available for service, the new style transport lock and mount pins would also be needed. It would also require that the new ears (P/N 02-1830 qty 2) be welded to the A-Frame so that the new lock can be attached at that end.

1шт.

7

38-851

Pivot Pin

1шт.

8

19-279

BOLT,Hex, 3/8" - 16 x 3", Gr 5

Capscrew, 3/8 NC x 3

2шт.

9

232-4136

LOCK NUT,3/8"-16, GC

3/8 NC

3шт.

10

19-1087

BOLT,Hex, 3/4" - 10 x 3", Gr 8

Capscrew, 3/4 NC x 3

4шт.

11

19-832

BOLT

Nut, 3/4 Nc

4шт.

12

19-1120

BOLT,1" - 8 x 8", Gr 8

Capscrew, 1 Nc x 8

6шт.

13

19-610

NUT,1"-8, G5

1 NC

8шт.

14

19-122

LOCK WASHER,1"

(used on early models only) 1"

8шт.

15

19-407

Washer, 1-1/8

16шт.

16

19-121

LOCK WASHER,3/4"

3/4"

4шт.

17

19-21

BOLT,Hex, 3/8" - 16 x 2", Gr 5

Capscrew, 3/8 NC x 2

1шт.

18

19-121

LOCK WASHER,3/4"

3/4"

8шт.

The Side Attachments (Ref. 1) have an early and later style. Later style P/N 02-2556 can be used as a replacement for the early style; however, the mounting hardware (Ref. 18, 19 & 24) are 7/8" instead of 3/4" and the quantity is 18 rather than 8, which means that extra holes must be drilled.

1шт.

19-2975

WASHER

7/8

36шт.

19

19-63

BOLT,Hex, 3/4" - 10 x 2 1/2", Gr 5

Capscrew, 3/4 NC x 2-1/2

8шт.

The Side Attachments (Ref. 1) have an early and later style. Later style P/N 02-2556 can be used as a replacement for the early style; however, the mounting hardware (Ref. 18, 19 & 24) are 7/8" instead of 3/4" and the quantity is 18 rather than 8, which means that extra holes must be drilled.

1шт.

19-420

BOLT,7/8" - 9 x 3", Gr 8

Capscrew, 7/8 NC x 3

18шт.

20

19-2692

Pin (used w/Transport Link 01-2571)

2шт.

1-7803

PIN

(used w/Transport Link 01-7800)

1шт.

21

19-5400

PIN

Hairpin (used w/Pin 19-2692)

2шт.

19-345

PIN

Klick Pin (used w/Pin 01-7803)

1шт.

22

1-2571

Link Transport (single strap type with 1/2" holes) (Early Style)

2шт.

1-7800

LINK

Transport (double strap type with 1-1/2" holes) (Later Style - shown above)

1шт.

23

19-1120

BOLT,1" - 8 x 8", Gr 8

Capscrew, 1 NC x 8 (Early Style)

2шт.

19-841

BOLT,Hex, 1" - 8 x 9", Gr 8

Capscrew, 1 NC x 9 (Later Style)

1шт.

24

19-832

BOLT

Nut, 3/4 NC

8шт.

The Side Attachments (Ref. 1) have an early and later style. Later style P/N 02-2556 can be used as a replacement for the early style; however, the mounting hardware (Ref. 18, 19 & 24) are 7/8" instead of 3/4" and the quantity is 18 rather than 8, which means that extra holes must be drilled.

1шт.

19-457

NUT,7/8"-9, G5

7/8 NC

18шт.

Выбрано товаров: 39