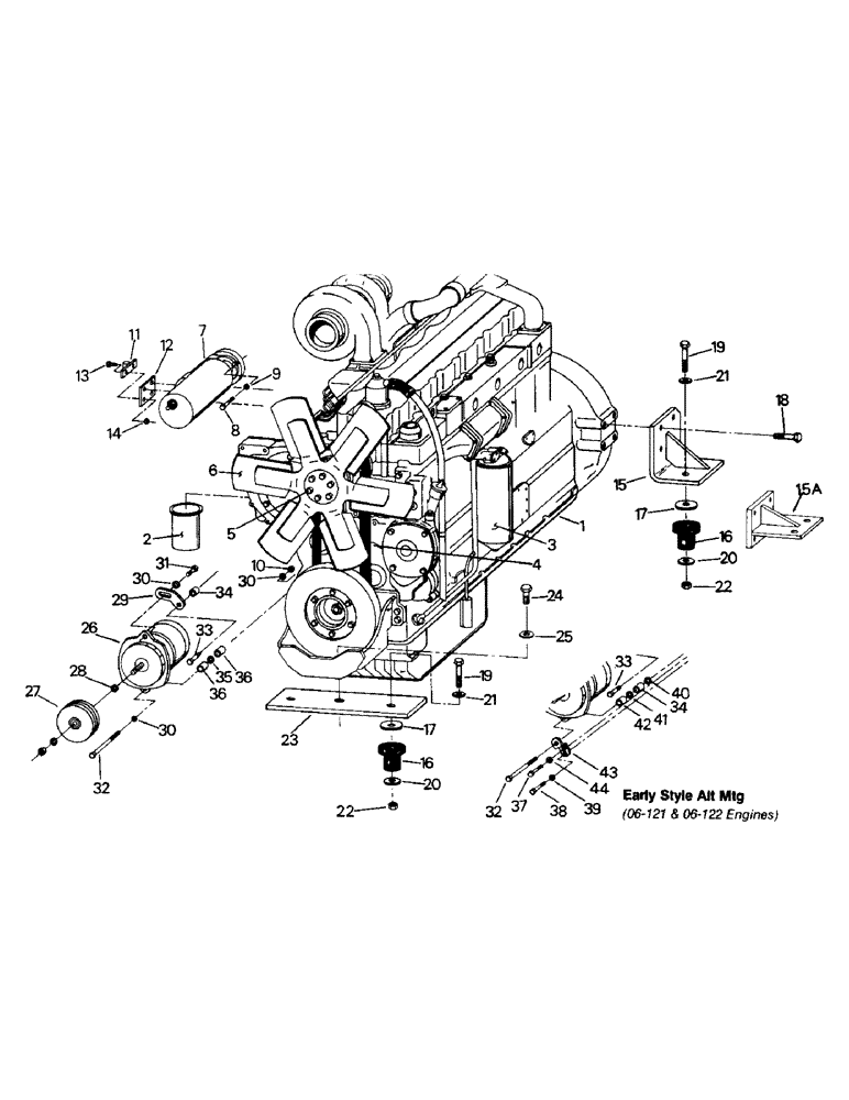
Запчасти Case IH ST325 (04-03) - ENGINE AND ATTACHING PARTS, CAT 3306 (04) - Drive Train

Схема запчастей Case IH ST325 - (04-03) - ENGINE AND ATTACHING PARTS, CAT 3306 (04) - Drive Train
1
3
16
32
31
19
28
11
8
25
22
37
41
18
27
30
33
30
21
15
17
14
39
36
44
5
13
10
35
26
20
19
33
9
29
34
2
6
17
30
43
32
34
21
40
16
23
7
20
12
36
24
22
42
38
15a
4
FIT
1:1
100%

Артикул

Название

Примечание

Количество

1

1-8774

Engine, 3306T (ST 225)

1шт.

Superseded - Old P/N MUST be used on models prior to S/N break. New P/N will fit models after the S/N break only.

1шт.

90-2408T1

Engine, 3306DIT (ST 225)

1шт.

Superseded - Old P/N MUST be used on models prior to S/N break. New P/N will fit models after the S/N break only.

1шт.

6-121

Engine, 3306T (ST 250)

1шт.

Superseded - Old P/N CAN be used on all models prior to S/N break only. New P/N MUST be used after S/N break. Order new P/N when old stock is depleted as it will work for all.

1шт.

1-8656

Engine, 3306T (ST 250)

1шт.

Superseded - Old P/N CAN be used on all models prior to S/N break only. New P/N MUST be used after S/N break. Order new P/N when old stock is depleted as it will work for all.

1шт.

90-2712T1

Engine, 3306DITA (ST 250)

1шт.

Superseded - Old P/N MUST be used on models prior to S/N break. New P/N will fit models after the S/N break only.

1шт.

6-122

Engine, 3306TA (ST 270)

1шт.

Superseded - Old P/N CAN be used on all models prior to S/N break only. New P/N MUST be used after S/N break. Order new P/N when old stock is depleted as it will work for all.

1шт.

1-8655

Engine, 3306TA (ST 270)

1шт.

Superseded - Old P/N CAN be used on all models prior to S/N break only. New P/N MUST be used after S/N break. Order new P/N when old stock is depleted as it will work for all.

1шт.

2

28-25

ELEMENT

Fuel Filter

1шт.

3

28-36

FILTER

Oil Filter

1шт.

4

6-135

SET OF BELTS,0.33" W x 63.50" L

V-Belt (3), Fan & Alt (w/26" Fan) 0.33" W x 63.50" L

1шт.

ST225 S/N 109-00328 & ST250 S/N 104-01000 & up have 30" fan as standard & use Belt Set 90-1502T1. All other tractors use 06-135 unless the 35-1305T91 30" Fan Kit has been installed. 35-1305T91 30" Fan Kit for increased cooling, includes fan, radiator shroud, belts, pulley & necessary mounting hardware. This kit will not fit ST250 prior to S/N 104-00331 nor ST270 prior to S/N 105-00554.

1шт.

90-1502T1

V-BELT,0.53" W x 69.00" L

3 Belt set, Fan & Alt (w/30" Fan) 0.53" W x 69.00" L

1шт.

ST225 S/N 109-00328 & ST250 S/N 104-01000 & up have 30" fan as standard & use Belt Set 90-1502T1. All other tractors use 06-135 unless the 35-1305T91 30" Fan Kit has been installed. 35-1305T91 30" Fan Kit for increased cooling, includes fan, radiator shroud, belts, pulley & necessary mounting hardware. This kit will not fit ST250 prior to S/N 104-00331 nor ST270 prior to S/N 105-00554.

1шт.

5

19-657

BOLT,Hex, 3/8" - 16 x 1", Gr 8

Capscrew

6шт.

6

56-11

BLADE

Fan, 26"

1шт.

90-2338T1

FAN

30"

1шт.

7

Starter (Fig. 2-9)

1шт.

8

19-907

12 PT SCREW,Flg, 5/8" - 11 x 2", Gr 8

Capscrew

3шт.

9

19-912

WASHER

3шт.

10

19-826

NUT,1/2"-13, G8

1шт.

11

20-1608T1

SOLENOID

(06-1496) (Mounted on Cab front on later models)

1шт.

Superseded - Old P/N can be used for all models, but order new P/N when stock is depleted.

1шт.

12

55-185

Bracket

1шт.

13

19-1

BOLT,Hex, 1/4" - 20 x 3/4", Gr 5

Capscrew

2шт.

14

19-76

NUT,1/4"-20, G5

2шт.

15

51-127

Mount, Engine (BSN 2000)

2шт.

15a

90-4384T1

MOUNTING PARTS

Mount, Engine (LH) (ASN 2000)

1шт.

Tractors between S/N 2000 & 2759 do not have the new mounts, Ref. 15A and 23. If replacement is needed on these tractors, these mounts must be ordered as a set (both of Ref. 15A & 90-4386T1 in Ref. 23). This will move the engine forward slightly, which will ease strain on the top driveshaft and the transfer case yoke.

1шт.

90-4385T1

Mount, Engine (RH) (ASN 2000) (Repl 01-5668T1)

1шт.

Tractors between S/N 2000 & 2759 do not have the new mounts, Ref. 15A and 23. If replacement is needed on these tractors, these mounts must be ordered as a set (both of Ref. 15A & 90-4386T1 in Ref. 23). This will move the engine forward slightly, which will ease strain on the top driveshaft and the transfer case yoke.

1шт.

Superseded - Old P/N is not used any longer, the new P/N is to be used in ALL cases. Old P/N should be removed from existing inventory. It is recommended that the old part not be used under any circumstances.

1шт.

16

24-231

RUBBER MOUNTING

Mount, Rubber

6шт.

17

51-128

WASHER

6шт.

18

19-45

BOLT,1/2" - 13 x 1 1/2", Gr 5

Capscrew

8шт.

19

19-256

BOLT,Hex, 5/8" - 11 x 4", Gr 5

Capscrew

6шт.

20

19-408

WASHER

6шт.

21

19-111

WASHER,5/8"

6шт.

22

19-222

LOCK NUT,5/8" - 11, GB

Nut

6шт.

23

1-9406

Plate (BSN 2000) (not on 06-121 & 06-122 engine)

1шт.

Superseded - Old P/N MUST be used on models prior to S/N break. New P/N will fit models after the S/N break only.

1шт.

90-4386T1

Plate, Start Serial: 2000

1шт.

Tractors between S/N 2000 & 2759 do not have the new mounts, Ref. 15A and 23. If replacement is needed on these tractors, these mounts must be ordered as a set (both of Ref. 15A & 90-4386T1 in Ref. 23). This will move the engine forward slightly, which will ease strain on the top driveshaft and the transfer case yoke.

1шт.

24

223449

BOLT (SPREADER),Hex, 3/4" - 10 x 1 3/4", Gr 8

Capscrew

1шт.

25

19-5575

Washer

1шт.

26

Alternator (Fig., Serial Range: 2-12-2-13)

1шт.

27

22-746

PULLEY

(for Delco Alt)

1шт.

2-1980

PULLEY

(For Neihoff Alt)

1шт.

28

19-944

Washer

1шт.

29

6-1483

STRAP

1шт.

30

19-109

WASHER,1/2"

3шт.

31

19-821

BOLT,Hex, 1/2" - 13 x 1 1/4", Gr 8, Full Thd

Capscrew

1шт.

32

19-942

BOLT,Hex, 1/2" - 13 x 6 1/2", Gr 8

Capscrew

1шт.

33

19-909

BOLT,Hex, 1/2" - 13 x 2", Gr 8

Capscrew

1шт.

34

1-7146

Spacer

1шт.

6-137

SPACER

(on early style)

2шт.

35

1-7144

SPACER

1шт.

36

1-7145

SPACER

2шт.

37

19-940

BOLT,Hex, 3/8" - 16 x 2 1/2", Gr 8

Capscrew

1шт.

38

19-654

BOLT,Hex, 5/16" - 18 x 1", Gr 8

Capscrew

1шт.

39

19-700

WASHER,5/16"

1шт.

40

19-943

WASHER

1шт.

41

19-463

WASHER,1/2", SAE

1шт.

42

6-138

SPACER

1шт.

43

6-1485

BRACKET

1шт.

44

19-107

WASHER

1шт.

Выбрано товаров: 72