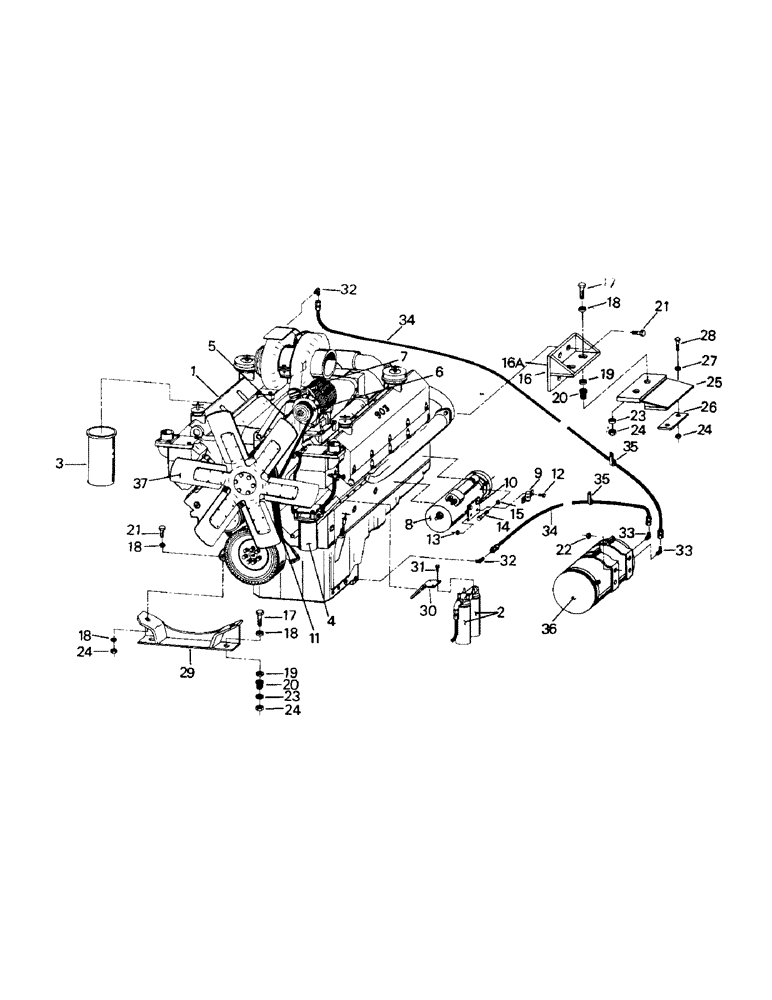
Запчасти Case IH ST325 (04-05) - ENGINE AND ATTACHING PARTS, CUMMINS 903 (04) - Drive Train

Схема запчастей Case IH ST325 - (04-05) - ENGINE AND ATTACHING PARTS, CUMMINS 903 (04) - Drive Train
1
24
20
32
11
2
14
27
12
33
17
29
32
16
19
3
24
26
23
18
15
10
17
34
21
22
34
18
6
30
21
36
5
20
19
33
18
31
28
25
18
16a
24
37
35
13
23
24
35
4
9
7
8
FIT
1:1
100%

Артикул

Название

Примечание

Количество

1

6-126

Engine, VT903-C320 (ST 320)

1шт.

1-8102

Engine, VT903-C320 (ST 350)

1шт.

2

28-35

FUEL FILTER

2шт.

3

28-18

FILTER

Oil Filter, (Canister Type w/06-099 O-ring)

1шт.

1-2187

ENGINE OIL FILTER

Oil Filter, (Spin on)

1шт.

4

28-31

FILTER

Water Filter

1шт.

Precharge element is used only when system is flushed and new coolant put in.

1шт.

1-7834

FILTER

Water Filter (Pre-charged)

1шт.

5

6-140

SET OF BELTS,0.53" W x 44.00" L

V-Belt (2), Alt 0.53" W x 44.00" L

1шт.

Superseded, Old P/N can be used for all models, but order new P/N when stock is depleted.

1шт.

2-1910

SET OF BELTS,0.53" W x 42.00" L

(2), V-Belt, Alt 0.53" W x 42.00" L

1шт.

Superseded, Old P/N can be used for all models, but order new P/N when stock is depleted.

1шт.

6

22-819

PULLEY

alt

1шт.

7

Alt (Fig. 2-12 & 2-13)

1шт.

8

Starter (Fig. 2-9)

1шт.

9

20-1608T1

SOLENOID

(06-1496)

1шт.

Superseded, Old P/N MUST be used on models prior to S/N break. New P/N will fit models after the S/N break only. S/N break New P/N will fit models after the S/N break only.

1шт.

10

55-185

Bracket

1шт.

11

6-1581

HANDBOOK

3 Belt Set, Fan

1шт.

12

19-1

BOLT,Hex, 1/4" - 20 x 3/4", Gr 5

Capscrew, 1/4 NC x 3/4

2шт.

13

19-76

NUT,1/4"-20, G5

1/4 NC

2шт.

14

19-907

12 PT SCREW,Flg, 5/8" - 11 x 2", Gr 8

Capscrew, 5/8 NC x 2

3шт.

15

19-912

WASHER

3шт.

16

51-457

Engine Mt. Rear (BSN 2000), Serial Range: -2000

2шт.

16a

1-5680T1

Engine Mt. Rear (ASN 2000), Start Serial: 2000

2шт.

17

19-256

BOLT,Hex, 5/8" - 11 x 4", Gr 5

Capscrew, 5/8 NC x 4

6шт.

18

19-111

WASHER,5/8"

5/8

10шт.

19

51-128

WASHER

6шт.

20

24-231

RUBBER MOUNTING

Rubber Mt

6шт.

On tractors w/16A mt, the rubber mt item 20 is installed w/the flange side down & item 19 is not used.

1шт.

21

19-57

BOLT,5/8" - 11 x 1 3/4", Gr 5

Capscrew, 5/8 NC x 1-3/4

10шт.

22

19-78

SPECIAL NUT,3/8"-16, G5

3/8 NC

4шт.

23

19-408

WASHER

21/32, Serial Range: -2000

6шт.

24

19-222

LOCK NUT,5/8" - 11, GB

Nut, 5/8 NC, Serial Range: -2000

12шт.

25a

1-5667T1

Engine Brkt (ASN 2000), Start Serial: 2000

2шт.

26

51-468

PLATE

Support

2шт.

27

51-469

Spacer, Motor Mount

4шт.

28

19-494

BOLT,Hex, 5/8" - 11 x 3", Gr 5

Capscrew, 5/8 NC x 3

4шт.

29

51-470

Motor Mount, Front

1шт.

30

45-264

Bracket, Fuel Filter

1шт.

31

19-17

BOLT,Hex, 3/8" - 16 x 1", Gr 5, Full Thd

Capscrew, 3/8 NC x 1

4шт.

32

31-269

ELBOW,90 Degree, 9/16"-18, 37 Degree x 3/8"-18, NPTF

Adapter

2шт.

33

31-528

ELBOW,90 Degree, 9/16"-18, 37 Degree x 1/2"-14, NPTF

Adapter

2шт.

34

1-263

HOSE

Assembly

2шт.

34

1-2188

Clip

2шт.

36

By-Pass Lube Filter (Fig. 4-8)

1шт.

37

90-3824T1

FAN

06-1597

1шт.

The fan, Ref. 37, should be changed to the new 90-3824T1. The bolts 441734 are needed also.

1шт.

Supersede, P/N os superseded on this model or models only. Old P/N can be used for other application and models but new B/N always be used in this code

1шт.

442734

CAPSCREW,1/2" - 13 x 4", Gr 8

1/2 UNC x 4 GR8 (For Fan)

6шт.

Выбрано товаров: 50